GM Service Manual Online
For 1990-2009 cars only

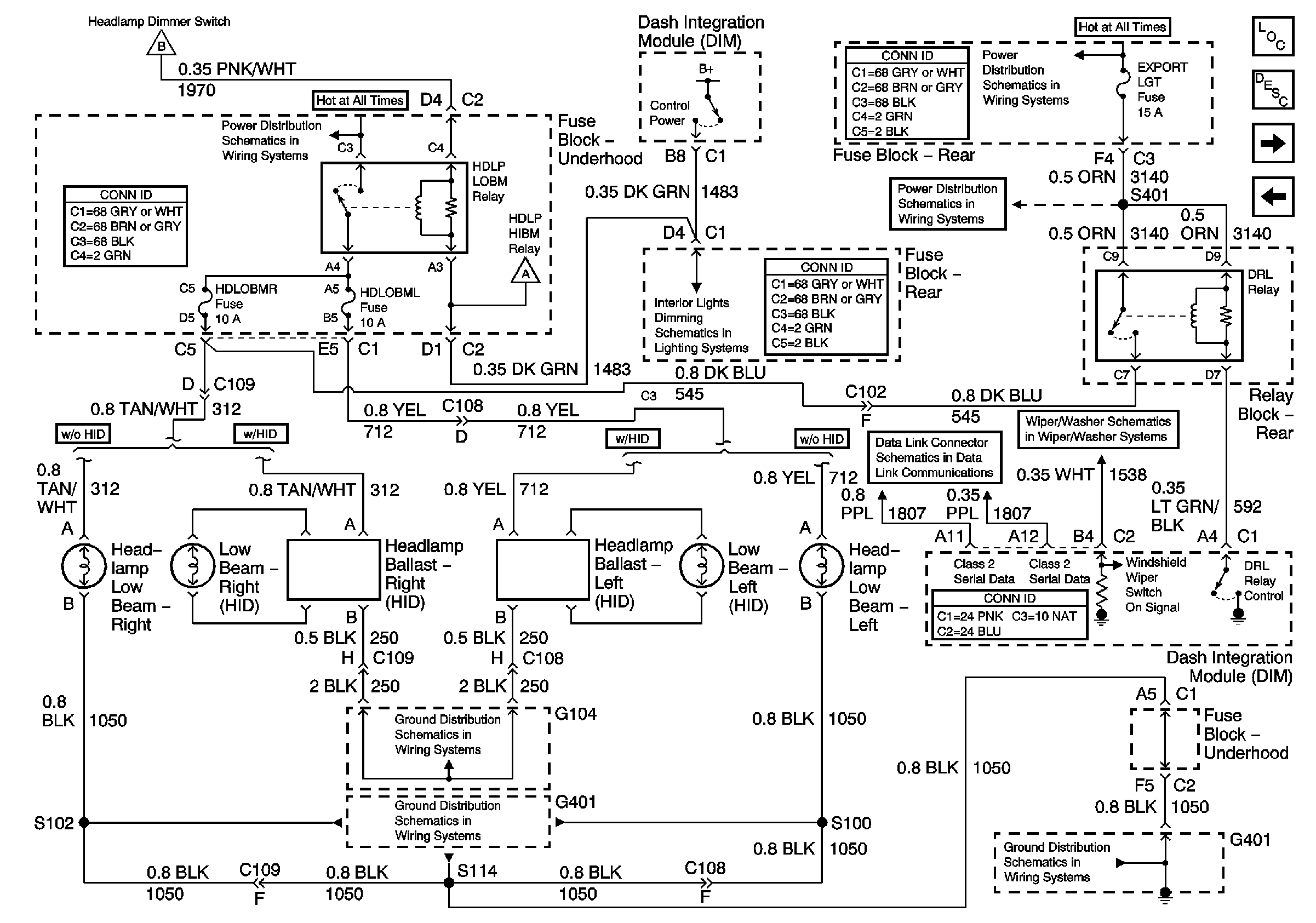
Headlights/Daytime Running Lights (DRL) Schematics Domestic

Figure 1:

Headlamp Switch Power and Ground


Object Number: 642225  Size: FS
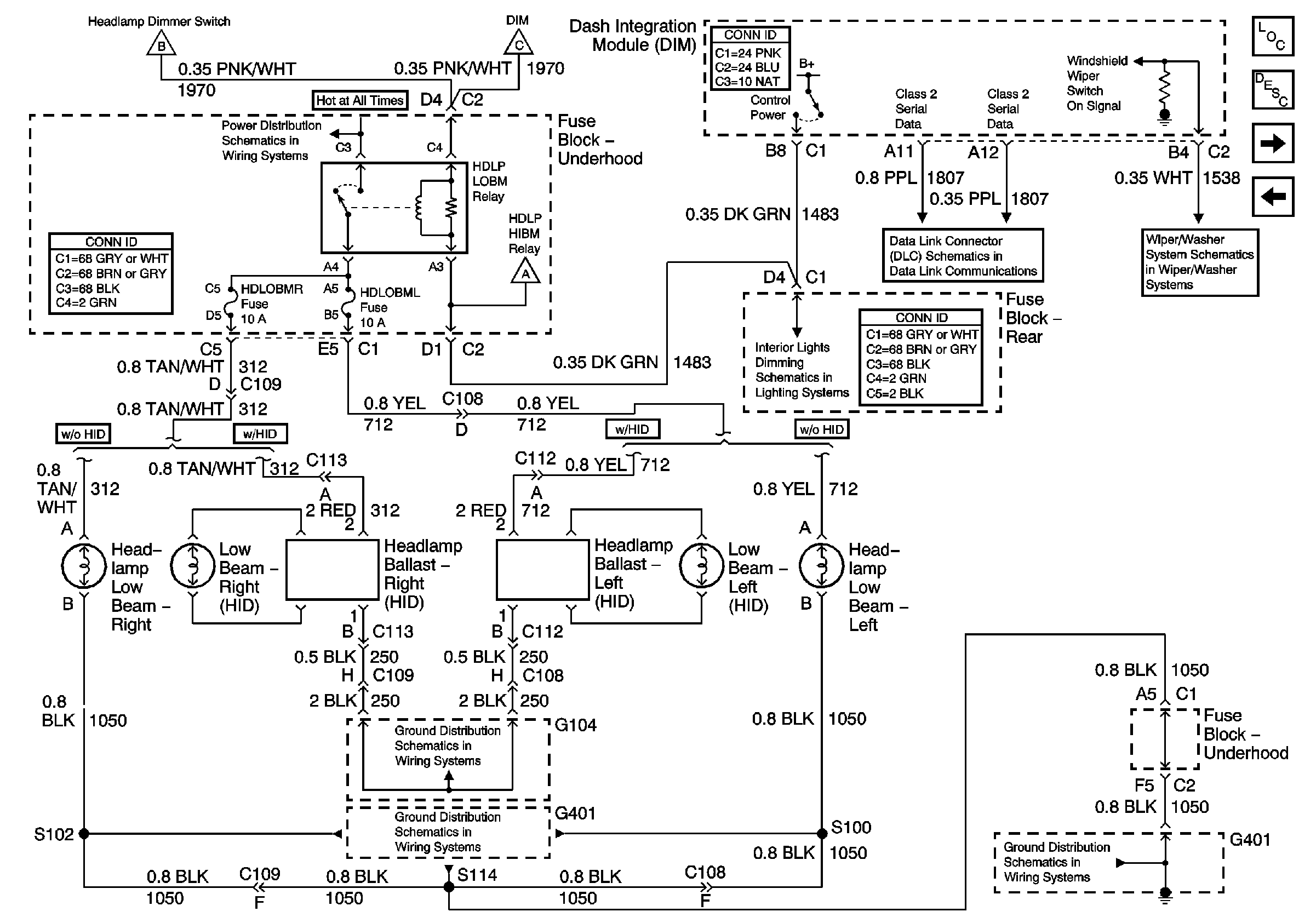
Low Beam Headlamps
Lighting Systems Component Views
Exterior Lighting Systems Description and Operation
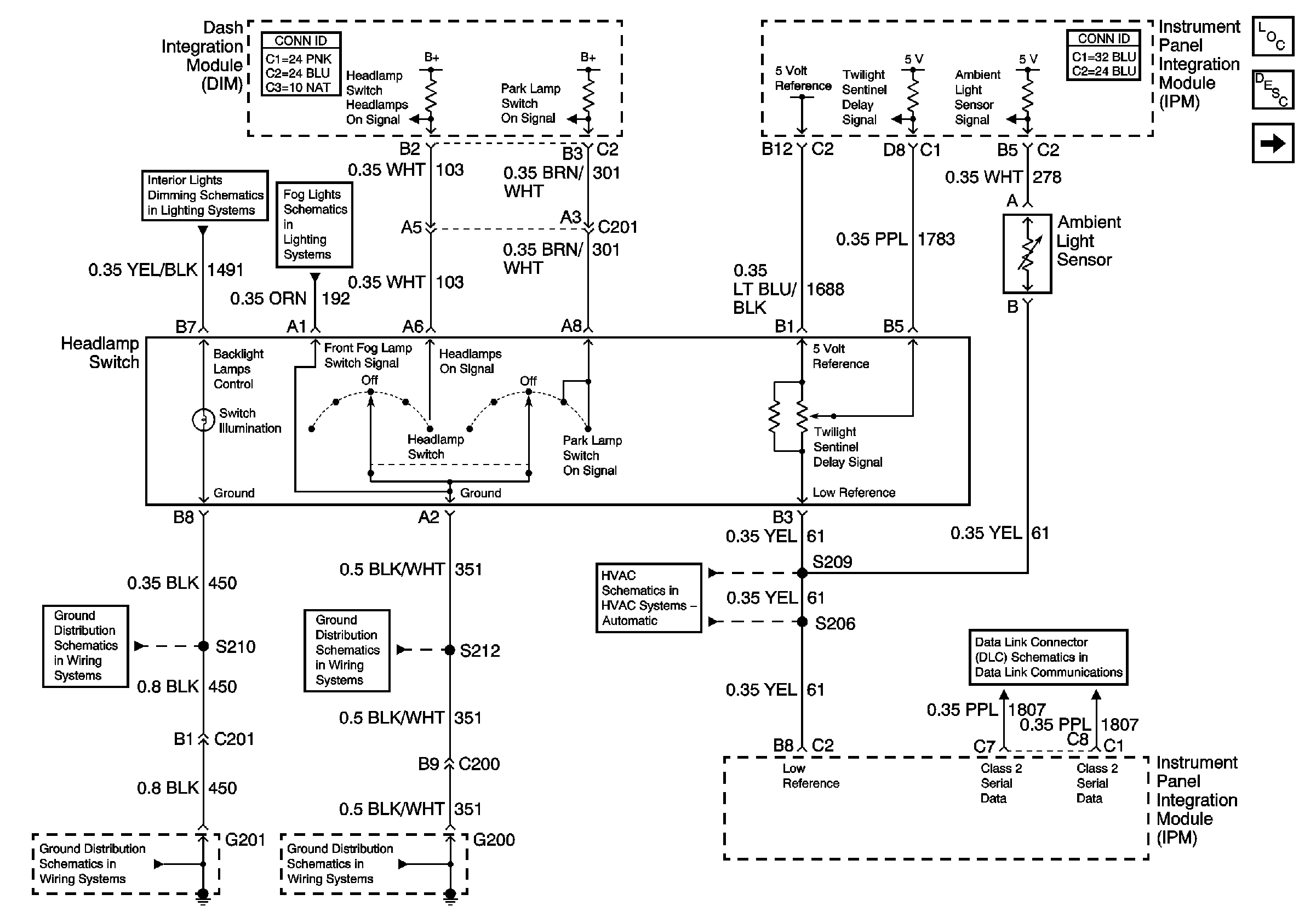
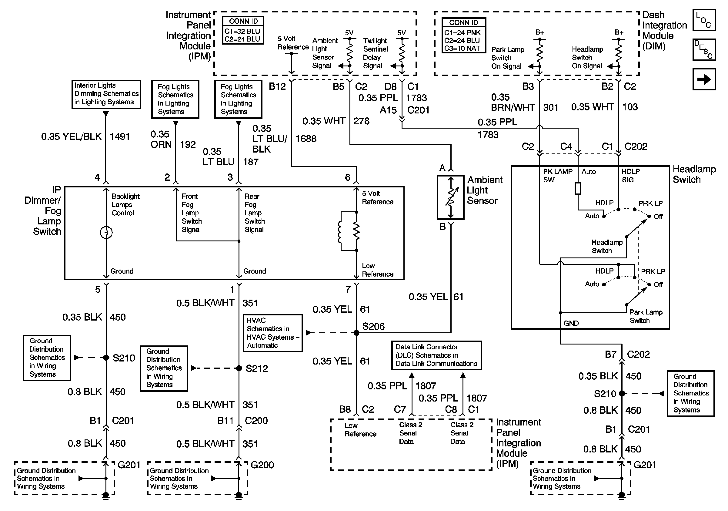
DIC and Headlamp Switch
Front Fog Lamps
G201 (2 of 3)
G201 (2 of 3)
G200
G200
Class 2 Serial Data Line (LH Drive) (1 of 2)
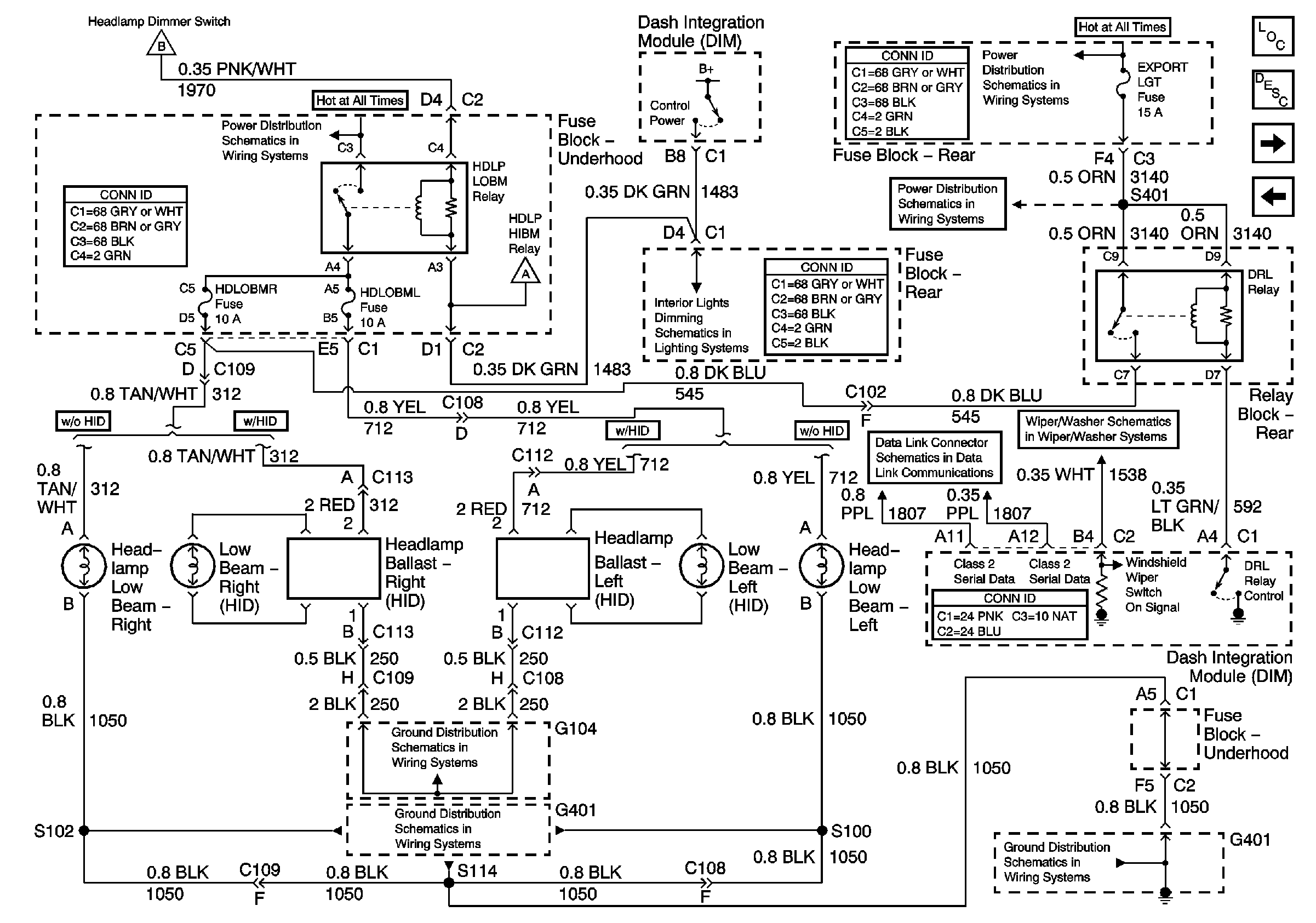
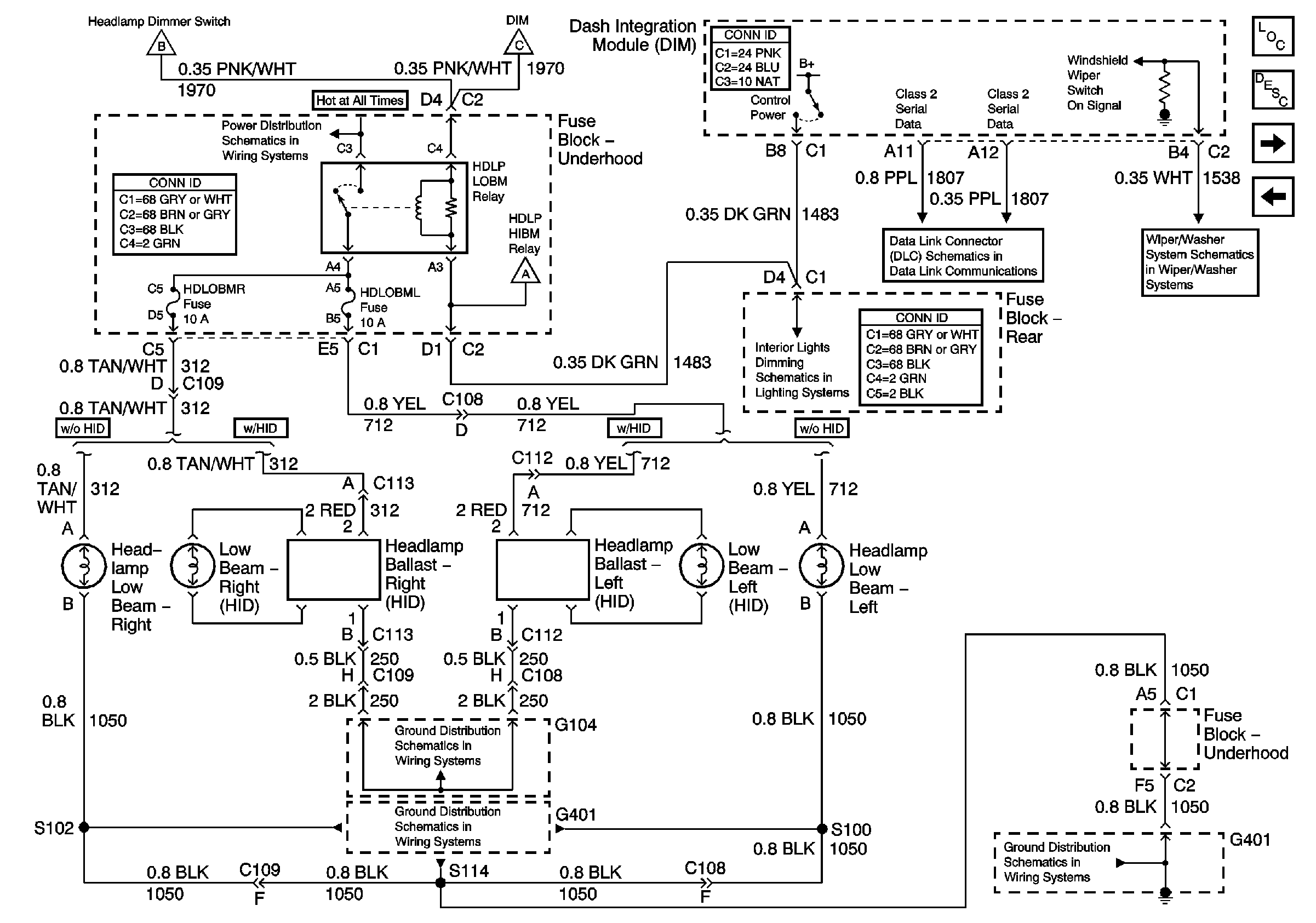
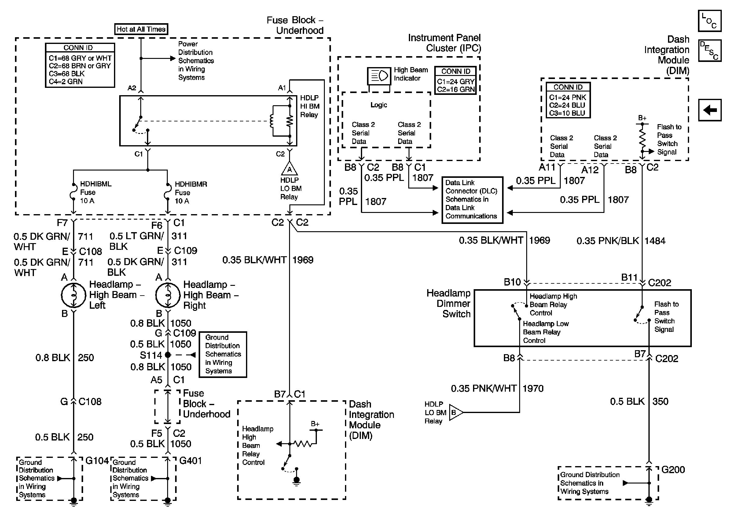
Figure 2:

Low Beam Headlamps


Object Number: 642226  Size: FS
Headlamp Switch Power and Ground
High Beam Headlamps
Lighting Systems Component Views
Exterior Lighting Systems Description and Operation
High Beam Headlamps
High Beam Headlamps
Power to Underhood Fuse Block
High Beam Headlamps
Class 2 Serial Data Line (LH Drive) (1 of 2)
Power, Ground, and Components
Dimming Control
Door MDL and ALDL Fuses
G401 (3 of 3)
G401 (3 of 3)
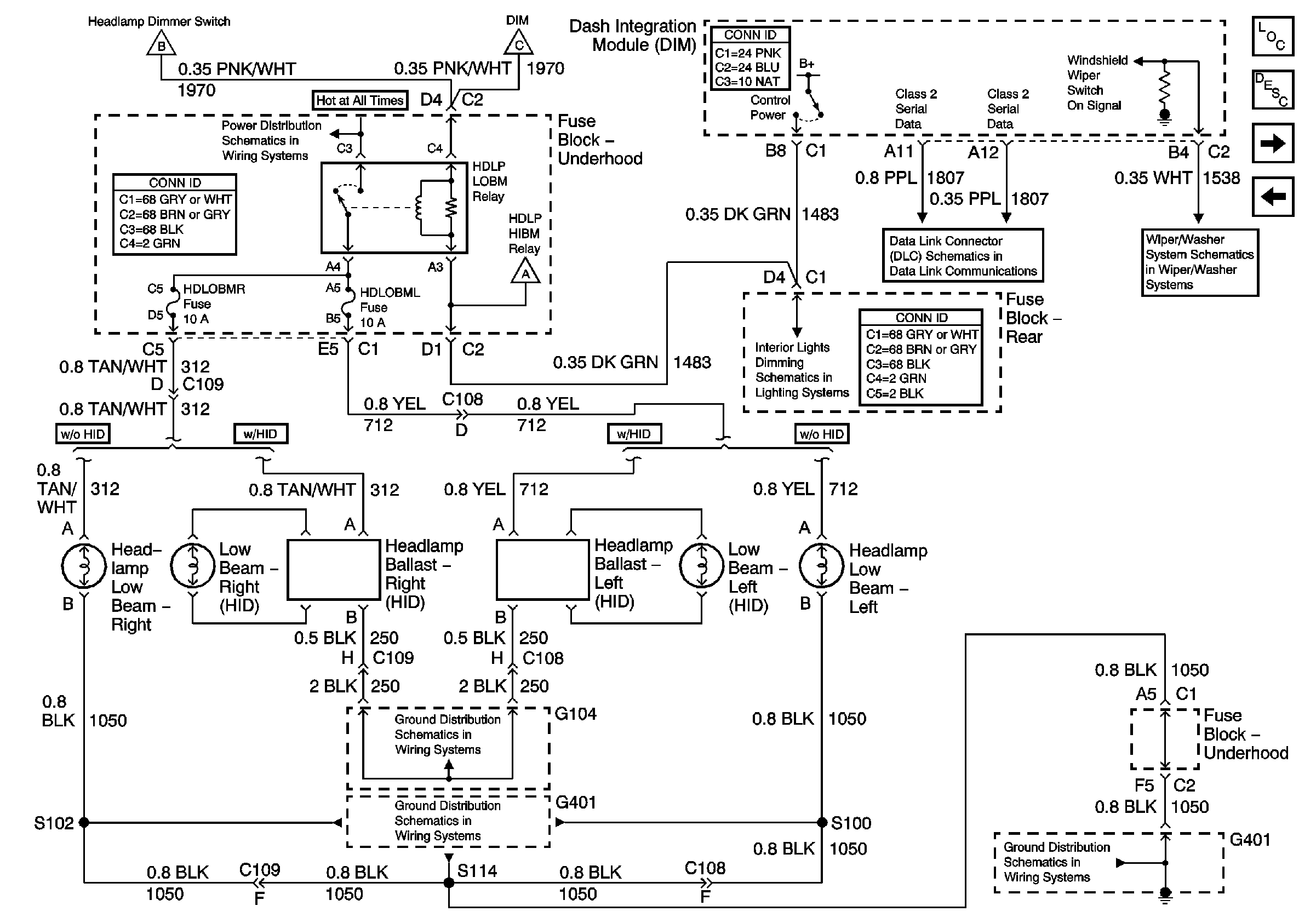
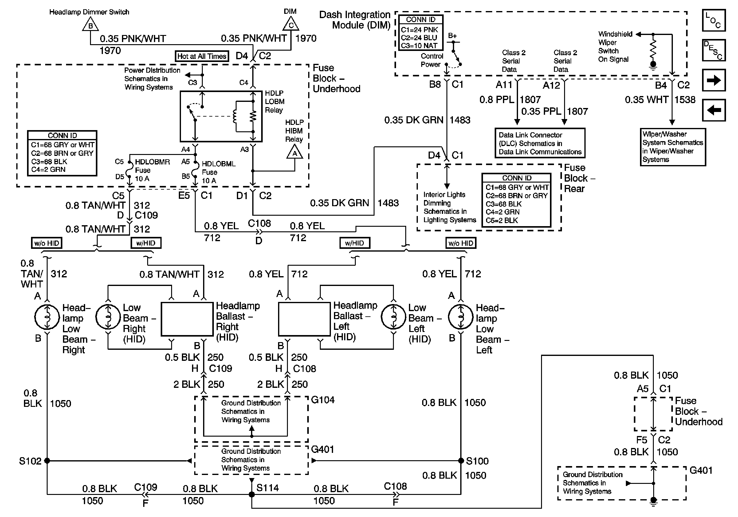
Figure 3:

Low Beam Headlamps (Generation 3.0)


Object Number: 821717  Size: FS
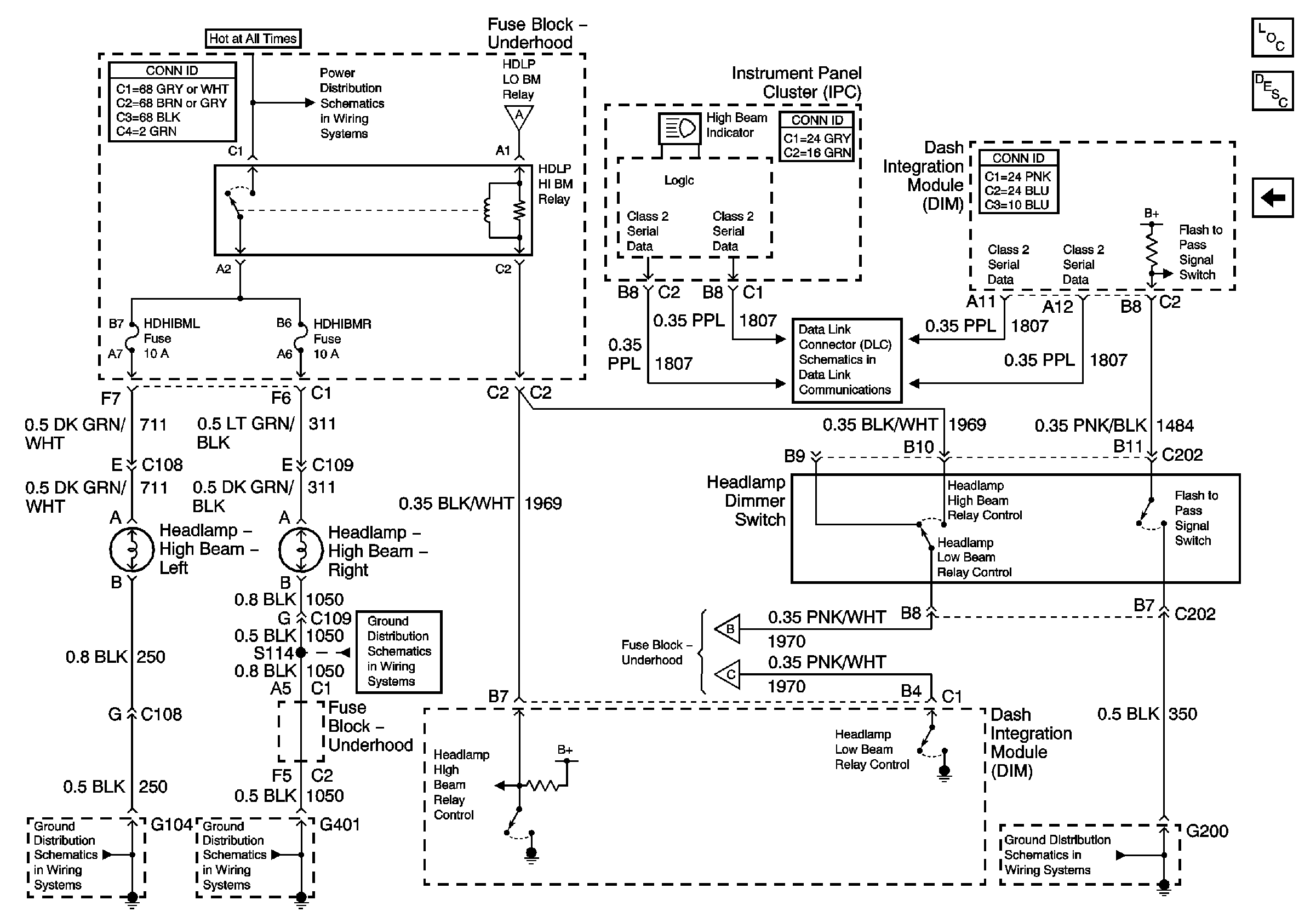
Figure 4:

High Beam Headlamps


Object Number: 642227  Size: FS
Low Beam Headlamps
Lighting Systems Component Views
Exterior Lighting Systems Description and Operation
Power to Underhood Fuse Block
Power to Underhood Fuse Block
Low Beam Headlamps
Class 2 Serial Data Line (LH Drive) (1 of 2)
G201 (2 of 3)
G401 (3 of 3)
G401 (3 of 3)
Low Beam Headlamps
Low Beam Headlamps
G200

Headlights/Daytime Running Lights (DRL) Schematics Europe/Japan

Figure 1:

Headlamp Switch Power and Ground


Object Number: 642229  Size: FS
Low Beam Headlamps
Lighting Systems Component Views
Exterior Lighting Systems Description and Operation
DIC and Headlamp Switch
Front Fog Lamps
Rear Fog Lamps
G201 (2 of 3)
G201 (2 of 3)
G200
G200
Class 2 Serial Data Line (RH Drive) (2 of 2)
G201 (2 of 3)
G201 (2 of 3)
Figure 2:

Low Beam Headlamps


Object Number: 642230  Size: FS
Headlamp Switch Power and Ground
High Beam Headlamps
Lighting Systems Component Views
Exterior Lighting Systems Description and Operation
High Beam Headlamps
High Beam Headlamps
Power to Underhood Fuse Block
High Beam Headlamps
Class 2 Serial Data Line (LH Drive) (1 of 2)
Power, Ground, and Components
Dimming Control
Door MDL and ALDL Fuses
G401 (3 of 3)
G401 (3 of 3)
Figure 3:

Low Beam Headlamps (Generation 3.0)


Object Number: 821716  Size: FS
Figure 4:

High Beam Headlamps


Object Number: 642232  Size: FS
Low Beam Headlamps
Lighting Systems Component Views
Exterior Lighting Systems Description and Operation
Power to Underhood Fuse Block
Low Beam Headlamps
Class 2 Serial Data Line (LH Drive) (1 of 2)
Door MDL and ALDL Fuses
G401 (3 of 3)
G401 (3 of 3)
Low Beam Headlamps
G200

Headlights/Daytime Running Lights (DRL) Schematics Norway/Sweden

Figure 1:

Headlamp Switch Power and Ground


Object Number: 642234  Size: FS
Low Beam Headlamps
Lighting Systems Component Views
Exterior Lighting Systems Description and Operation
DIC and Headlamp Switch
Park Lamp and Class 2
G201 (2 of 3)
G201 (2 of 3)
G200
G200
Front Fog Lamps
Rear Fog Lamps
Class 2 Serial Data Line (RH Drive) (2 of 2)
Figure 2:

Low Beam Headlamps


Object Number: 642235  Size: FS
Headlamp Switch Power and Ground
High Beam Headlamps
Lighting Systems Component Views
Exterior Lighting Systems Description and Operation
High Beam Headlamps
Power to Underhood Fuse Block
High Beam Headlamps
Battery Feeds
Power to Underhood Fuse Block
Dimming Control
Door MDL and ALDL Fuses
G401 (3 of 3)
Class 2 Serial Data Line (LH Drive) (1 of 2)
Power, Ground, and Components
G401 (3 of 3)
Figure 3:

Low Beam Headlamps (Generation 3.0)


Object Number: 821718  Size: FS
Figure 4:

High Beam Headlamps


Object Number: 642237  Size: FS
Low Beam Headlamps
Lighting Systems Component Views
Exterior Lighting Systems Description and Operation
Power to Underhood Fuse Block
Low Beam Headlamps
Class 2 Serial Data Line (LH Drive) (1 of 2)
Door MDL and ALDL Fuses
G401 (3 of 3)
Low Beam Headlamps
G200