GM Service Manual Online
For 1990-2009 cars only
Makes
🢒
Cadillac
🢒
2001
🢒
Seville
🢒
Body and Accessories
🢒
Instrument Panel, Gauges, and Console
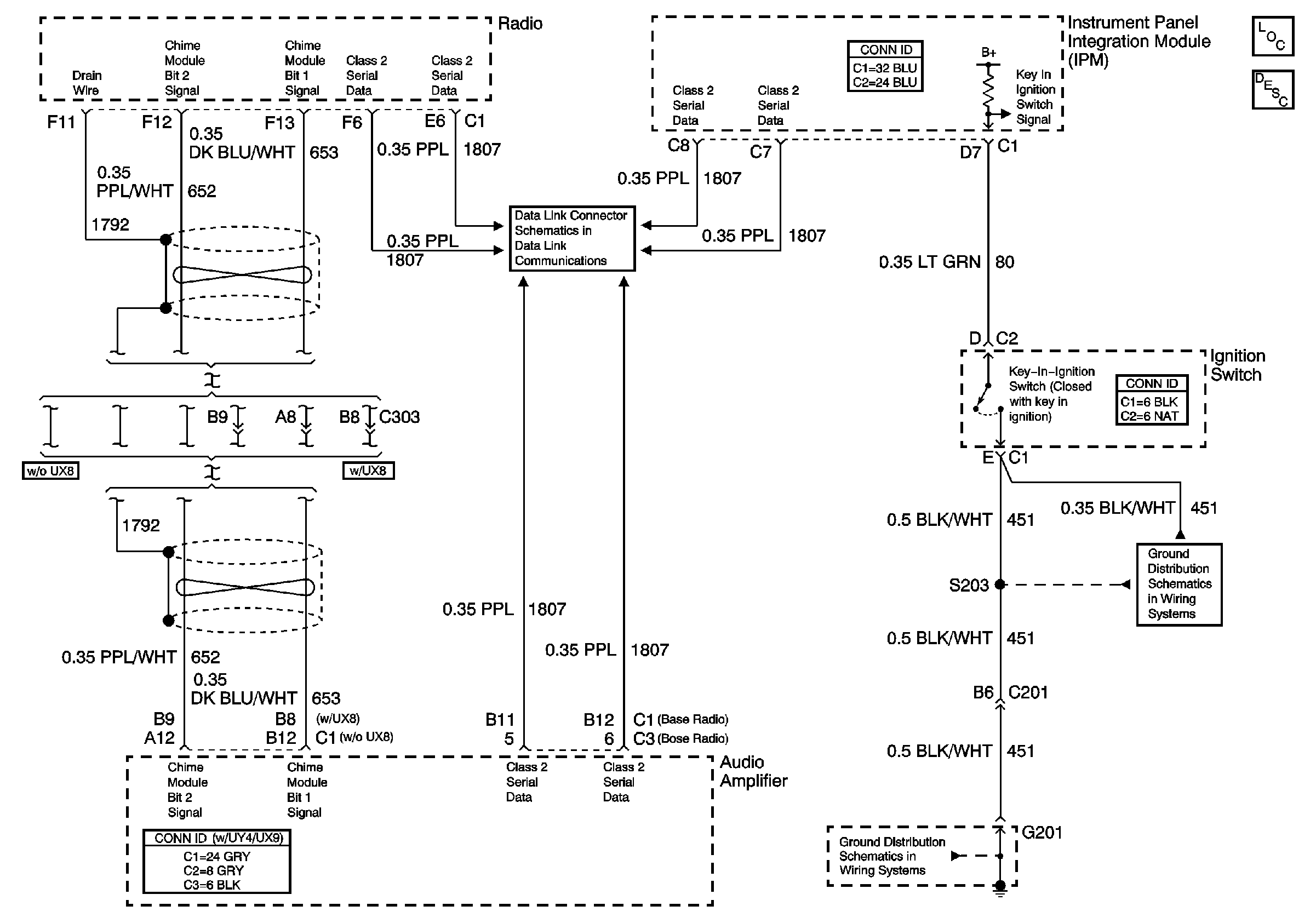
🢒 Audible Warnings Schematics
Radio and Ignition Switch Audible Warnings
Seat Belt and Headlamp Switches
Instrument Panel, Gages, and Console Component Views
Audible Warnings Description and Operation
Class 2 Serial Data Line (LH Drive) (1 of 2)
G201 (1 of 3)
G201 (1 of 3)