GM Service Manual Online
For 1990-2009 cars only
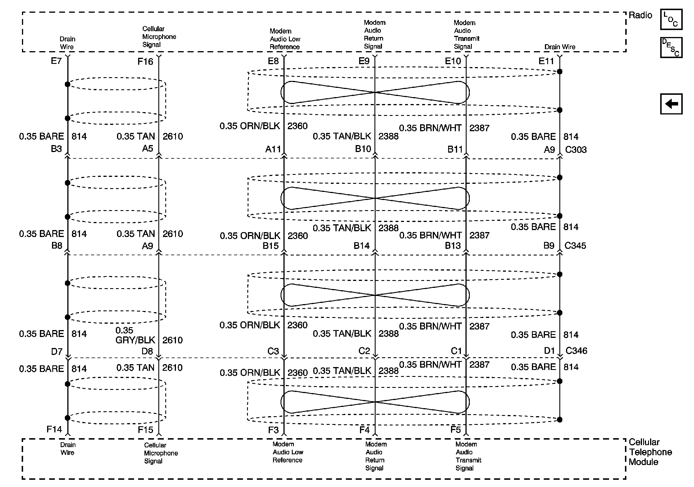
Figure 1:

Power and Ground


Object Number: 642138  Size: FS
Vehicle Interface Unit (VIU), Microphone, Radio Amplifier
Cellular Communication Component Views
Cellular Telephone Description and Operation
Battery Feeds
AUDIO, AUDIO AMP, DIM Fuses
AUDIO, AUDIO AMP, DIM Fuses
G401 (1 of 3)
Class 2 Serial Data Line (LH Drive) (2 of 2)
G401 (1 of 3)
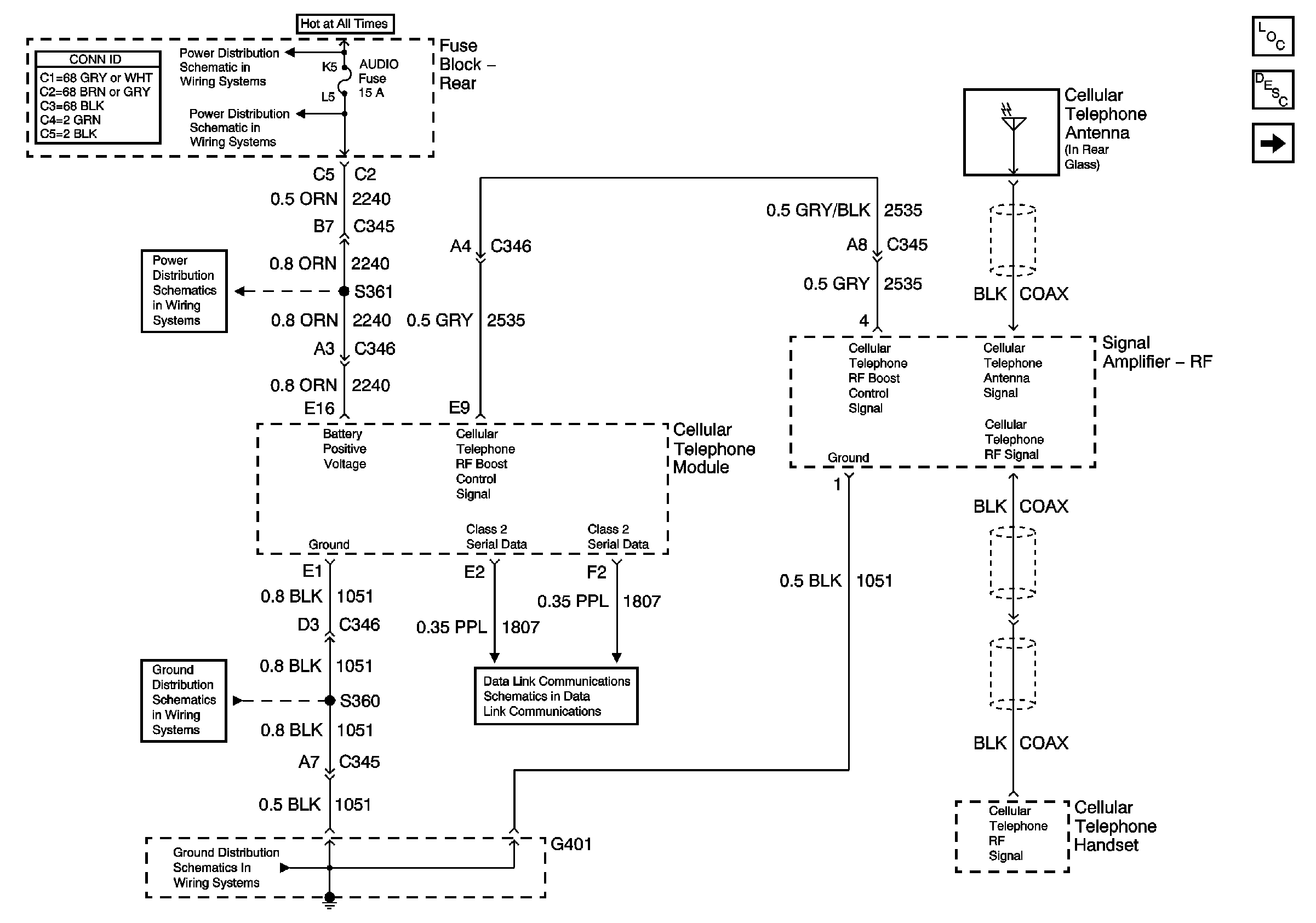
Figure 2:

Vehicle Interface Unit (VIU), Microphone, Radio Amplifier


Object Number: 642140  Size: FS
Power and Ground
Cellular Telephone Interface Board
Cellular Communication Component Views
Cellular Telephone Description and Operation
Figure 3:

Cellular Telephone Interface Board


Object Number: 642141  Size: FS
Vehicle Interface Unit (VIU), Microphone, Radio Amplifier
Web Radio
Cellular Communication Component Views
Cellular Telephone Description and Operation
Figure 4:

Web Radio


Object Number: 648281  Size: FS
Cellular Telephone Interface Board
Cellular Communication Component Views
Cellular Telephone Description and Operation