GM Service Manual Online
For 1990-2009 cars only
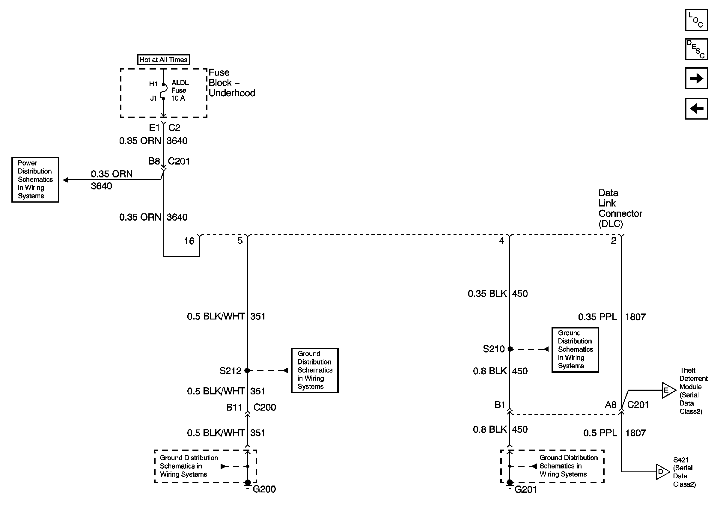
Figure 1:

Data Link Connector Power and Ground (LH Drive)


Object Number: 642050  Size: FS
Class 2 Serial Data Line (LH Drive) (1 of 2)
Data Link Communications Component Views
Data Link Communications Description and Operation
Door MDL and ALDL Fuses
G200
G200
G201 (2 of 3)
G201 (2 of 3)
Class 2 Serial Data Line (LH Drive) (1 of 2)
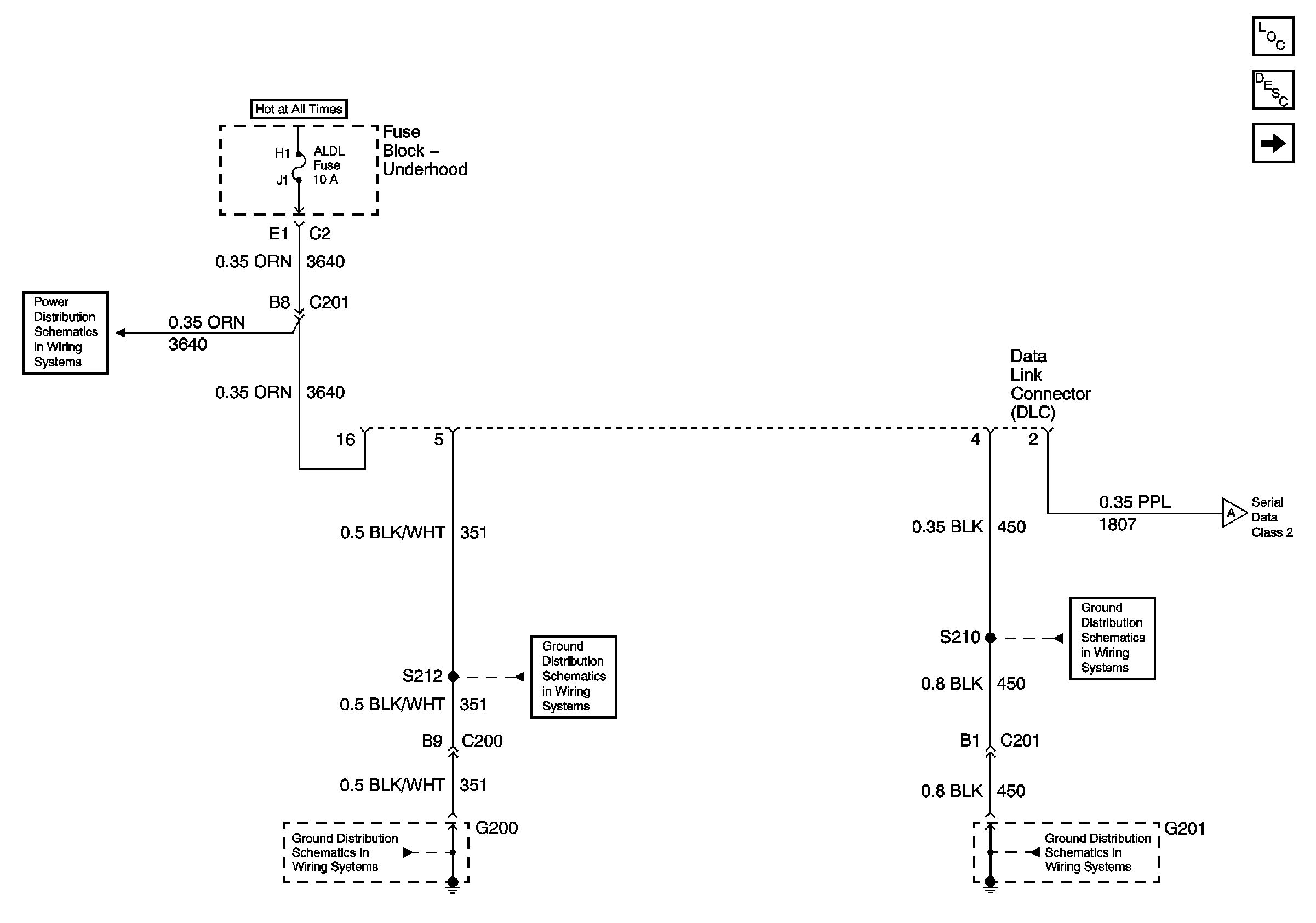
Figure 2:

Class 2 Serial Data Line (LH Drive) (1 of 2)


Object Number: 642055  Size: FS
Data Link Connector Power and Ground (LH Drive)
Class 2 Serial Data Line (LH Drive) (2 of 2)
Data Link Communications Component Views
Data Link Communications Description and Operation
Class 2 Serial Data Line (LH Drive) (2 of 2)
Data Link Connector Power and Ground (LH Drive)
Class 2 Serial Data Line (LH Drive) (2 of 2)
Figure 3:

Class 2 Serial Data Line (LH Drive) (2 of 2)


Object Number: 642056  Size: FS
Class 2 Serial Data Line (LH Drive) (1 of 2)
Data Link Connector Power and Ground (RH Drive)
Data Link Communications Component Views
Data Link Communications Description and Operation
Class 2 Serial Data Line (LH Drive) (1 of 2)
Class 2 Serial Data Line (LH Drive) (1 of 2)
SIR Caution
Figure 4:

Data Link Connector Power and Ground (RH Drive)


Object Number: 642054  Size: FS
Class 2 Serial Data Line (LH Drive) (2 of 2)
Class 2 Serial Data Line (RH Drive) (1 of 2)
Data Link Communications Component Views
Data Link Communications Description and Operation
Door MDL and ALDL Fuses
Class 2 Serial Data Line (RH Drive) (1 of 2)
Class 2 Serial Data Line (RH Drive) (2 of 2)
G200
G200
G201 (2 of 3)
G201 (2 of 3)
Figure 5:

Class 2 Serial Data Line (RH Drive) (1 of 2)


Object Number: 642051  Size: FS
Data Link Connector Power and Ground (RH Drive)
Class 2 Serial Data Line (RH Drive) (2 of 2)
Data Link Communications Component Views
Data Link Communications Description and Operation
Class 2 Serial Data Line (RH Drive) (2 of 2)
Data Link Connector Power and Ground (RH Drive)
Class 2 Serial Data Line (RH Drive) (2 of 2)
SIR Caution
Figure 6:

Class 2 Serial Data Line (RH Drive) (2 of 2)


Object Number: 642052  Size: FS
Class 2 Serial Data Line (RH Drive) (1 of 2)
Data Link Communications Component Views
Data Link Communications Description and Operation
Data Link Connector Power and Ground (RH Drive)
Class 2 Serial Data Line (RH Drive) (1 of 2)
Class 2 Serial Data Line (RH Drive) (1 of 2)