GM Service Manual Online
For 1990-2009 cars only
Makes
🢒
Cadillac
🢒
2001
🢒
Seville
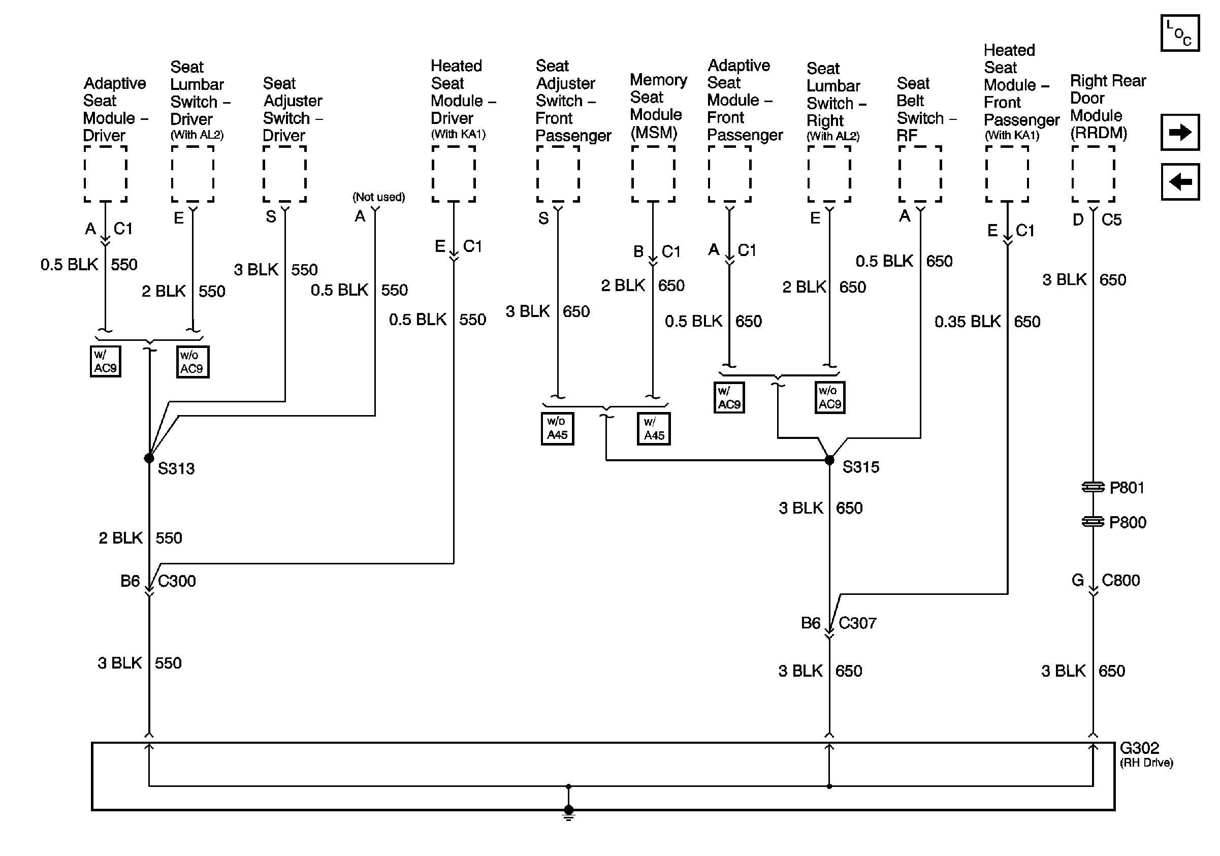
🢒 G302 (RH Drive)
G302 (RH Drive)
G302 (RH Drive)
G303, G304, and G307
G302 (LH Drive)