GM Service Manual Online
For 1990-2009 cars only
Makes
🢒
Cadillac
🢒
2001
🢒
Seville
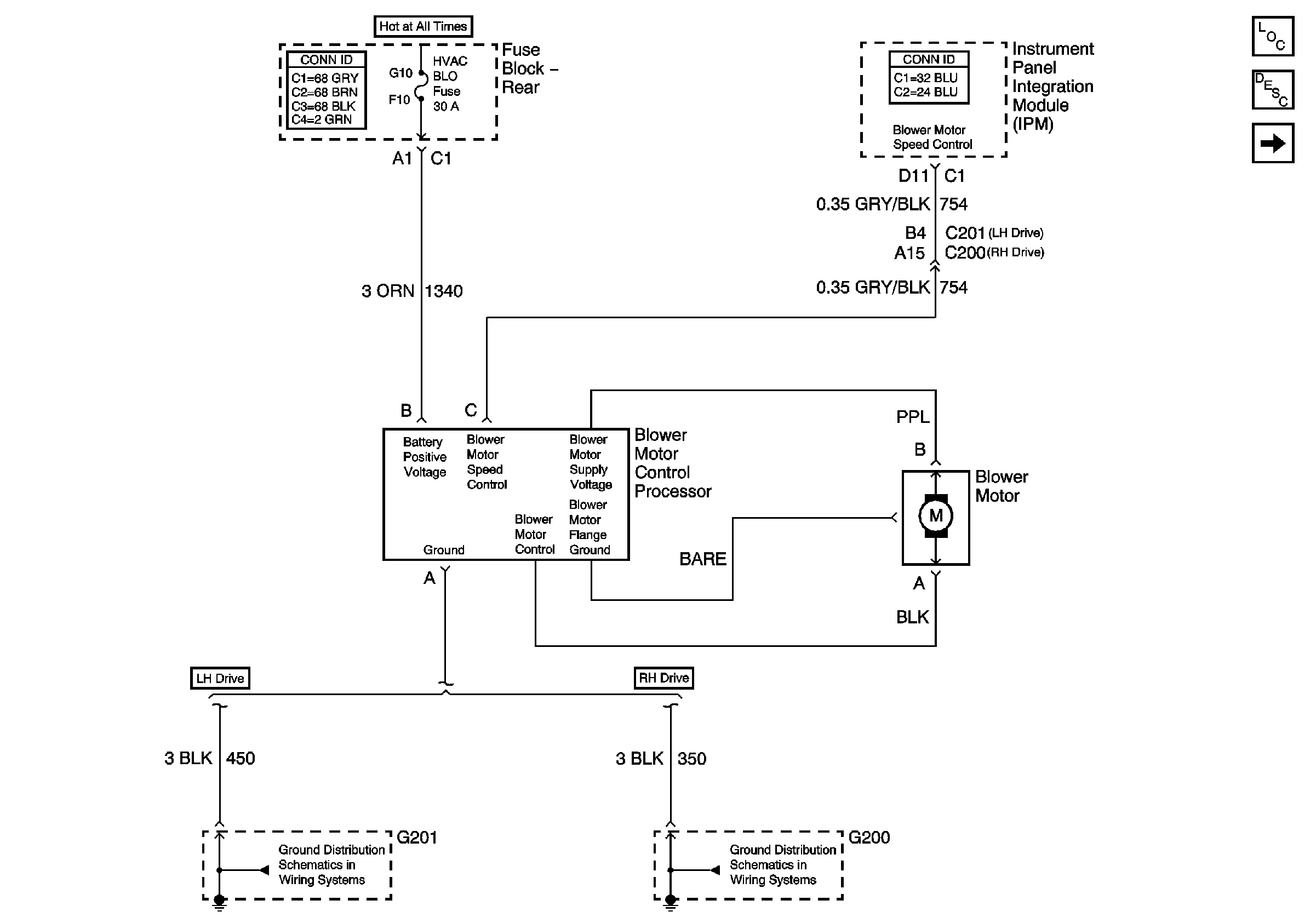
🢒 Blower Motor - Front
Blower Motor - Front
Front Blower Motor Controls
Blower Motor - Auxiliary
HVAC Component Views
G200
Air Delivery Description and Operation