GM Service Manual Online
For 1990-2009 cars only
Makes
🢒
Cadillac
🢒
2001
🢒
Seville
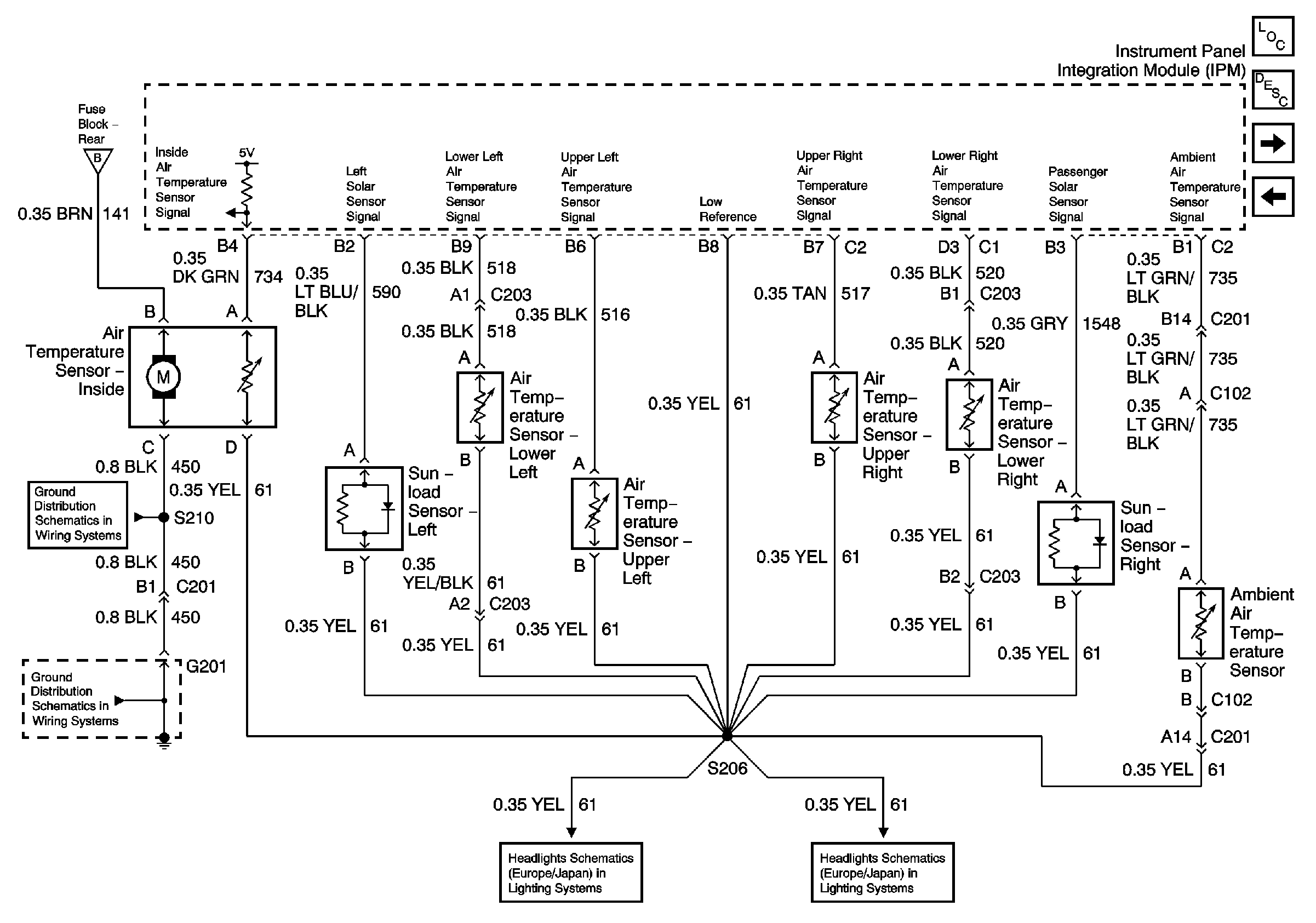
🢒 Temperature Sensors - RH Drive
Temperature Sensors - RH Drive
Temperature Sensors - RH Drive
Temperature Sensors - LH Drive
HVAC Component Views
Ashtray Lamp and Steering Wheel Controls
IGN 3 RR Relay, HVAC and ABS Fuses
G200 and G202
G200 and G202
Air Delivery Description and Operation