GM Service Manual Online
For 1990-2009 cars only
Makes
🢒
Cadillac
🢒
2001
🢒
Seville
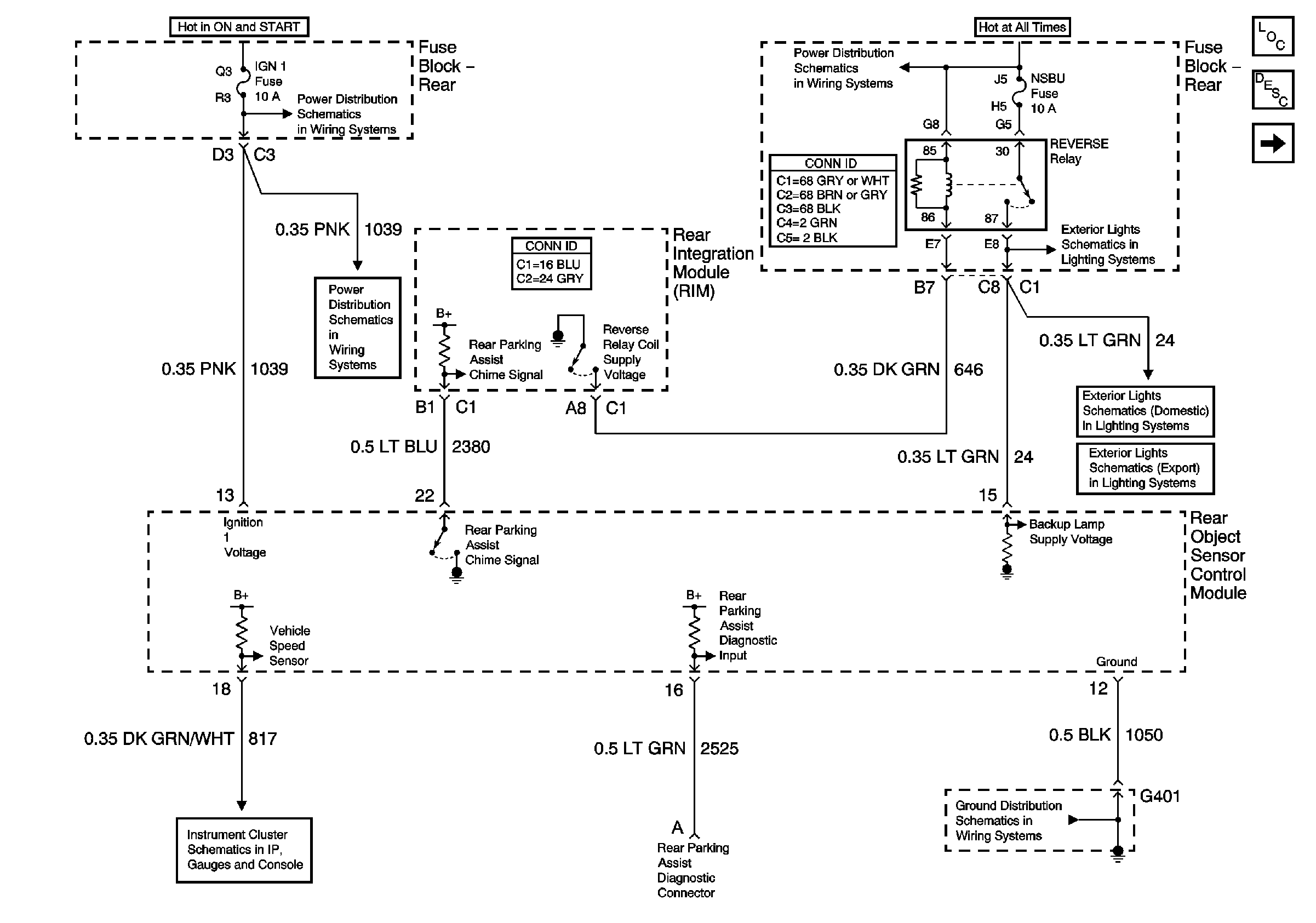
🢒 Rear Object Sensor Control Module Power and Ground
Rear Object Sensor Control Module Power and Ground
Rear Object Sensor Control Module Power and Ground
Object Sensors
Rear Parking Assist Component Views
Object Detection Description and Operation
IGN 1 Fuse
IGN 1 Fuse
Battery Feeds
Backup Lights
Backup Lights
PCM Signals
G401 (2 of 3)