GM Service Manual Online
For 1990-2009 cars only
Makes
🢒
Cadillac
🢒
2001
🢒
Seville
🢒 Power and Components
Power and Components
Power and Components
Stationary Windows Component Views
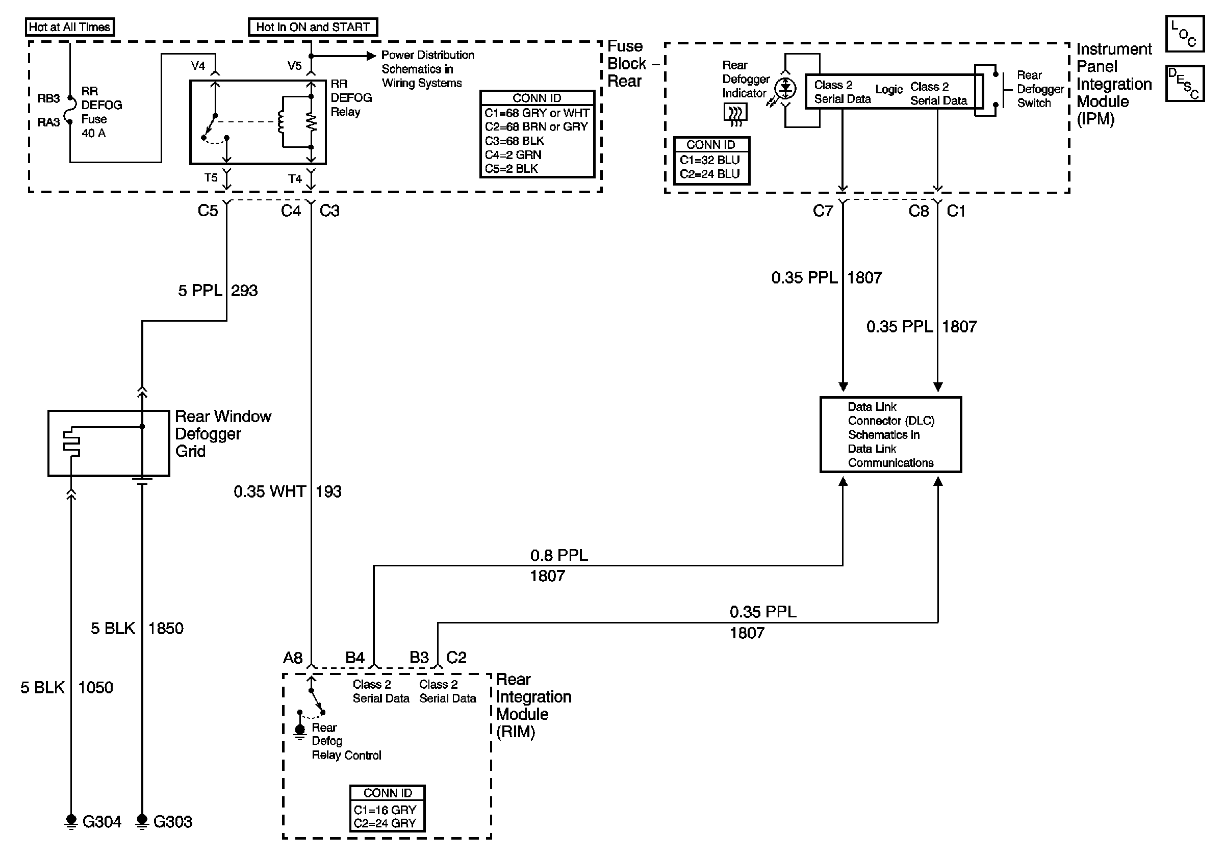
Rear Window Defogger Description and Operation
Battery Feeds
Class 2 Serial Data Line (LH Drive) (1 of 2)