GM Service Manual Online
For 1990-2009 cars only
Makes
🢒
Cadillac
🢒
2001
🢒
Seville
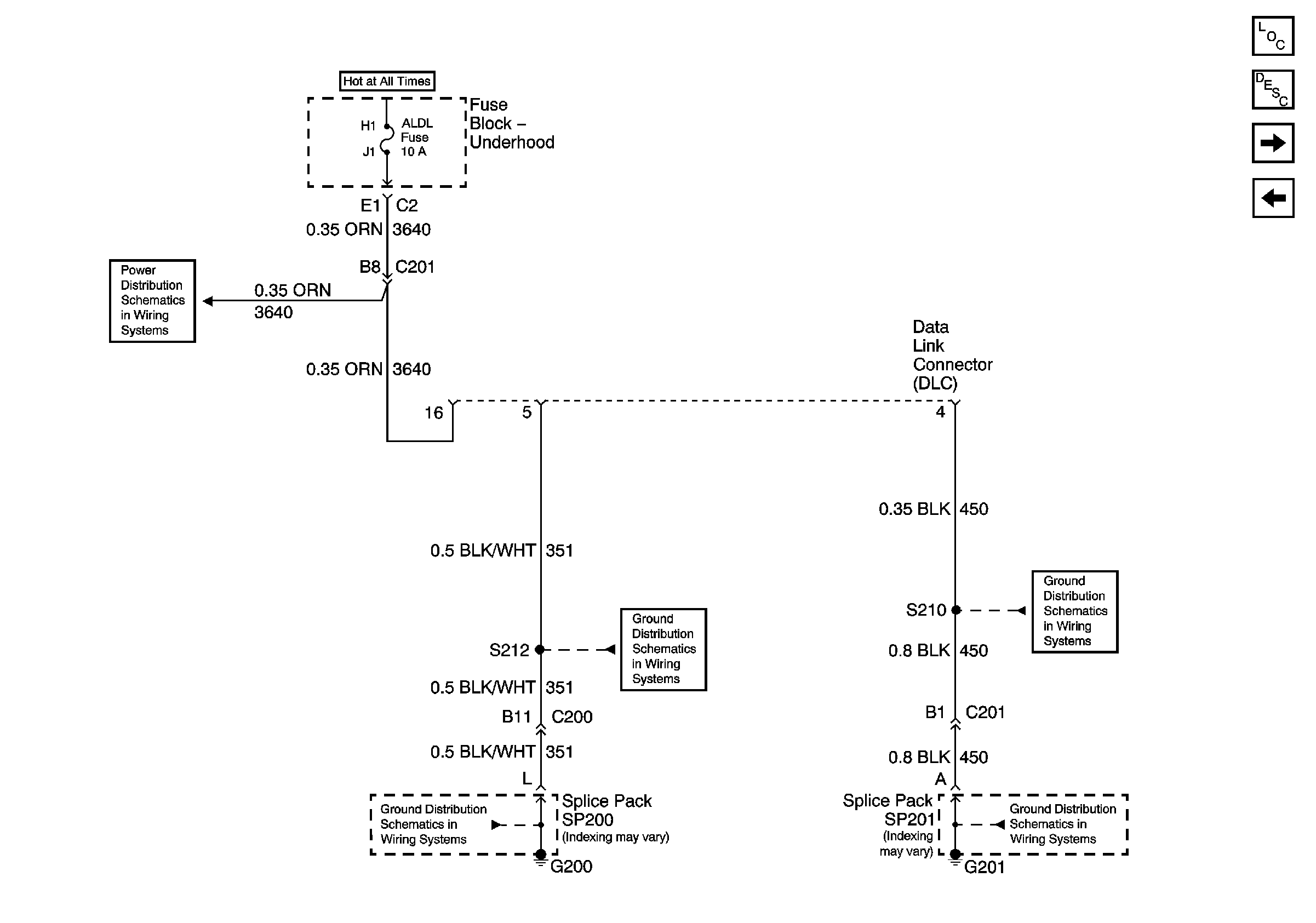
🢒 Data Link Connector Power and Ground (RH Drive)
Data Link Connector Power and Ground (RH Drive)
Data Link Connector Power and Ground (RH Drive)
Master Electrical Component List
Data Link Communications Description and Operation
Class 2 Serial Data Line (RH Drive) (1 of 2)
Class 2 Serial Data Line (LH Drive) (2 of 2)
Class 2 Serial Data Line (RH Drive) (2 of 2)
Class 2 Serial Data Line (RH Drive) (1 of 2)
G201 2 of 3
G201 2 of 3
G200
G200
ALDL, PCM BATT, IP, ABS Fuses