GM Service Manual Online
For 1990-2009 cars only
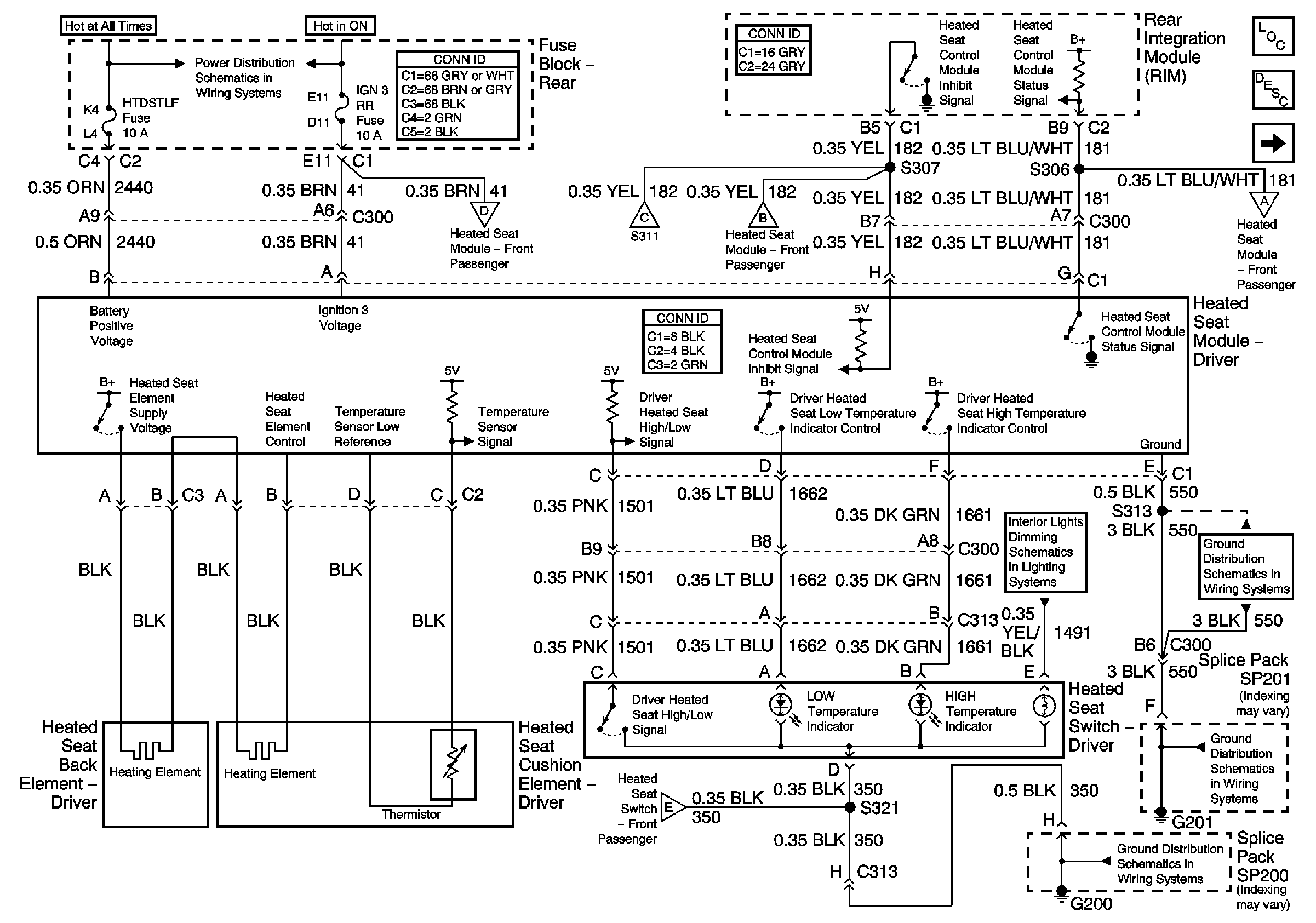
Figure 1:

Heated Seat Module - Driver


Object Number: 792064  Size: FS
Master Electrical Component List
Heated Seats Description and Operation
Heated Seat Module - Front Passenger
Heated Seat Module - Front Passenger
G201 3 of 5 (LH Drive)
G201 3 of 5 (LH Drive)
G200 and G202
Heated Seat Module - Front Passenger
Ashtray Lamp and Steering Wheel Controls
Battery Feed to Fuse Block - Rear
Heated Seat Module - Front Passenger
Heated Seat Module - LR and RR
Heated Seat Module - Front Passenger
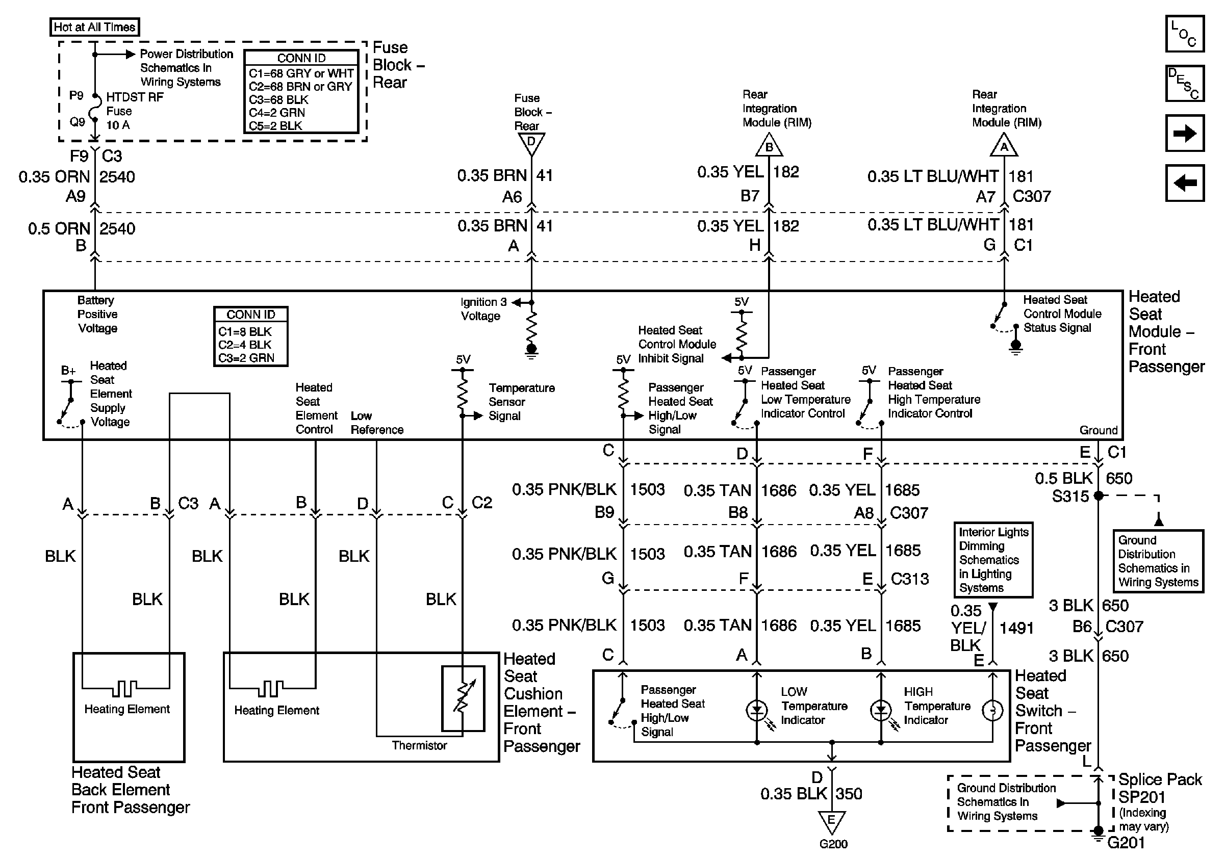
Figure 2:

Heated Seat Module - Front Passenger


Object Number: 792065  Size: FS
Master Electrical Component List
Heated Seats Description and Operation
Heated Seat Module - LR and RR
Heated Seat Module - Driver
G201 3 of 5 (LH Drive)
G201 3 of 5 (LH Drive)
Ashtray Lamp and Steering Wheel Controls
Heated Seat Module - Driver
Battery Feed to Fuse Block - Rear
Heated Seat Module - Driver
Heated Seat Module - Driver
Heated Seat Module - Driver
Figure 3:

Heated Seat Module - LR and RR


Object Number: 792066  Size: FS
Master Electrical Component List
Heated Seats Description and Operation
Heated Seat Switch - LR and RR
Heated Seat Module - Front Passenger
G301
G301
Battery Feed to Fuse Block - Rear
Heated Seat Module - Driver
Battery Feed to Fuse Block - Rear
Battery Feed to Fuse Block - Rear
Figure 4:

Heated Seat Switch - LR and RR


Object Number: 792067  Size: FS
Master Electrical Component List
Heated Seats Description and Operation
Heated Seat Module - LR and RR
Rear Door Dimming
Class 2 Serial Data Line (LH Drive) (2 of 2)
Rear Door Dimming
Power Door Serial Data
Power Door Serial Data