GM Service Manual Online
For 1990-2009 cars only
Figure 1:

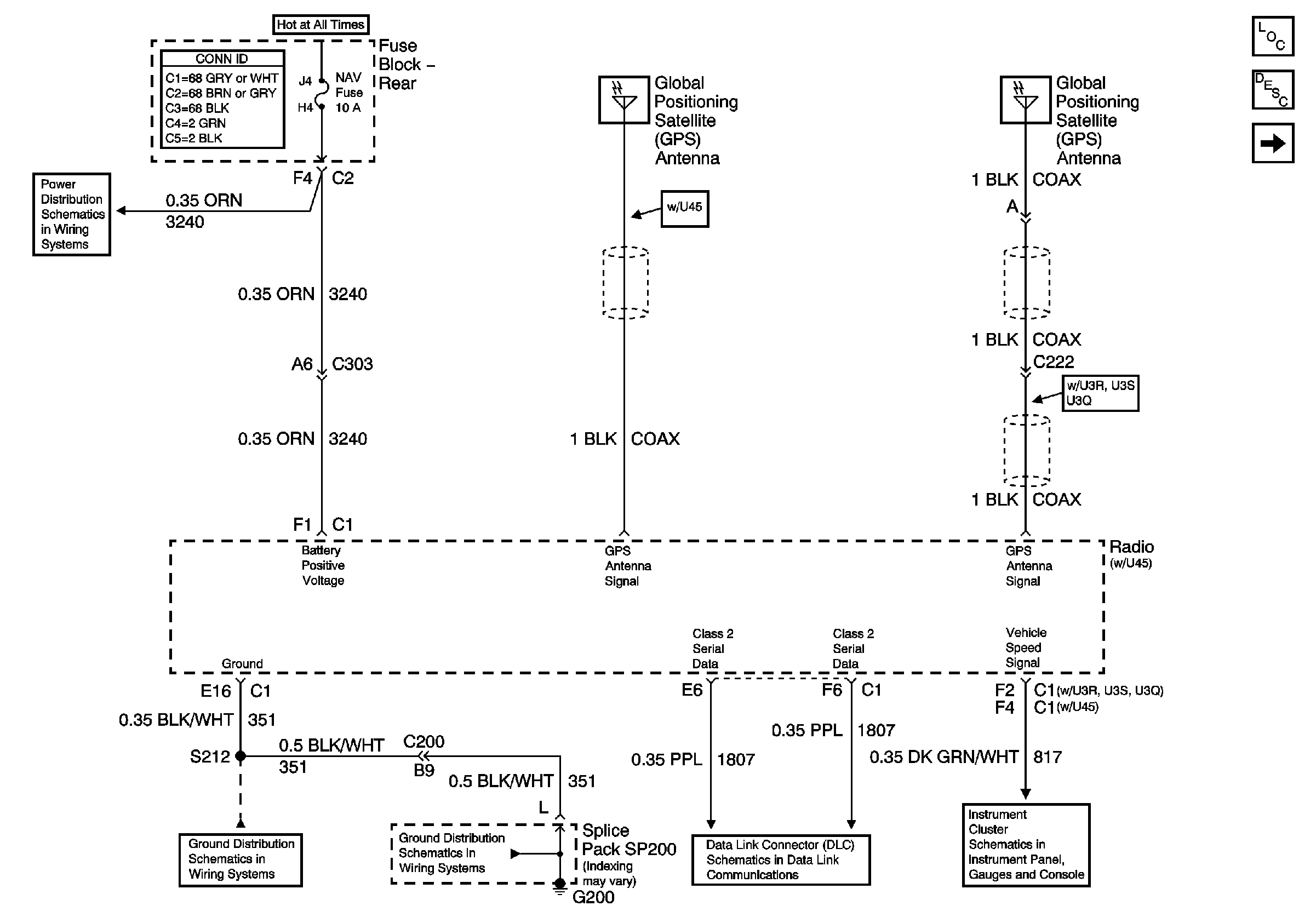
Power, Ground, Components and GPS


Object Number: 788000  Size: FS
Master Electrical Component List
Navigation System Description and Operation
Auxiliary RCA Video Jacks and Export Microphone
PCM Signals
Class 2 Serial Data Line (LH Drive) (1 of 2)
G200
G200
NAV and EXPORT BRK Fuses
Figure 2:

Auxiliary RCA Video Jacks and Export Microphone


Object Number: 788001  Size: FS
Master Electrical Component List
Navigation System Description and Operation
Domestic Microphone
Power, Ground, Components and GPS
Figure 3:

Domestic Microphone


Object Number: 788003  Size: FS
Master Electrical Component List
Navigation System Description and Operation
TV Antenna Module
Auxiliary RCA Video Jacks and Export Microphone
Figure 4:

TV Antenna Module


Object Number: 788004  Size: FS
Master Electrical Component List
Navigation System Description and Operation
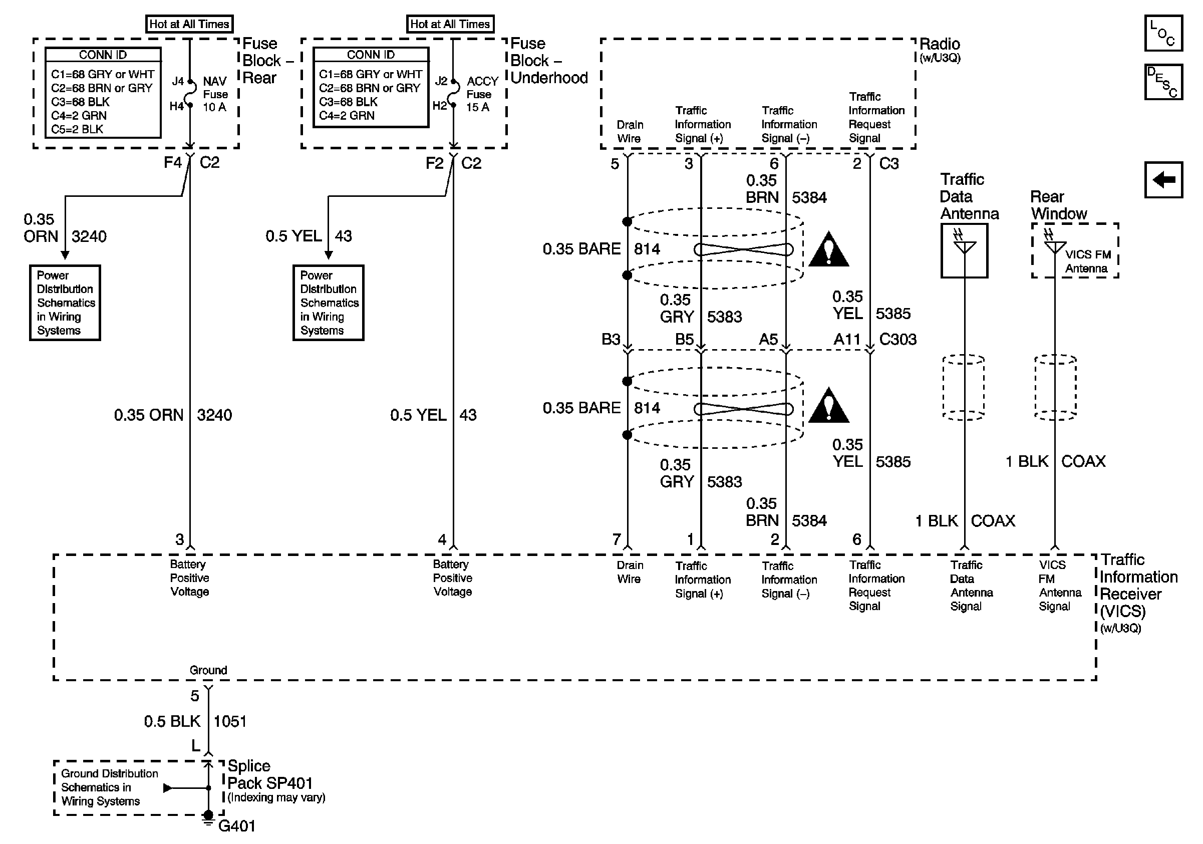
Traffic Information Receiver (VICS)
Domestic Microphone
Figure 5:

Traffic Information Receiver (VICS)


Object Number: 788006  Size: FS
TV Antenna Module