GM Service Manual Online
For 1990-2009 cars only
Figure 1:

Power, Ground, and Class 2


Object Number: 790357  Size: FS
Master Electrical Component List
Cellular Telephone Description and Operation
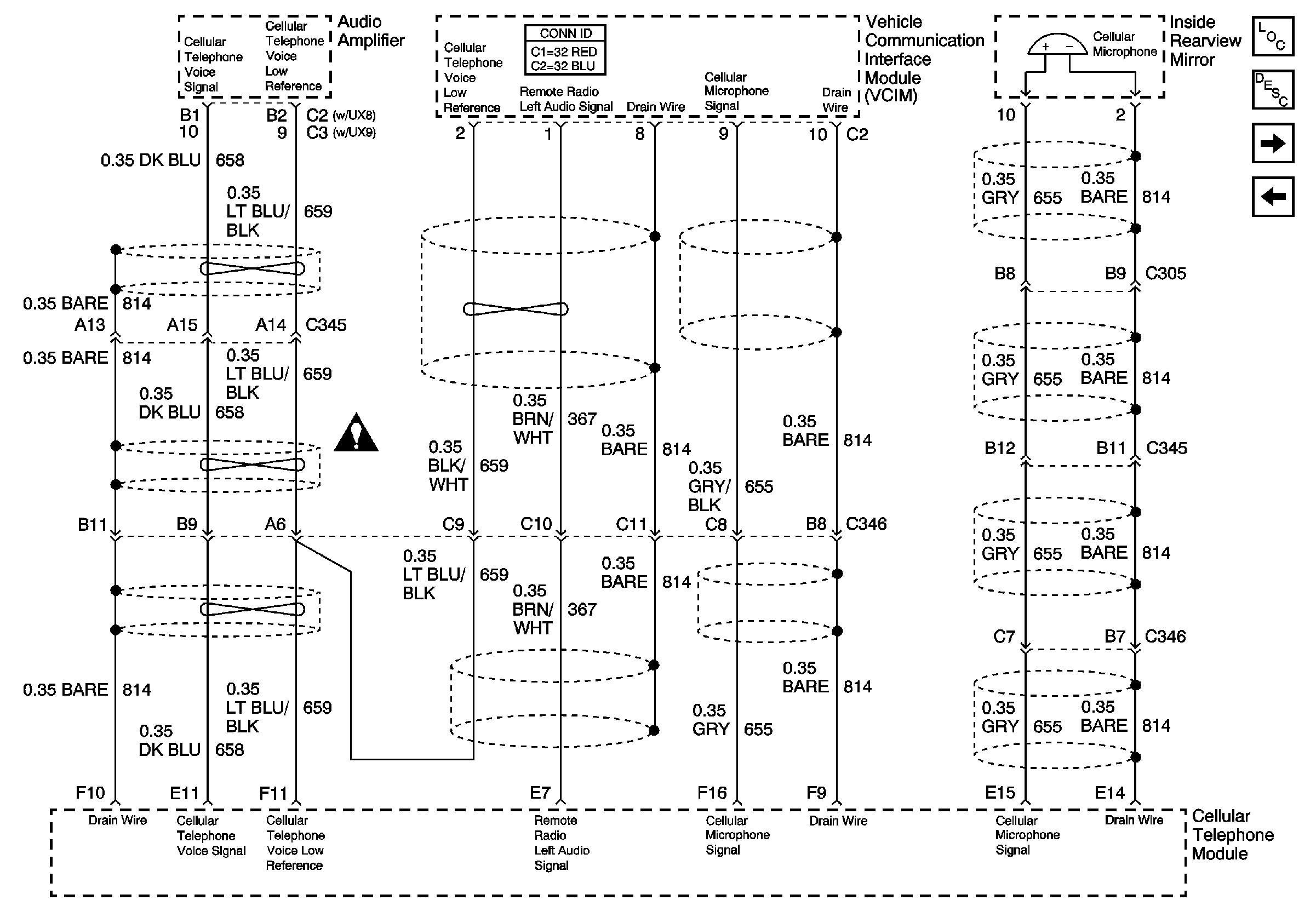
Vehicle Communication Interface Module (VCIM), Microphone, Audio Amplifier
G401 1 of 3
G401 1 of 3
Class 2 Serial Data Line (LH Drive) (2 of 2)
AUDIO, AUDIO AMP, DIM Fuses
Battery Feed to Fuse Block - Rear
Battery Feed to Fuse Block - Rear
Figure 2:

Vehicle Communication Interface Module (VCIM), Microphone, Audio Amplifier


Object Number: 789520  Size: FS
Master Electrical Component List
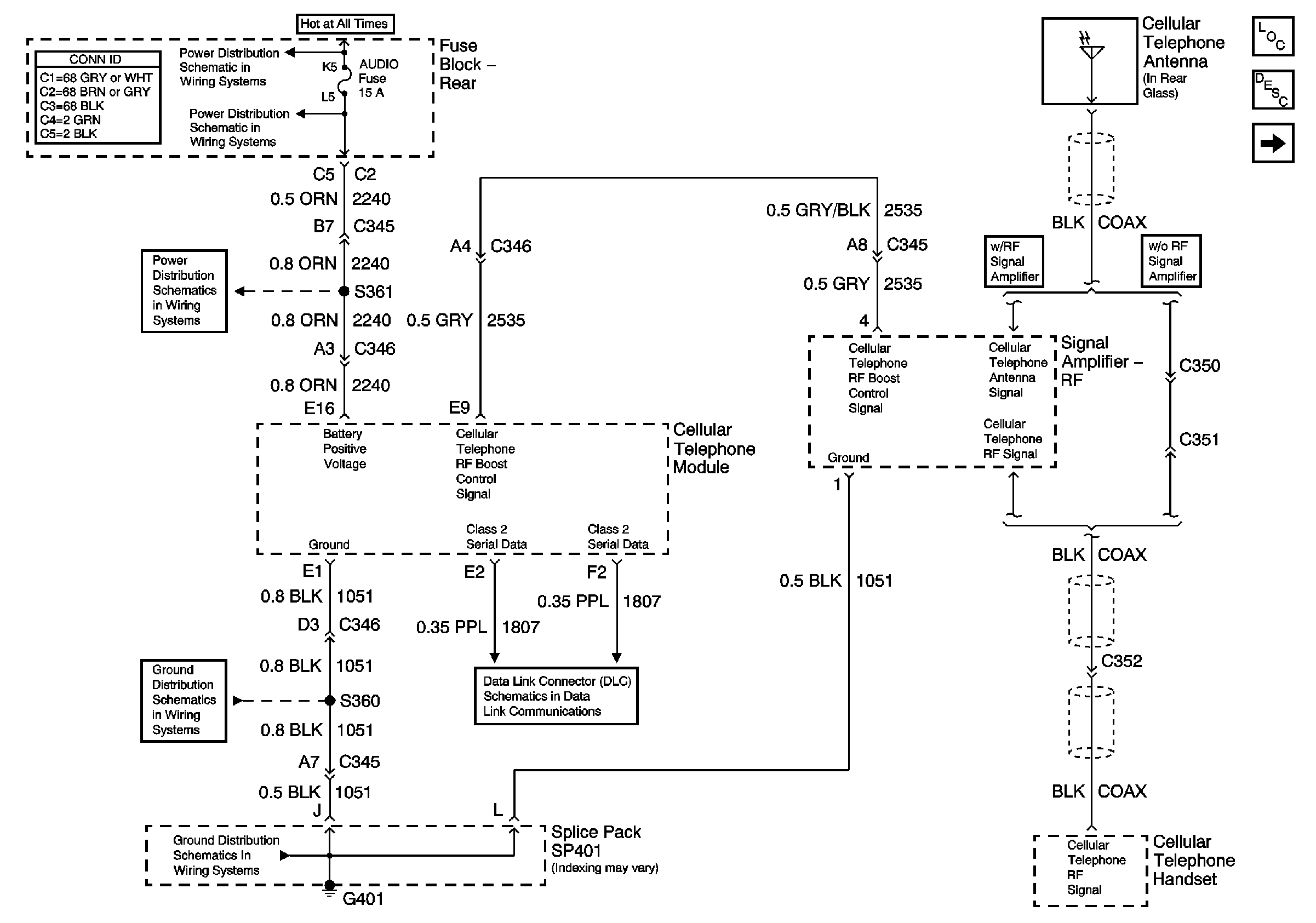
Cellular Telephone Description and Operation
Cellular Telephone Interface Board
Power, Ground, and Class 2
Cellular Communication Schematic Icons
Figure 3:

Cellular Telephone Interface Board


Object Number: 789521  Size: FS
Master Electrical Component List
Cellular Telephone Description and Operation
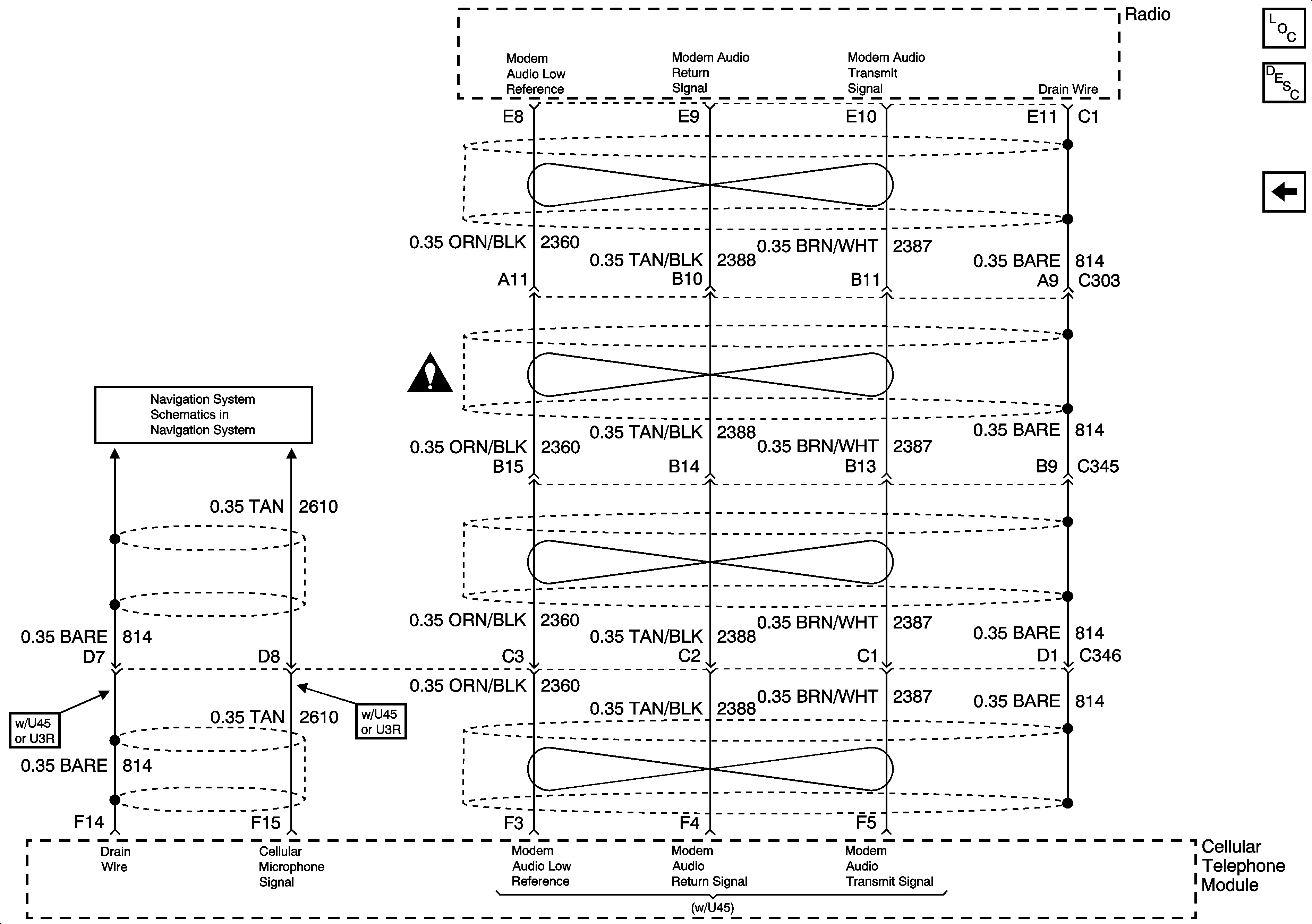
Web Radio
Vehicle Communication Interface Module (VCIM), Microphone, Audio Amplifier
Cellular Communication Schematic Icons
Figure 4:

Web Radio


Object Number: 789523  Size: FS
Master Electrical Component List
Cellular Telephone Description and Operation
Cellular Telephone Interface Board
Cellular Communication Schematic Icons