GM Service Manual Online
For 1990-2009 cars only
Makes
🢒
Cadillac
🢒
2002
🢒
Seville
🢒
Body and Accessories
🢒
Entertainment
🢒 OnStar Schematics
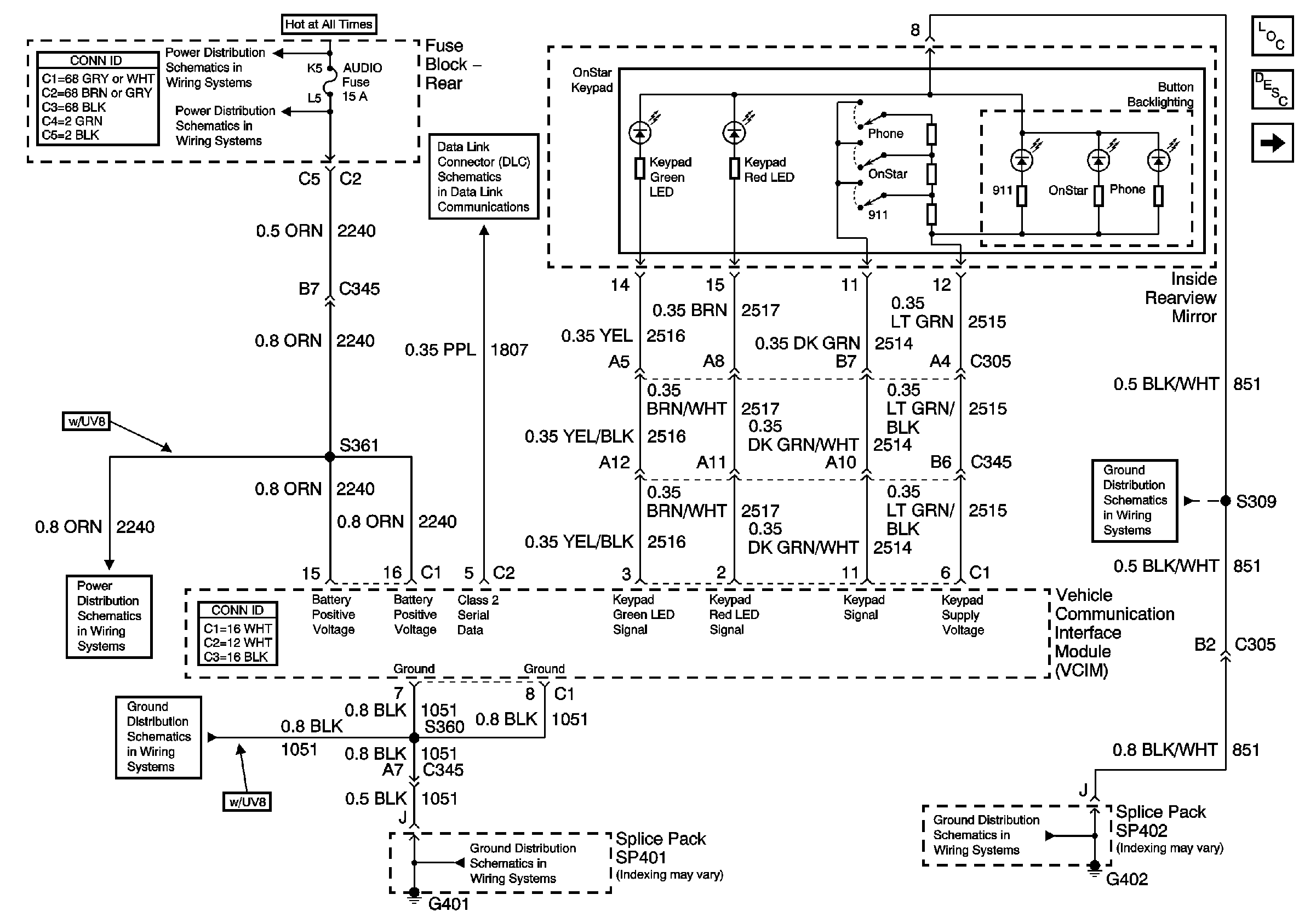
Figure
1:
Power, Ground, and Onstar Keypad
Master Electrical Component List
OnStar Description and Operation
Microphone and Audio Amplifier
G402 1 of 2
G402 1 of 2
G401 1 of 3
G401 1 of 3
AUDIO, AUDIO AMP, DIM Fuses
Battery Feed to Fuse Block - Rear
Battery Feed to Fuse Block - Rear
Class 2 Serial Data Line (LH Drive) (2 of 2)
Figure
2:
Microphone and Audio Amplifier
Master Electrical Component List
OnStar Description and Operation
Power, Ground, and Onstar Keypad
Vehicle Communication Interface Module (VCIM), Microphone, Audio Amplifier
Vehicle Communication Interface Module (VCIM), Microphone, Audio Amplifier
Domestic Microphone
G303, G304, G306 and G307