GM Service Manual Online
For 1990-2009 cars only
Figure 1:

Power and Ground (w/UX8)


Object Number: 790690  Size: FS
Master Electrical Component List
Radio/Audio System Description and Operation
Digital Radio Receiver (U2K)
G300
Class 2 Serial Data Line (LH Drive) (1 of 2)
G201 2 of 3
G201 2 of 3
Remote Playback Device-CD Changer (w/UX8)
DIC and Headlamp Switch
Battery Feed to Fuse Block - Rear
Microphone and Audio Amplifier
Vehicle Communication Interface Module (VCIM), Microphone, Audio Amplifier
Figure 2:

Remote Playback Device-CD Changer (w/UX8)


Object Number: 790691  Size: FS
Master Electrical Component List
Radio/Audio System Description and Operation
Audio Amplifier (w/UX8)
Digital Radio Receiver (U2K)
Entertainment Schematic Icons
Entertainment Schematic Icons
G300
Class 2 Serial Data Line (LH Drive) (1 of 2)
Figure 3:

Audio Amplifier (w/UX8)


Object Number: 795971  Size: FS
Master Electrical Component List
Radio/Audio System Description and Operation
Front Speakers (w/UX8)
Remote Playback Device-CD Changer (w/UX8)
Entertainment Schematic Icons
Entertainment Schematic Icons
Entertainment Schematic Icons
Entertainment Schematic Icons
Entertainment Schematic Icons
Entertainment Schematic Icons
Figure 4:

Front Speakers (w/UX8)


Object Number: 795972  Size: FS
Master Electrical Component List
Radio/Audio System Description and Operation
Rear Speakers (w/UX8)
Audio Amplifier (w/UX8)
Entertainment Schematic Icons
Entertainment Schematic Icons
Entertainment Schematic Icons
Entertainment Schematic Icons
Entertainment Schematic Icons
Entertainment Schematic Icons
Figure 5:

Rear Speakers (w/UX8)


Object Number: 795973  Size: FS
Master Electrical Component List
Radio/Audio System Description and Operation
Power and Ground (w/UX9/U3R, U3S, U3Q)
Front Speakers (w/UX8)
Entertainment Schematic Icons
Entertainment Schematic Icons
Entertainment Schematic Icons
Entertainment Schematic Icons
Entertainment Schematic Icons
Figure 6:

Power and Ground (w/UX9/U3R, U3S, U3Q)


Object Number: 790693  Size: FS
Master Electrical Component List
Radio/Audio System Description and Operation
Digital Radio Receiver (U2K)
Rear Speakers (w/UX8)
G300
Class 2 Serial Data Line (LH Drive) (1 of 2)
G200
G200
Remote Playback Device-CD Changer (w/UX9/U3R, U3S, U3Q)
AUDIO, AUDIO AMP, DIM Fuses
Battery Feed to Fuse Block - Rear
NAV and EXPORT BRK Fuses
Vehicle Communication Interface Module (VCIM), Microphone, Audio Amplifier
Microphone and Audio Amplifier
Figure 7:

Digital Radio Receiver (U2K)


Object Number: 800505  Size: FS
Master Electrical Component List
Radio/Audio System Description and Operation
Entertainment Schematic Icons
Entertainment Schematic Icons
Entertainment Schematic Icons
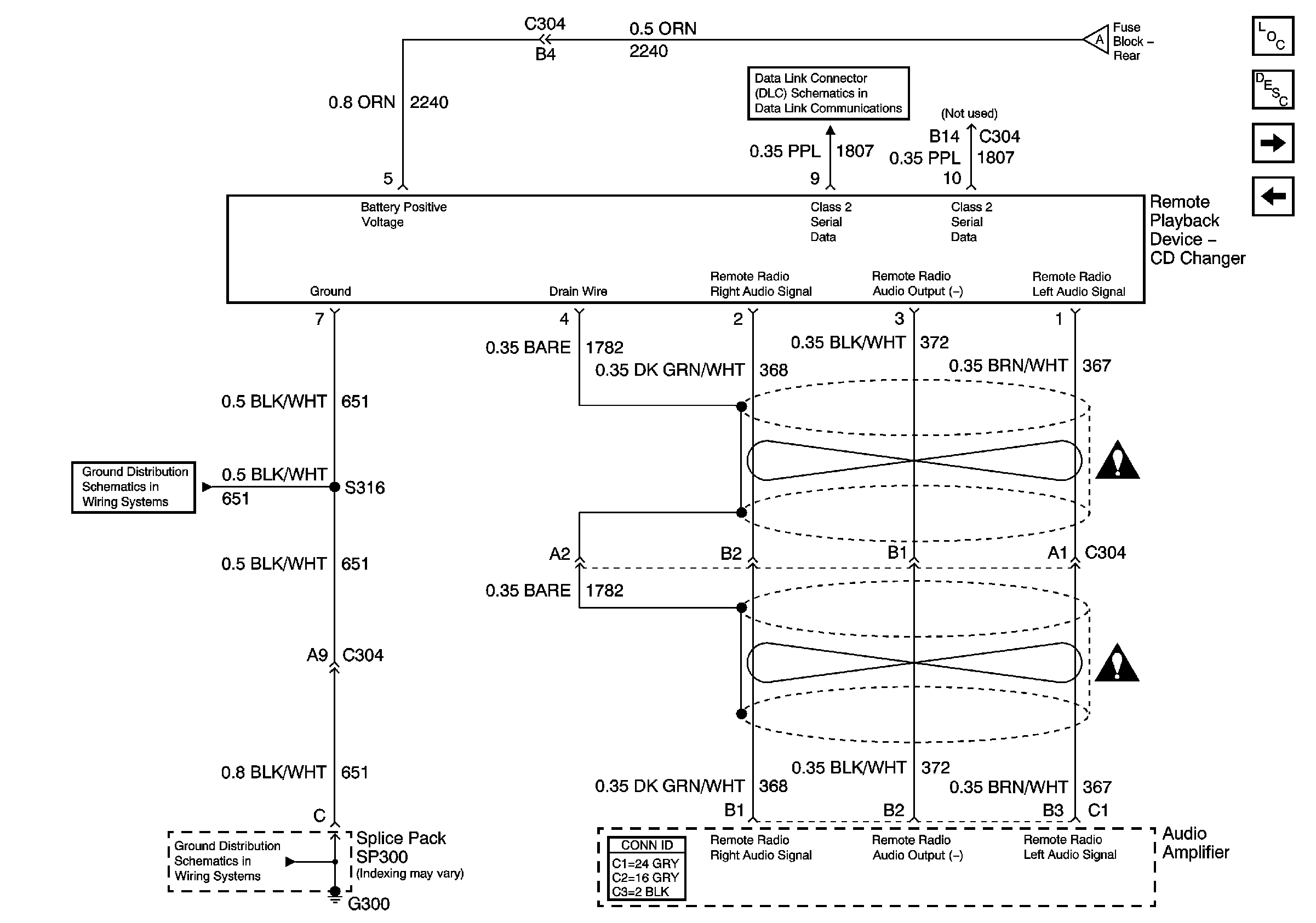
Figure 8:

Remote Playback Device-CD Changer (w/UX9/U3R, U3S, U3Q)


Object Number: 790695  Size: FS
Master Electrical Component List
Radio/Audio System Description and Operation
Audio Amplifier (w/UX9/U3R, U3S, U3Q)
Digital Radio Receiver (U2K)
Entertainment Schematic Icons
Entertainment Schematic Icons
G300
G300
Class 2 Serial Data Line (LH Drive) (1 of 2)
Power and Ground (w/UX9/U3R, U3S, U3Q)
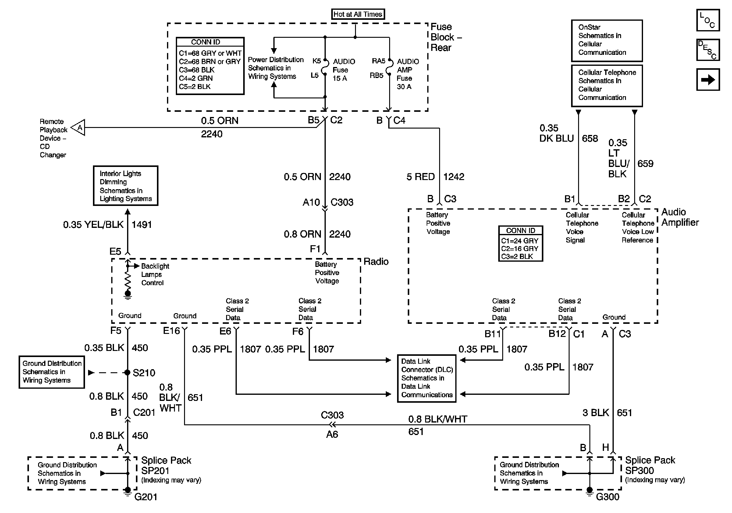
Figure 9:

Audio Amplifier (w/UX9/U3R, U3S, U3Q)


Object Number: 790696  Size: FS
Master Electrical Component List
Radio/Audio System Description and Operation
Speakers (w/UX9/U3R, U3S, U3Q)
Remote Playback Device-CD Changer (w/UX9/U3R, U3S, U3Q)
Entertainment Schematic Icons
Entertainment Schematic Icons
Entertainment Schematic Icons
Entertainment Schematic Icons
Entertainment Schematic Icons
Entertainment Schematic Icons
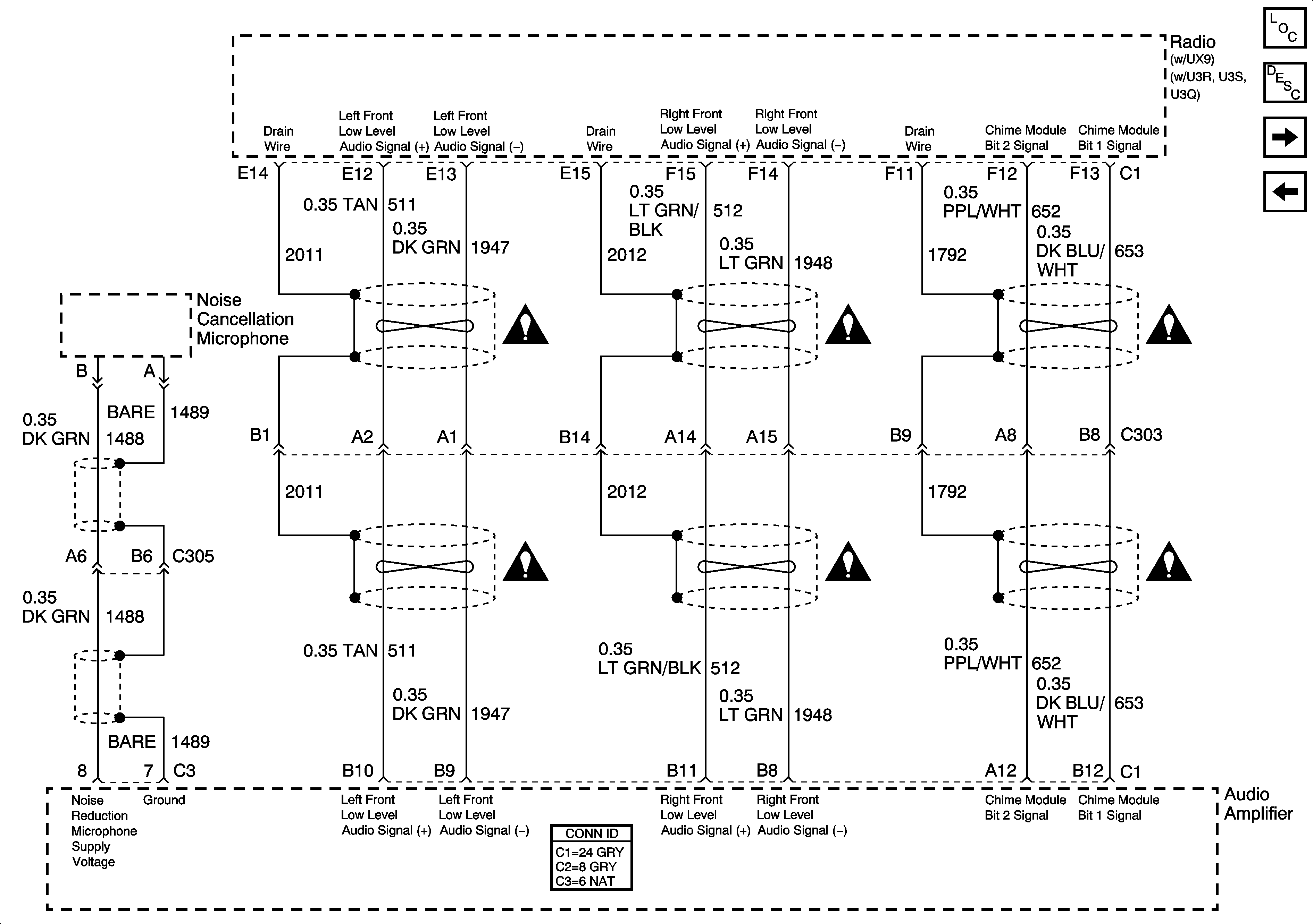
Figure 10:

Speakers (w/UX9/U3R, U3S, U3Q)


Object Number: 795974  Size: FS
Master Electrical Component List
Radio/Audio System Description and Operation
Window Antennas
Audio Amplifier (w/UX9/U3R, U3S, U3Q)
Entertainment Schematic Icons
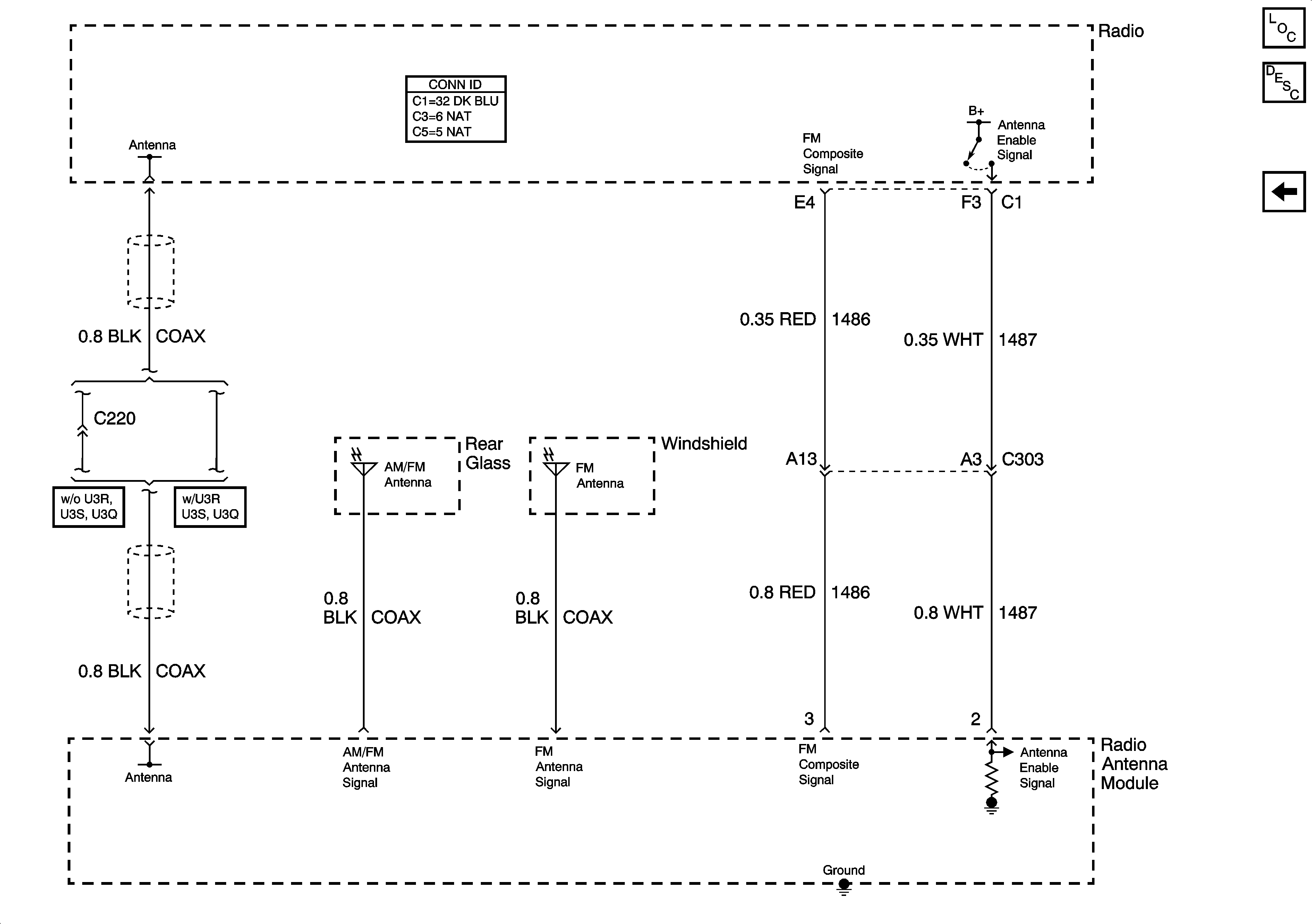
Figure 11:

Window Antennas


Object Number: 790830  Size: FS
Master Electrical Component List
Radio/Audio System Description and Operation
Speakers (w/UX9/U3R, U3S, U3Q)