GM Service Manual Online
For 1990-2009 cars only
Makes
🢒
Cadillac
🢒
2002
🢒
Seville
🢒
Body and Accessories
🢒
Wiring Systems
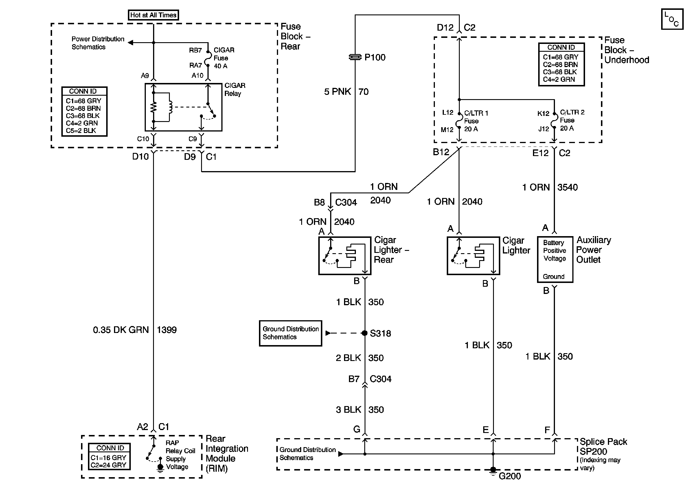
🢒 Cigar Lighter/Power Outlet Schematics
Cigar Lighter/Auxiliary Outlets
Master Electrical Component List
G200 and G202
G200 and G202
Battery Feed to Fuse Block - Rear