GM Service Manual Online
For 1990-2009 cars only
Makes
🢒
Cadillac
🢒
2002
🢒
Seville
🢒 Generator Controls
Generator Controls
Generator Controls
Master Electrical Component List
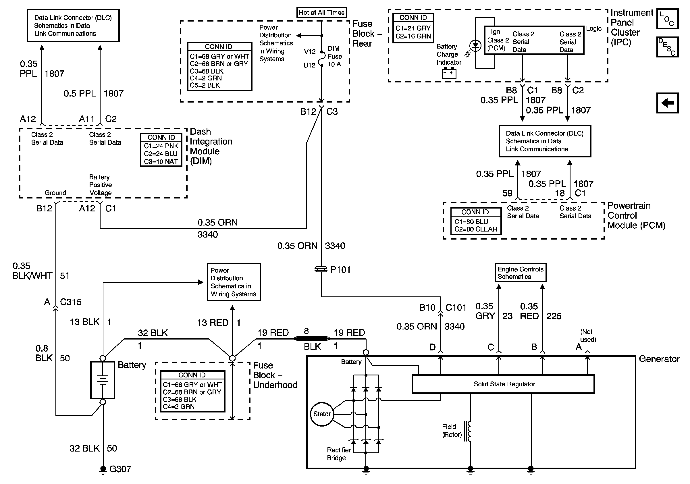
Charging System Description and Operation
Starting Controls
Controlled/Monitored Subsystem References
Battery Feed to Fuse Block - Underhood
Battery Feed to Fuse Block - Rear