GM Service Manual Online
For 1990-2009 cars only
Makes
🢒
Cadillac
🢒
2002
🢒
Seville
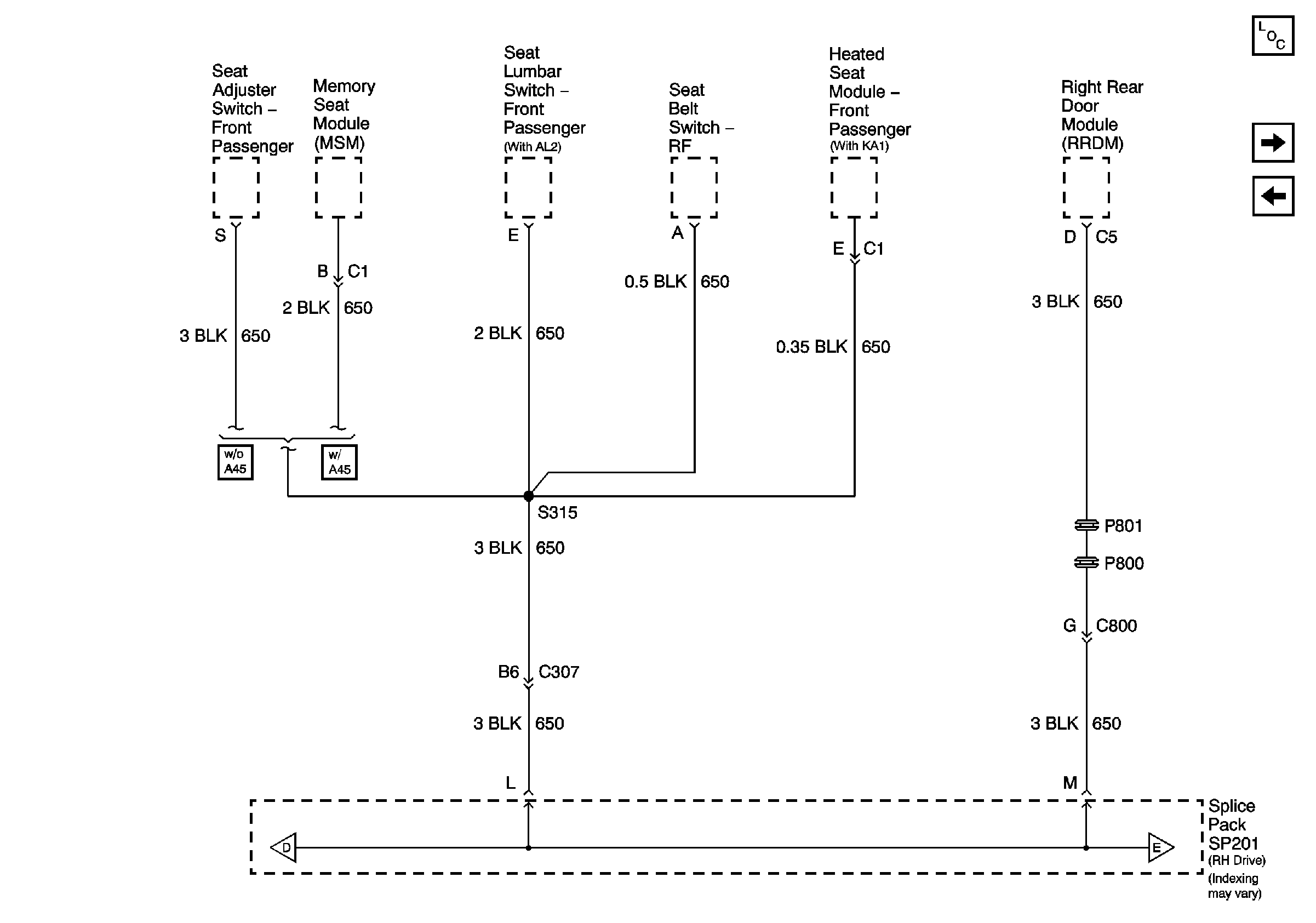
🢒 G201 4 of 5 (RH Drive)
G201 4 of 5 (RH Drive)
G201 4 of 5 (RH Drive)
Master Electrical Component List
G201 3 of 3
G201 3 of 5 (LH Drive)
G201 3 of 3
G201 3 of 5 (LH Drive)