GM Service Manual Online
For 1990-2009 cars only
Makes
🢒
Cadillac
🢒
2002
🢒
Seville
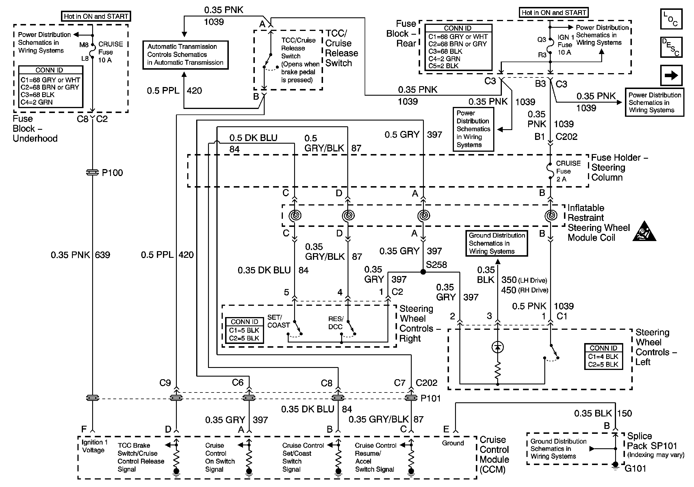
🢒 Cruise Control Module (CCM) Power and Ground
Cruise Control Module (CCM) Power and Ground
Cruise Control Module (CCM) Power and Ground
Master Electrical Component List
Cruise Control Description and Operation
PCM Controls and Class 2
IGN 1 Fuse
G101 and G105
Battery Feed to Fuse Block - Underhood
TCC/Cruise Release Switch and Transaxle Solenoids
Battery Feed to Fuse Block - Rear