GM Service Manual Online
For 1990-2009 cars only
Makes
🢒
Cadillac
🢒
2002
🢒
Seville
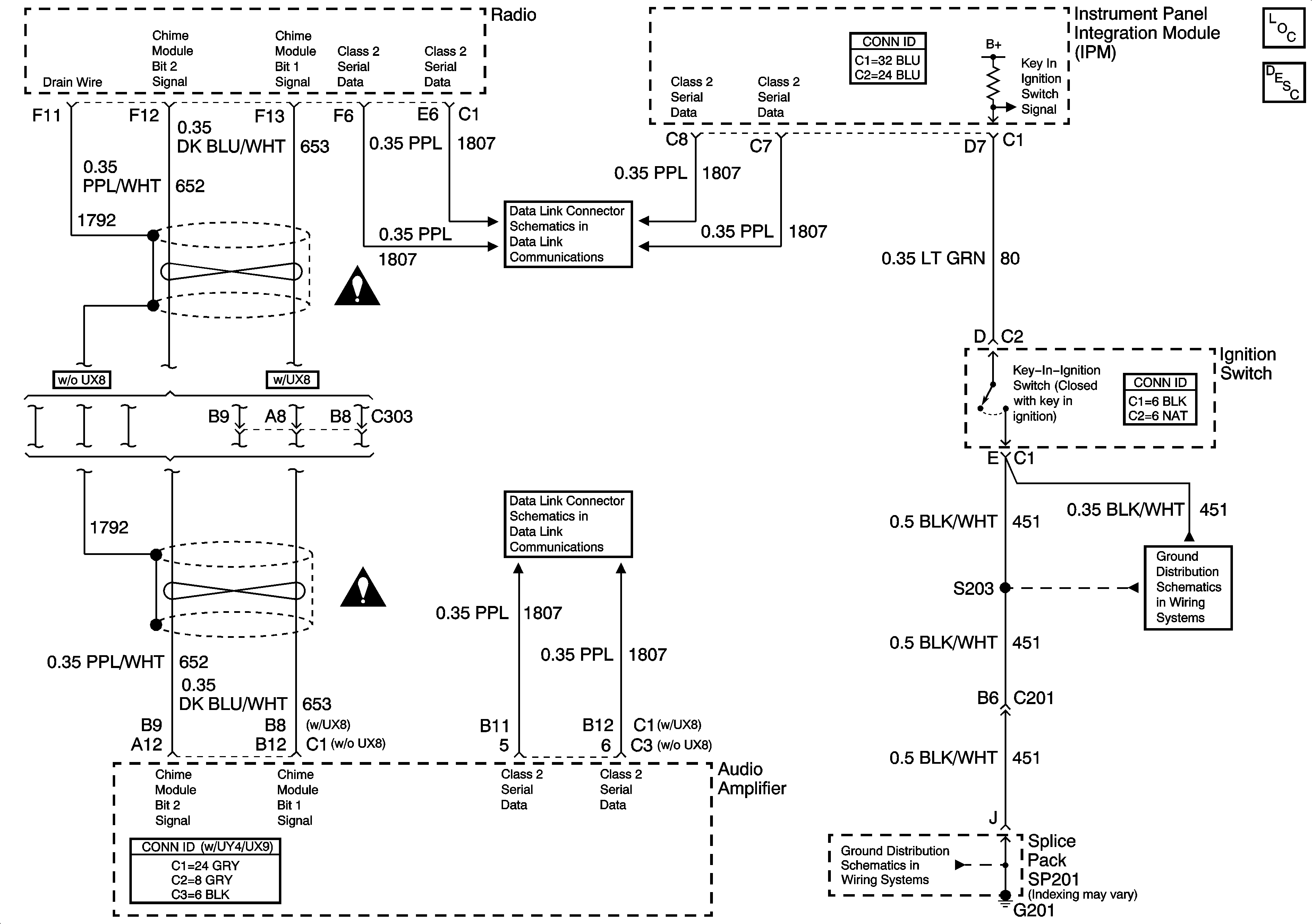
🢒 Radio and Ignition Switch Audible Warnings
Radio and Ignition Switch Audible Warnings
Master Electrical Component List
Audible Warnings Description and Operation
G202 1 of 3
G202 1 of 3
Instrument Panel, Gages, and Console Schematic Icons
Instrument Panel, Gages, and Console Schematic Icons
Class 2 Serial Data Line (LH Drive) (1 of 2)