GM Service Manual Online
For 1990-2009 cars only
Makes
🢒
Cadillac
🢒
2002
🢒
Seville
🢒 Left Exterior Lights
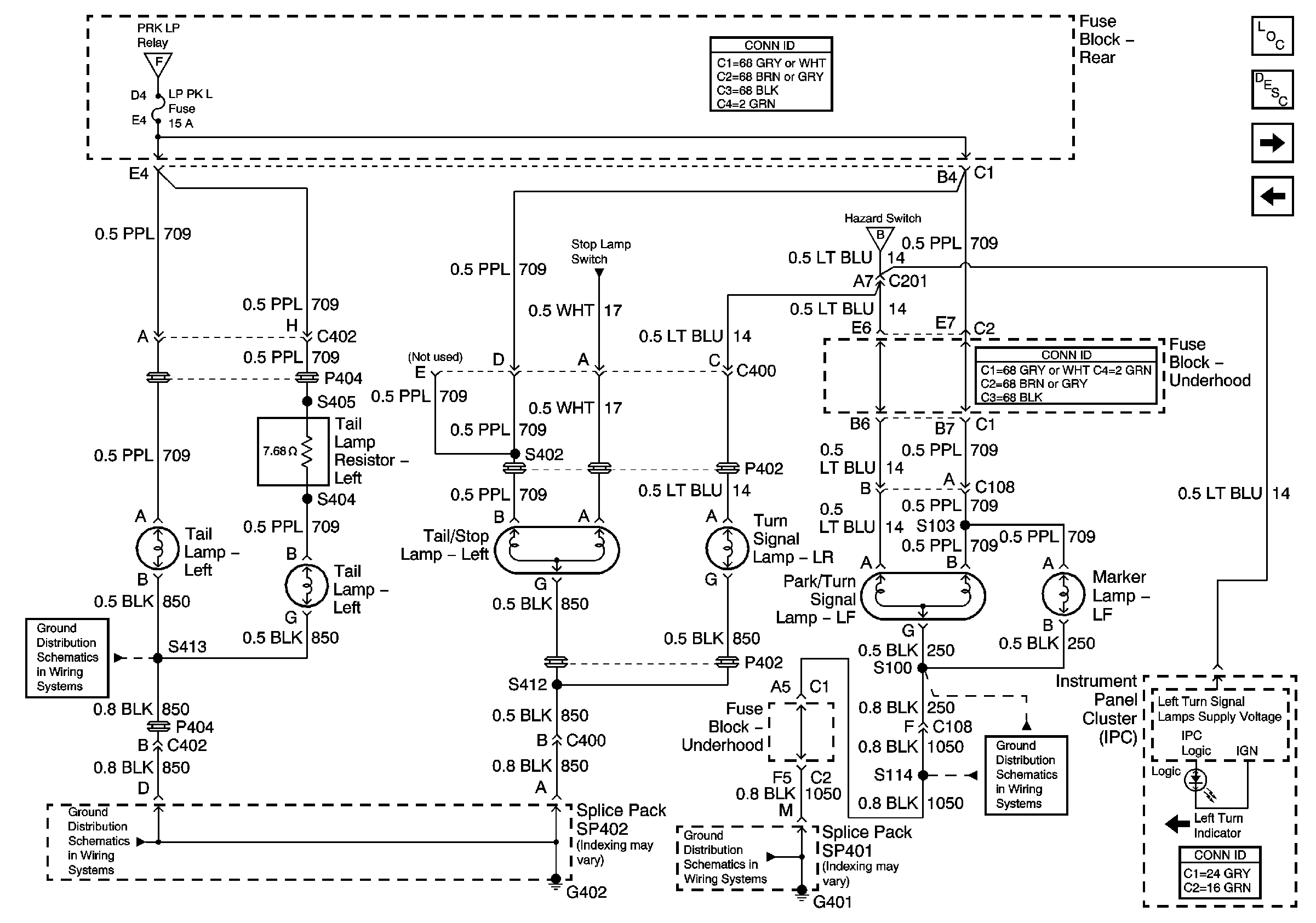
Left Exterior Lights
Left Exterior Lights
Master Electrical Component List
Exterior Lighting Systems Description and Operation
License, Underhood, and Cornering Lamps
Right Exterior Lights
G401 3 of 3
G401 3 of 3
G402 1 of 2
G402 2 of 2
Park Lamp and Class 2
Hazard Switch