GM Service Manual Online
For 1990-2009 cars only
Makes
🢒
Cadillac
🢒
2002
🢒
Seville
🢒 Backup Lights
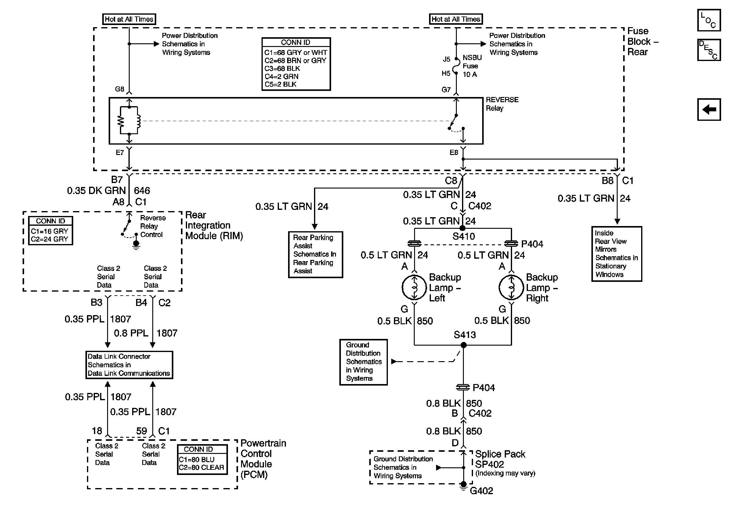
Backup Lights
Backup Lights
Master Electrical Component List
Exterior Lighting Systems Description and Operation
License, Underhood, and Cornering Lamps
Inside Rearview Mirror Power and Ground
G402 2 of 2
G402 2 of 2
Power and Ground
Class 2 Serial Data Line (LH Drive) (1 of 2)
Battery Feed to Fuse Block - Rear
Battery Feed to Fuse Block - Rear