GM Service Manual Online
For 1990-2009 cars only
Makes
🢒
Cadillac
🢒
2002
🢒
Seville
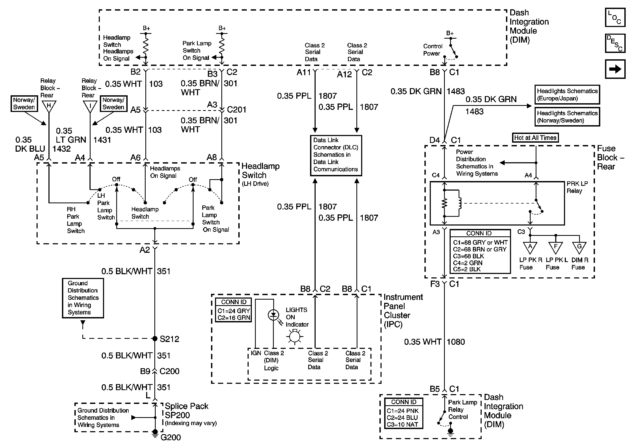
🢒 Park Lamp and Class 2
Park Lamp and Class 2
Park Lamp and Class 2
Master Electrical Component List
Exterior Lighting Systems Description and Operation
Park Lamp and Class 2 (RH Drive)
Low Beam Headlamps (Generation 3.0)
Low Beam Headlamps (Generation 2.5)
Battery Feed to Fuse Block - Rear
Right Exterior Lights
Left Exterior Lights
License, Underhood, and Cornering Lamps
G200
G200
Position Lamps
Class 2 Serial Data Line (LH Drive) (1 of 2)