GM Service Manual Online
For 1990-2009 cars only
Makes
🢒
Cadillac
🢒
2002
🢒
Seville
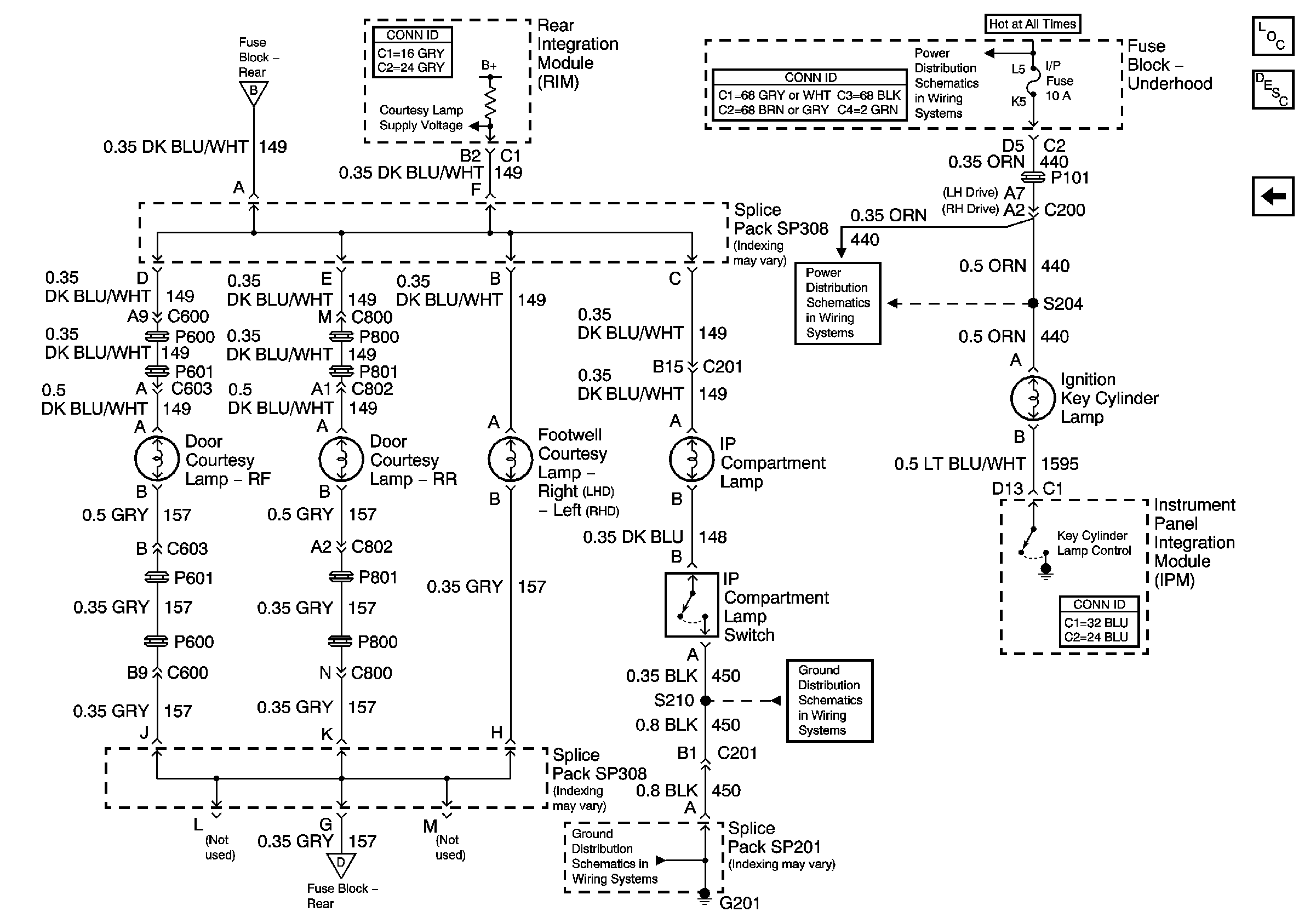
🢒 Right Courtesy, Compartment, and Ignition Key Cylinder Lamps
Right Courtesy, Compartment, and Ignition Key Cylinder Lamps
Right Courtesy, Compartment, and Ignition Key Cylinder Lamps
Master Electrical Component List
Interior Lighting Systems Description and Operation
Vanity and Reading Lamps; Interior Lamp Switch
ALDL, PCM BATT, IP, ABS Fuses
G201 2 of 3
G201 2 of 3
Interior Lamp Relays
Interior Lamp Relays
Battery Feed to Fuse Block - Underhood