GM Service Manual Online
For 1990-2009 cars only
Makes
🢒
Cadillac
🢒
2002
🢒
Seville
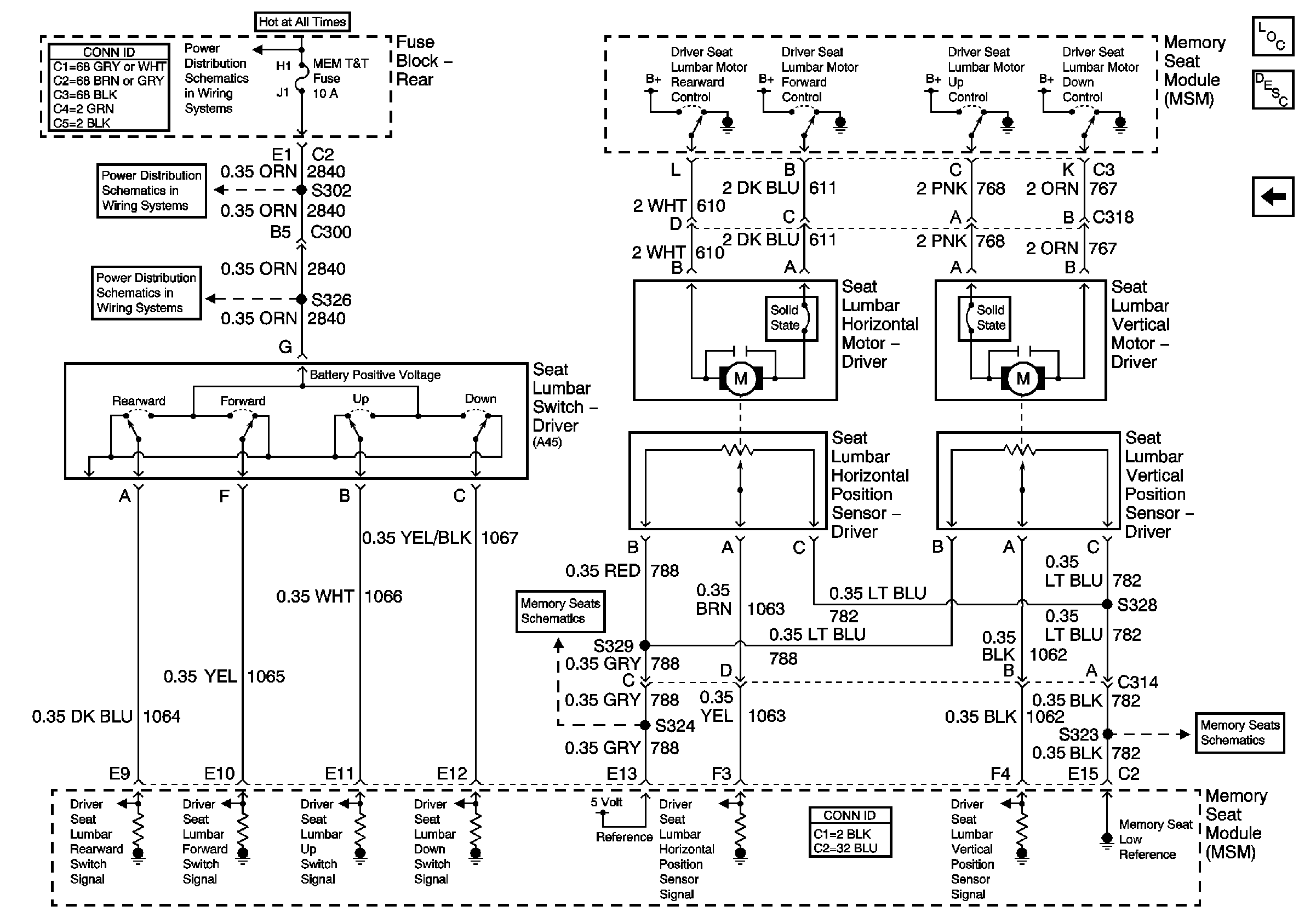
🢒 Seat Lumbar Switch - Driver and Memory Seat Module
Seat Lumbar Switch - Driver and Memory Seat Module
Seat Lumbar Switch - Driver and Memory Seat Module
Master Electrical Component List
Lumbar Support Description and Operation with A45
Seat Lumbar Switch - Driver and Front Passenger
Vertical and Horizontal Motors and Position Sensors
Vertical and Horizontal Motors and Position Sensors
MEM T&T, PWR T&T, and TSIG/HAZ Fuses
MEM T&T, PWR T&T, and TSIG/HAZ Fuses
Battery Feed to Fuse Block - Rear