GM Service Manual Online
For 1990-2009 cars only
Makes
🢒
Cadillac
🢒
2003
🢒
Seville
🢒
Suspension
🢒
Automatic Level Control
🢒 Automatic Level Control Schematics
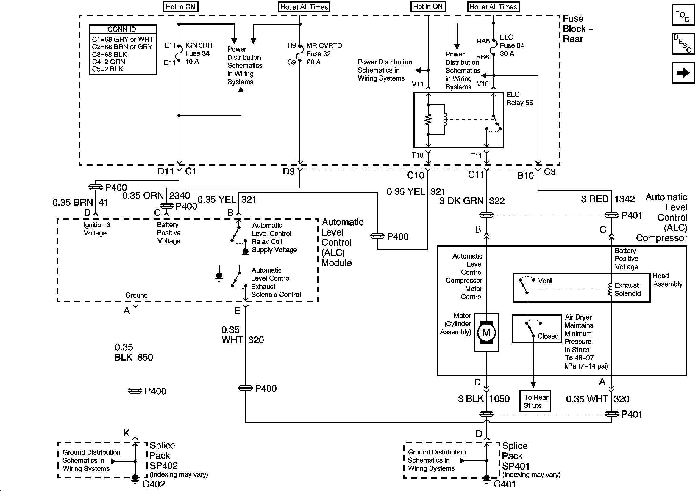
Figure
1:
Automatic Level Control (w/o F55)
Master Electrical Component List
Automatic Level Control Description and Operation w/ F55
Automatic Level Control (w/F55)
Battery Feed to Fuse Block - Rear
Ignition Switch Supply and HVAC and ABS Fuses
Battery Feed to Fuse Block - Rear
G402 (1 of 2)
G401 (1 of 3)
Figure
2:
Automatic Level Control (w/ F55)
Master Electrical Component List
Automatic Level Control Description and Operation w/ F55
Automatic Level Control (w/o F55)
Battery Feed to Fuse Block - Rear
G401 (1 of 3)