GM Service Manual Online
For 1990-2009 cars only
Makes
🢒
Cadillac
🢒
2003
🢒
Seville
🢒
Brakes
🢒
Hydraulic Brakes
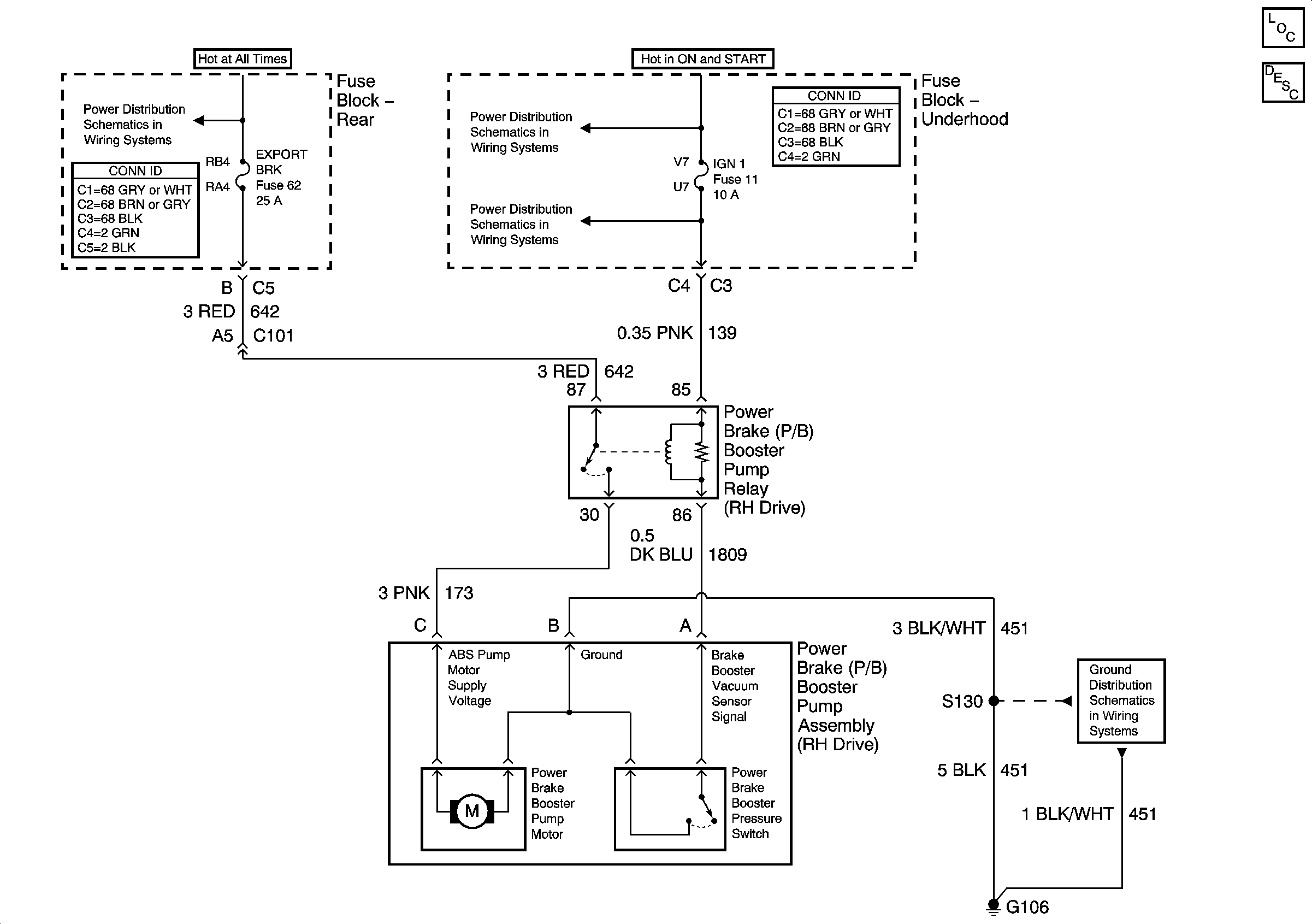
🢒 Power Brake Booster Pump Schematics
Master Electrical Component List
Brake Booster Pump Description and Operation Right Drive
Battery Feed to Fuse Block - Rear
Battery Feed to Fuse Block - Underhood
Battery Feed to Fuse Block - Underhood
G106