GM Service Manual Online
For 1990-2009 cars only
Makes
🢒
Cadillac
🢒
2003
🢒
Seville
🢒
Brakes
🢒
Park Brake
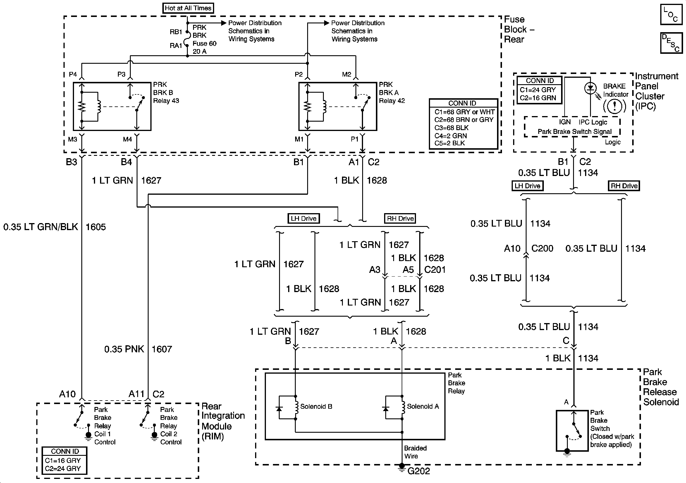
🢒 Park Brake System Schematics
Master Electrical Component List
Park Brake System Description and Operation
Battery Feed to Fuse Block - Rear
Ignition Switch Supply and HVAC and ABS Fuses