GM Service Manual Online
For 1990-2009 cars only
Makes
🢒
Cadillac
🢒
2003
🢒
Seville
🢒
Steering
🢒
Steering Wheel and Column
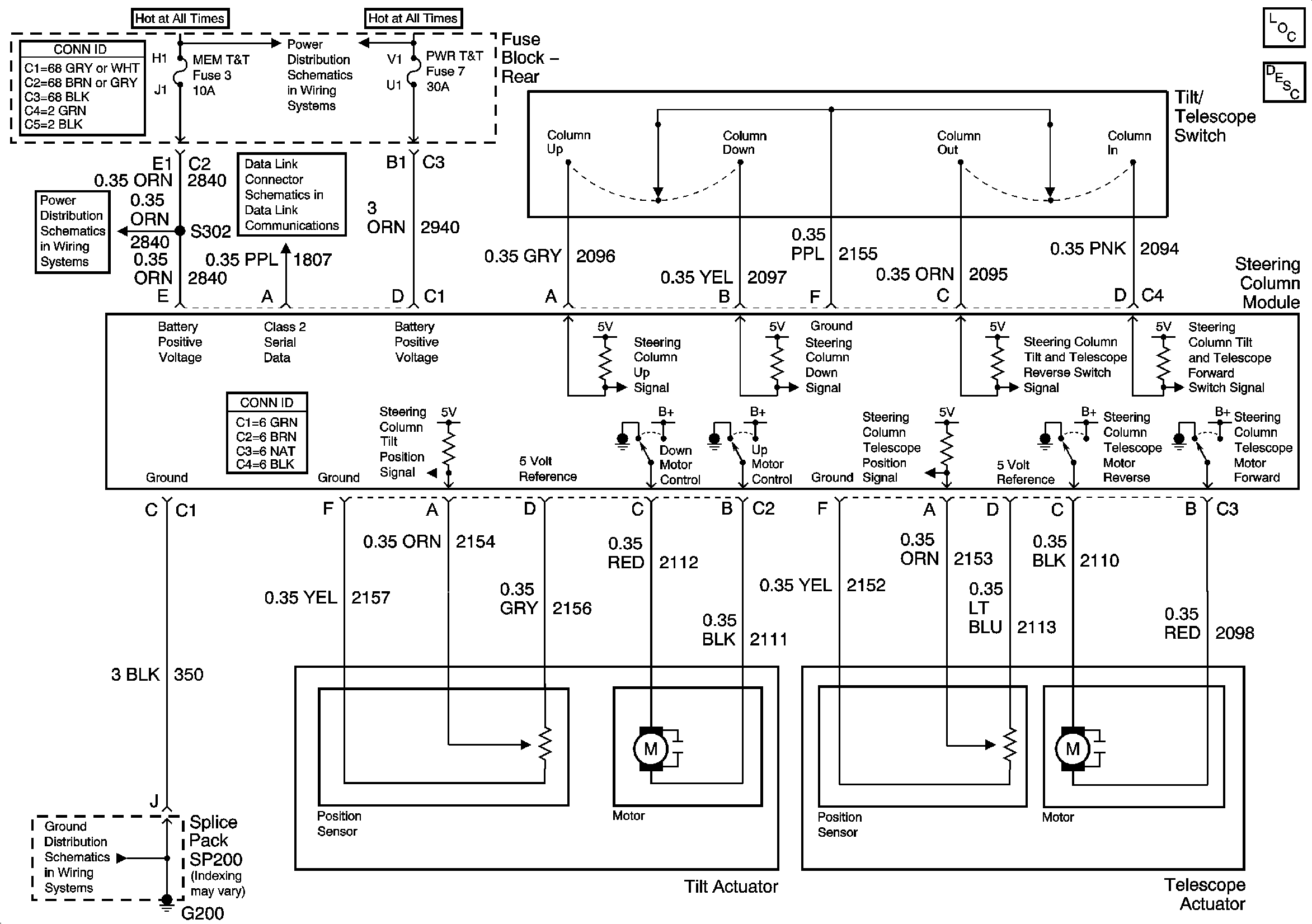
🢒 Tilt/Telescoping Steering Column Schematics
Master Electrical Component List
Steering Wheel and Column Description and Operation
Battery Feed to Fuse Block - Rear
MEM T/T, PWR T/T, and TSIG/HAZ Fuses
Serial Data Line (LH Drive) (2 of 2)
G200