GM Service Manual Online
For 1990-2009 cars only
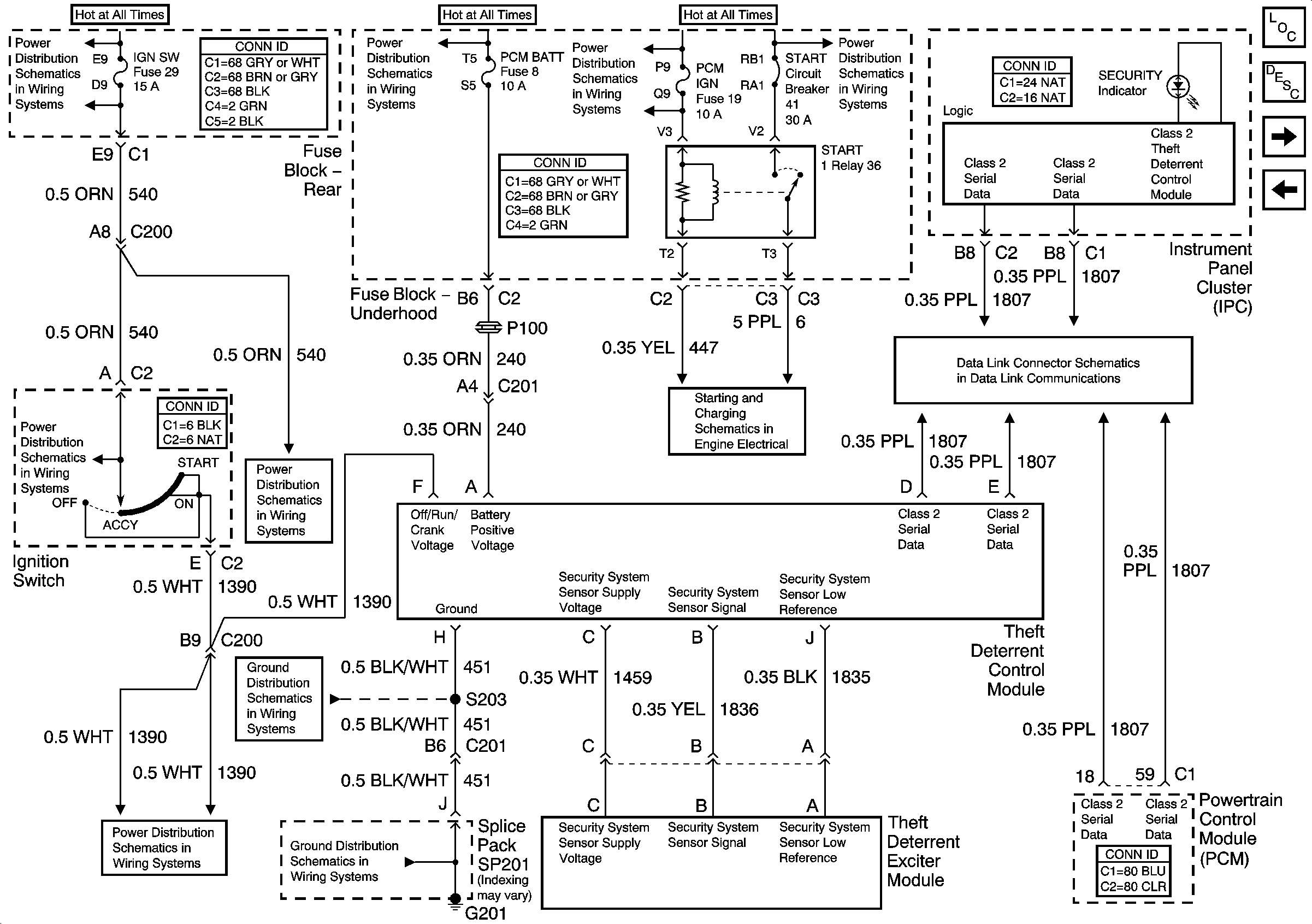
Figure 1:

Vehicle Theft Deterrent (VTD) System (LH Drive)


Object Number: 879909  Size: FS
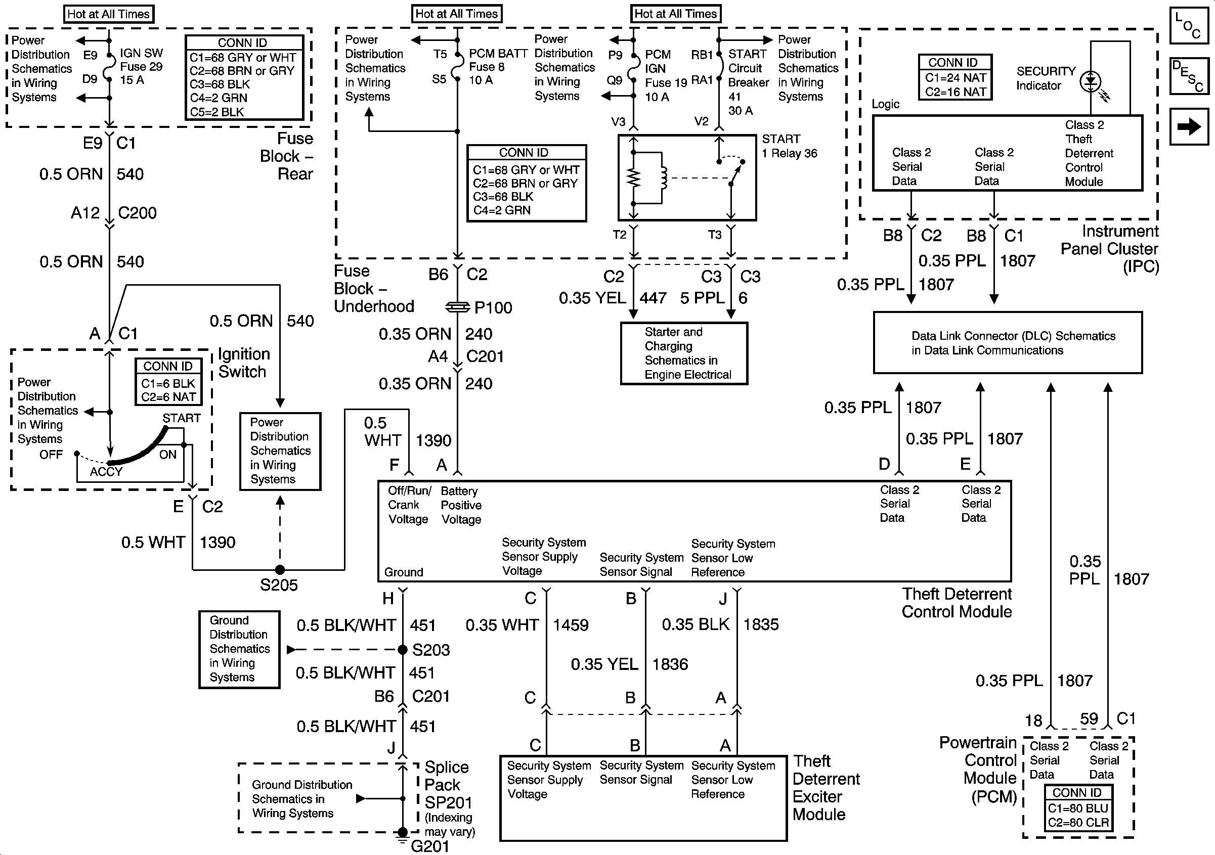
Figure 2:

Vehicle Theft Deterrent (VTD) System (RH Drive)


Object Number: 879910  Size: FS
Figure 3:

Content Theft Deterrent (CTD) System


Object Number: 794909  Size: FS
Figure 4:

Class 2 and Tamper Switches


Object Number: 792096  Size: FS