GM Service Manual Online
For 1990-2009 cars only
Figure 1:

Power and Ground (U1R/UM5/UM9/UL6)


Object Number: 879884  Size: FS
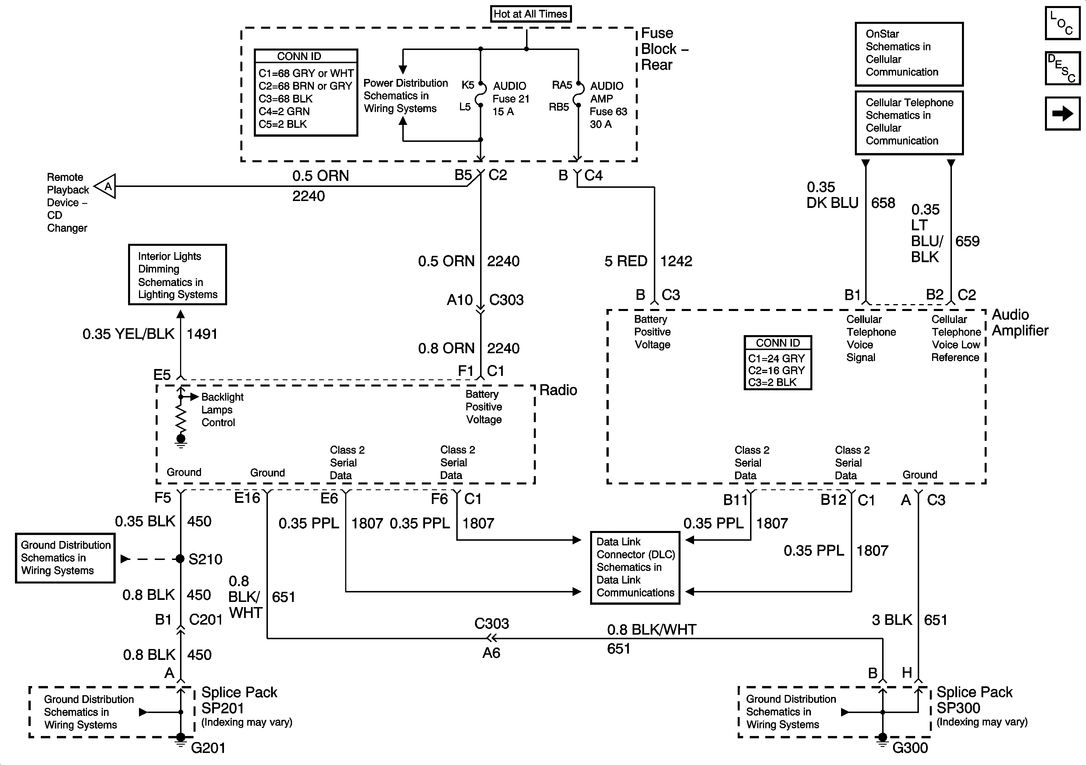
Figure 2:

Remote Playback Device- CD Changer (UX8) LH Drive


Object Number: 790691  Size: FS
Figure 3:

Audio Amplifier (UX8)


Object Number: 795971  Size: FS
Figure 4:

Front Speakers (UX8)


Object Number: 795972  Size: FS
Figure 5:

Rear Speakers (UX8)


Object Number: 795973  Size: FS
Figure 6:

Power and Ground (U3R/U3S/U3Q)


Object Number: 879885  Size: FS
Figure 7:

Digital Radio Receiver (U2K) (UX9) LH Drive


Object Number: 800505  Size: FS
Figure 8:

Remote Playback Device- CD Changer (UX9) RH Drive


Object Number: 790695  Size: FS
Figure 9:

Audio Amplifier (UX9)


Object Number: 790696  Size: FS
Figure 10:

Speakers (UX9)


Object Number: 795974  Size: FS
Figure 11:

Radio Antenna


Object Number: 790830  Size: FS