GM Service Manual Online
For 1990-2009 cars only
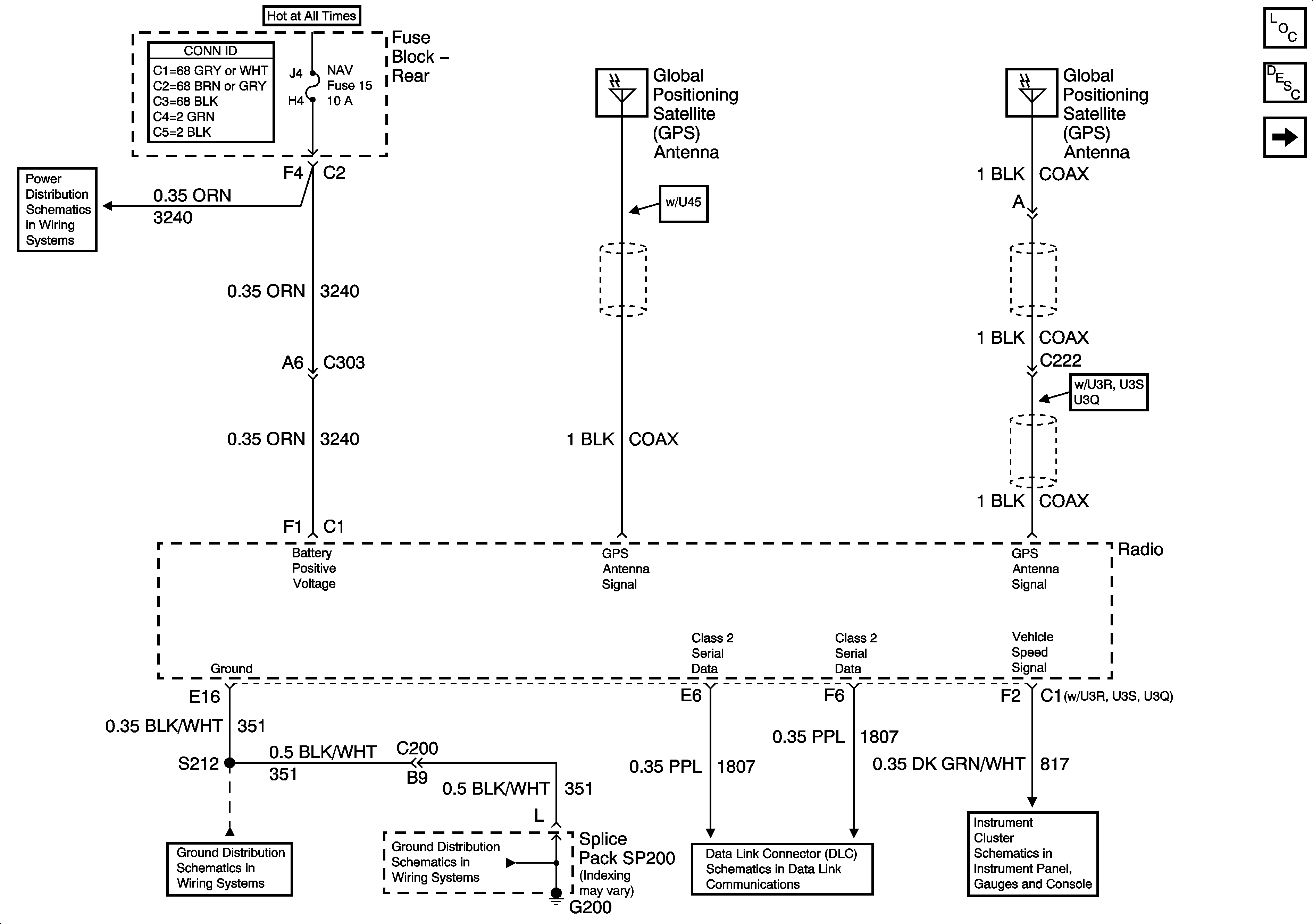
Figure 1:

Power, Ground, Components, and GPS


Object Number: 879889  Size: FS
Figure 2:

Auxiliary RCA Video Jacks and Export Microphone


Object Number: 788001  Size: FS
Figure 3:

Domestic Microphone (Early Production)


Object Number: 788003  Size: FS
Figure 4:

Domestic Microphone (Late Production)


Object Number: 1202067  Size: FS
Figure 5:

TV Antenna Module


Object Number: 788004  Size: FS
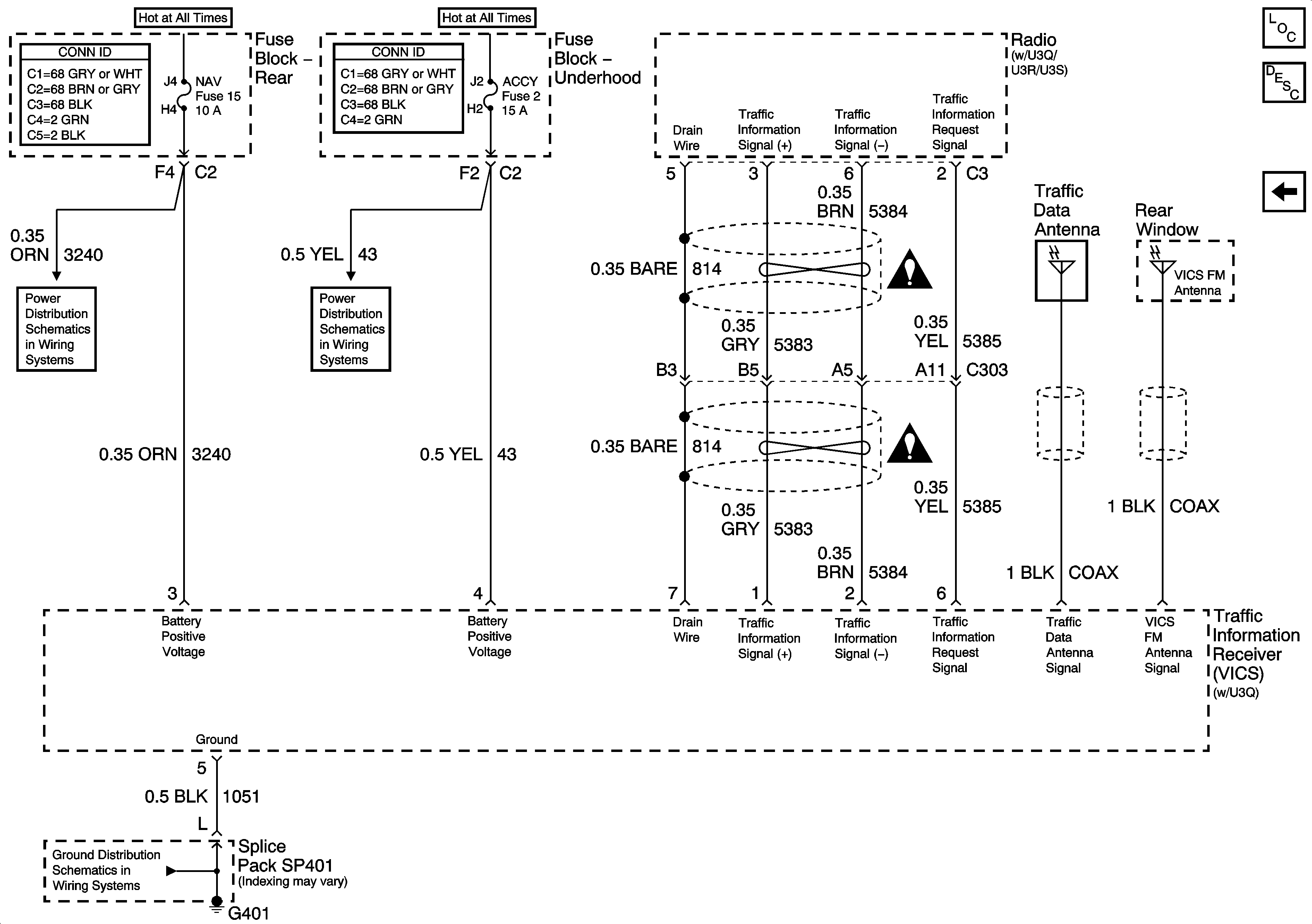
Figure 6:

Traffic Information Receiver (VICS)


Object Number: 879892  Size: FS