GM Service Manual Online
For 1990-2009 cars only
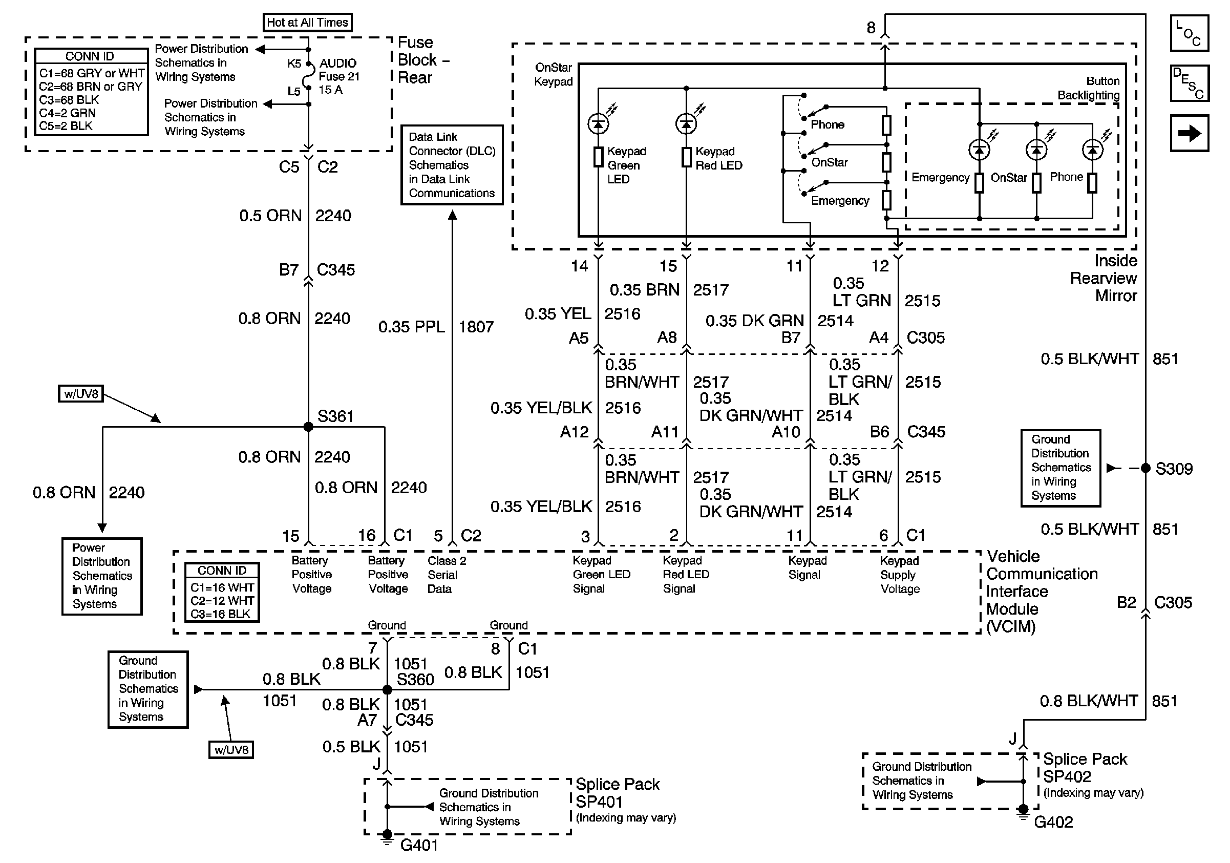
Figure 1:

Power, Ground, and Onstar Keypad (Early Production)


Object Number: 879888  Size: FS
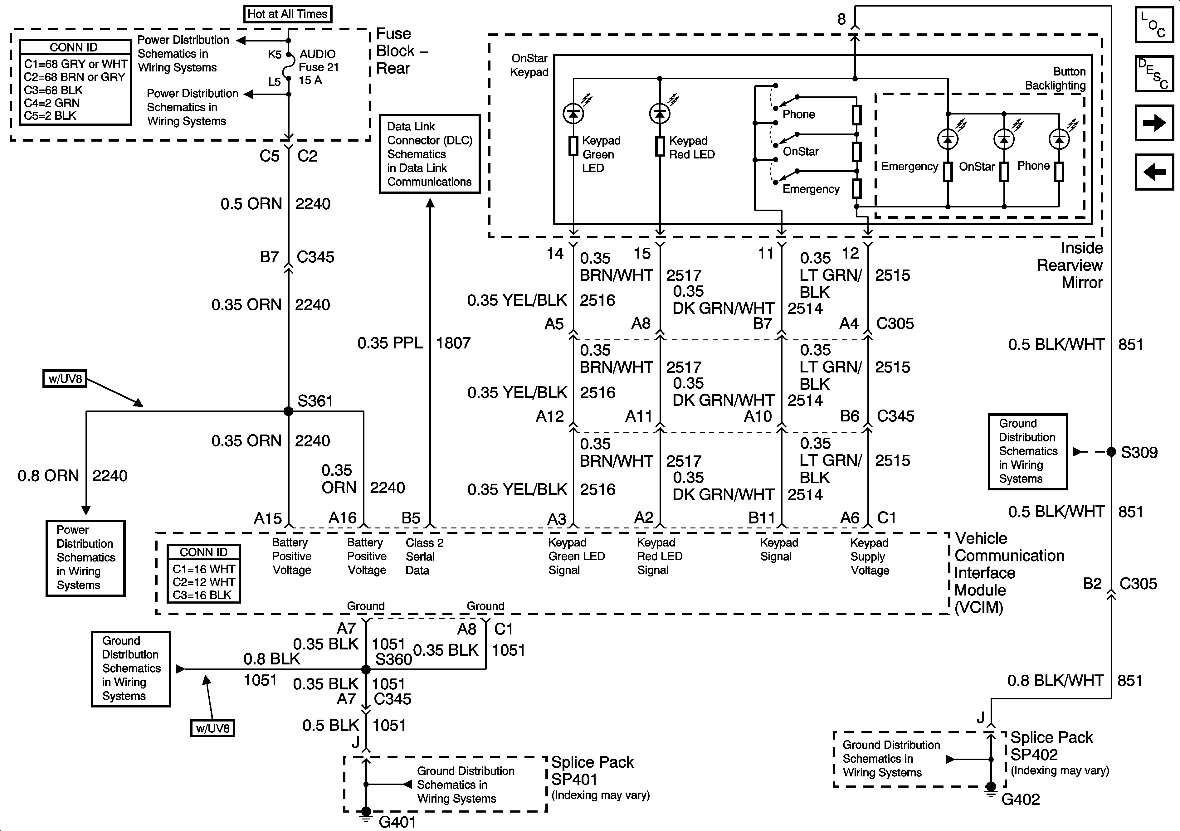
Figure 2:

Power, Ground, and Onstar Keypad (Late Production)


Object Number: 1202041  Size: FS
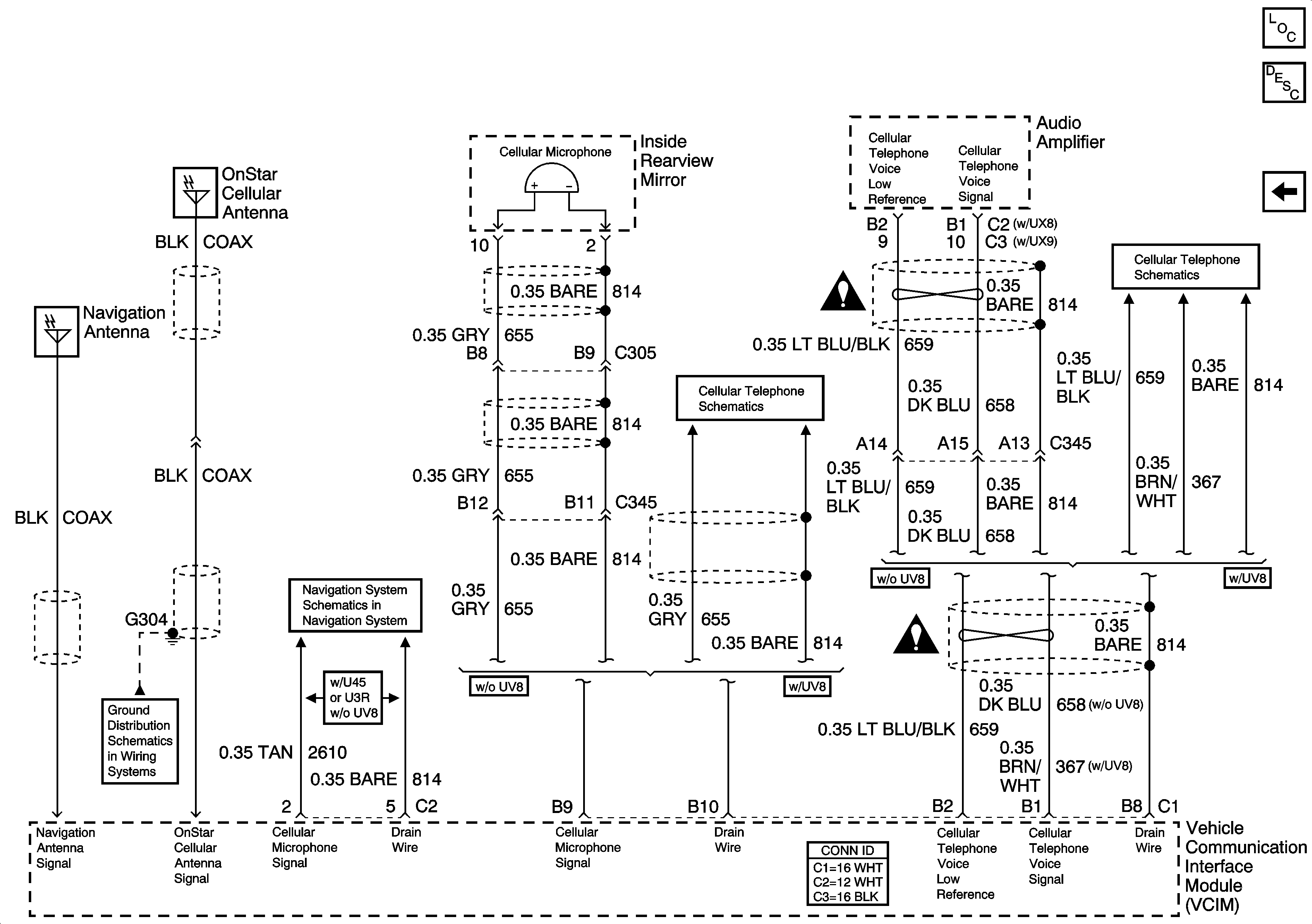
Figure 3:

Microphone and Audio Amplifier (Early Production)


Object Number: 789529  Size: FS
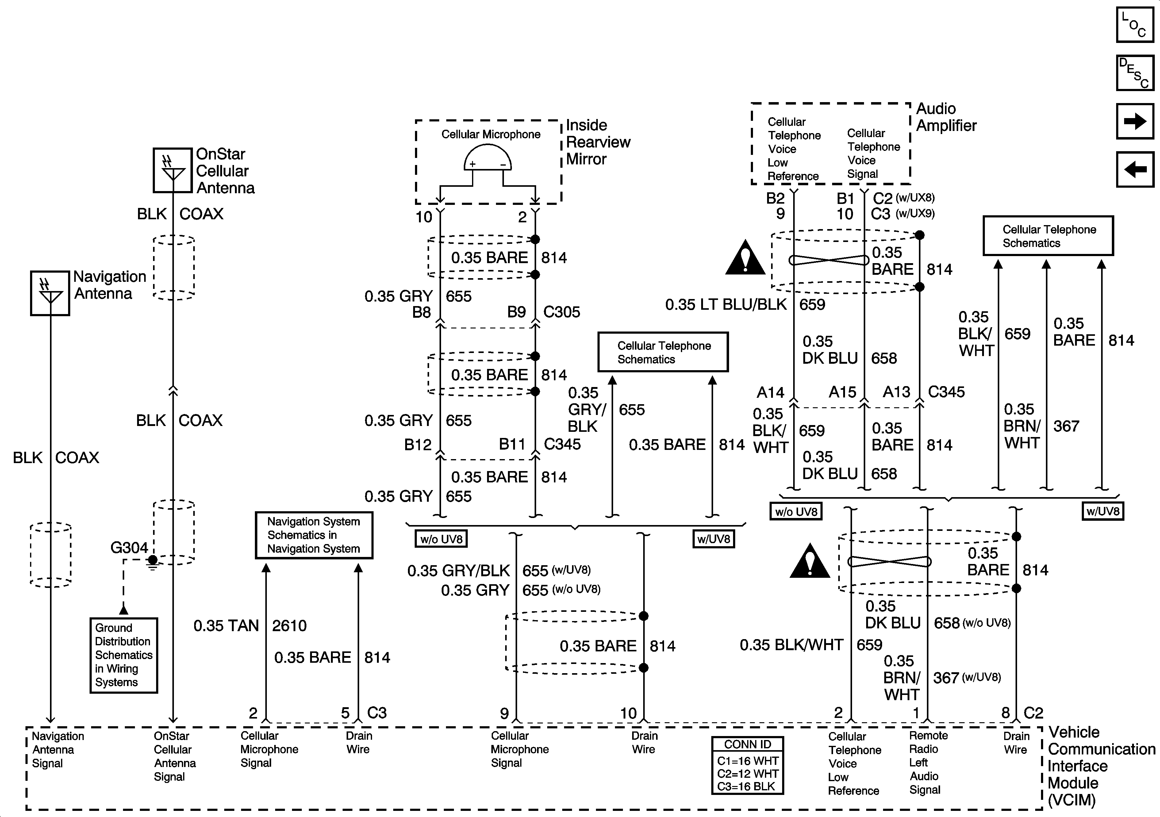
Figure 4:

Microphone and Audio Amplifier (Late Production)


Object Number: 1202028  Size: FS