GM Service Manual Online
For 1990-2009 cars only
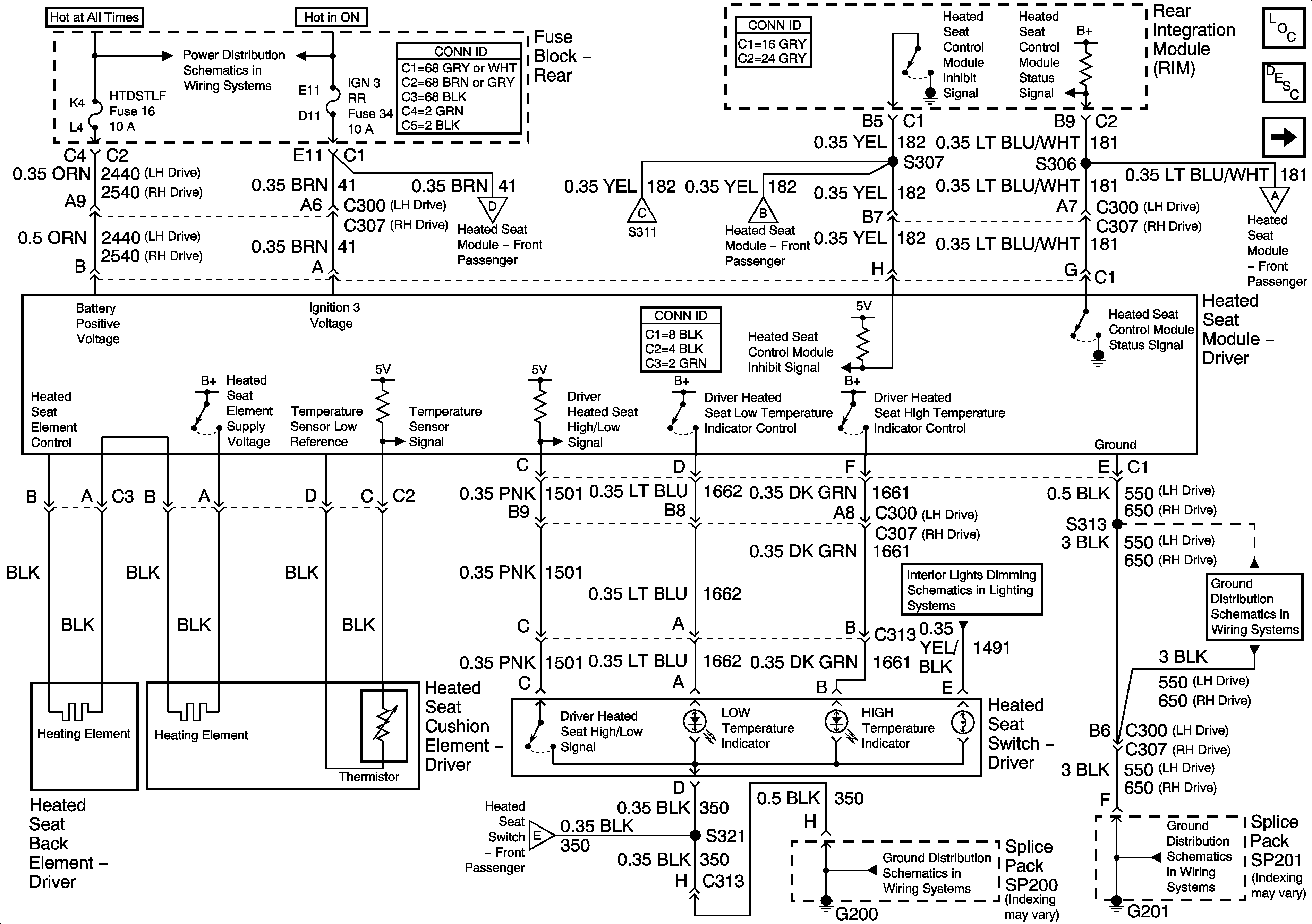
Figure 1:

Heated Seat Module -- Driver


Object Number: 879934  Size: FS
Figure 2:

Heated Seat Module -- Front Passenger


Object Number: 879935  Size: FS
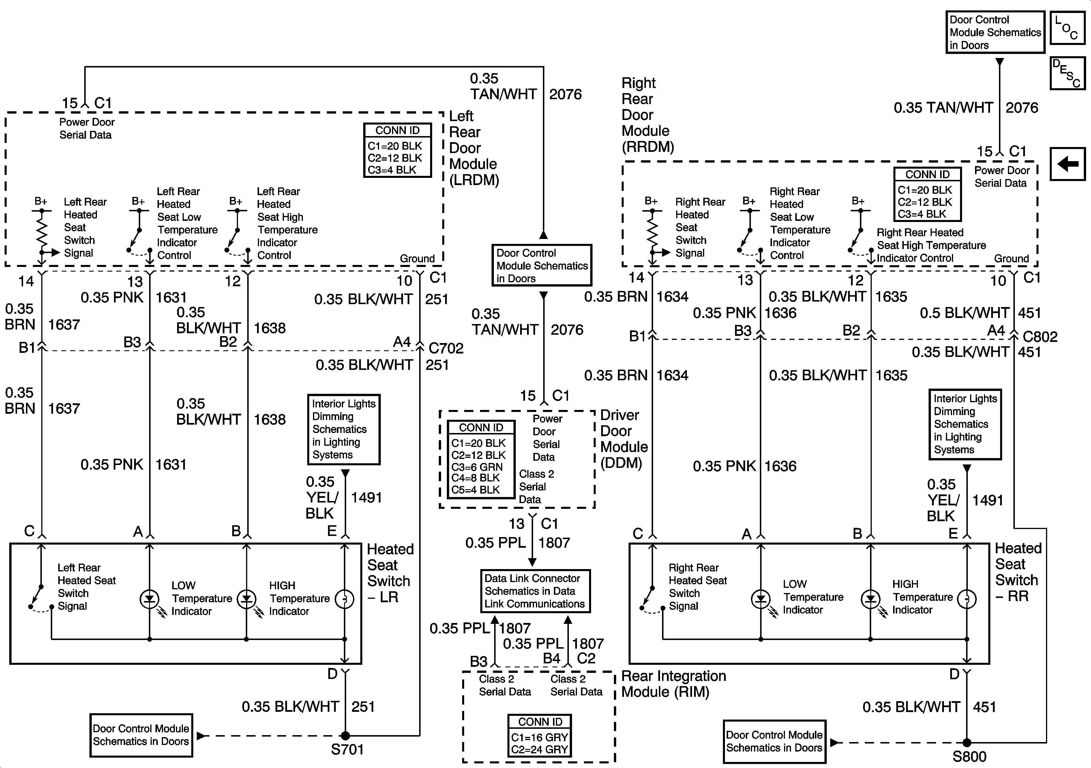
Figure 3:

Heated Seat Module -- LR and RR


Object Number: 879936  Size: FS
Figure 4:

Heated Seat Switch -- LR and RR


Object Number: 792067  Size: FS