GM Service Manual Online
For 1990-2009 cars only
Makes
🢒
Cadillac
🢒
2003
🢒
Seville
🢒
Body and Accessories
🢒
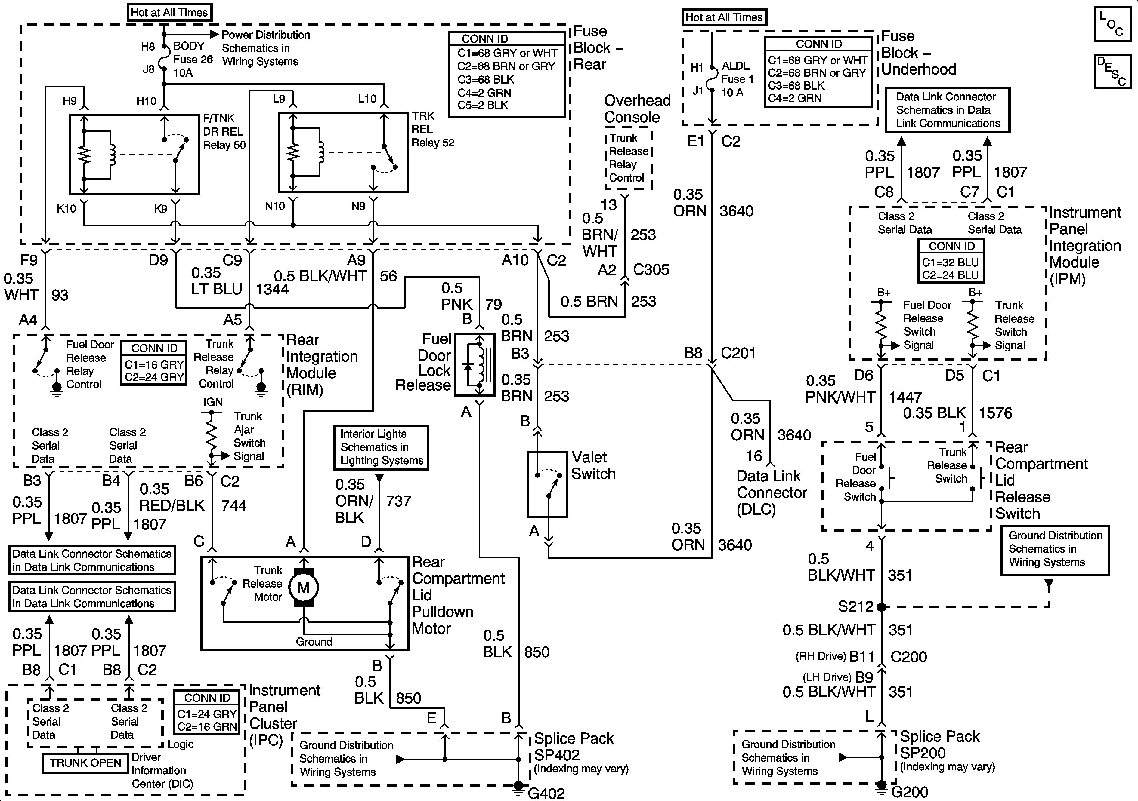
Body Rear End
🢒 Body Rear End Schematics