GM Service Manual Online
For 1990-2009 cars only
Makes
🢒
Cadillac
🢒
2003
🢒
Seville
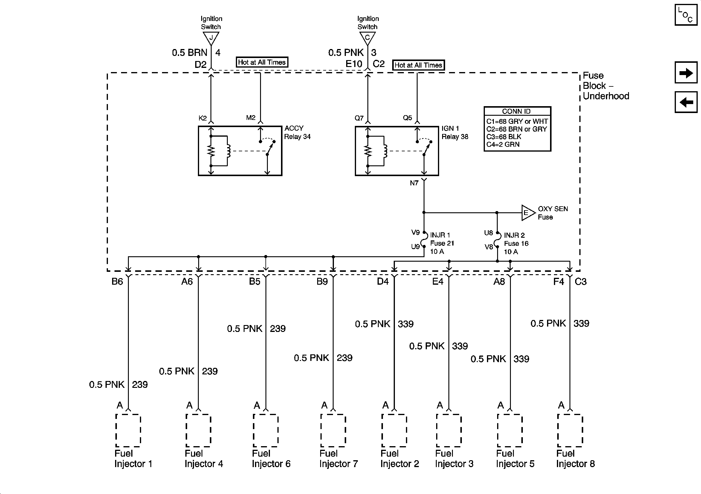
🢒 ACCY and IGN 1 Relays and INJR 1 and INJR 2 Fuses
ACCY and IGN 1 Relays and INJR 1 and INJR 2 Fuses
ACCY and IGN 1 Relays and INJR 1 and INJR 2 Fuses
Master Electrical Component List
Ignition Switch Supply and HVAC and ABS Fuses
Ignition Switch Supply
Ignition Switch Supply
Ignition Switch Supply
OXY SEN, COIL MDL, and CRUISE Fuses