GM Service Manual Online
For 1990-2009 cars only
Makes
🢒
Cadillac
🢒
2003
🢒
Seville
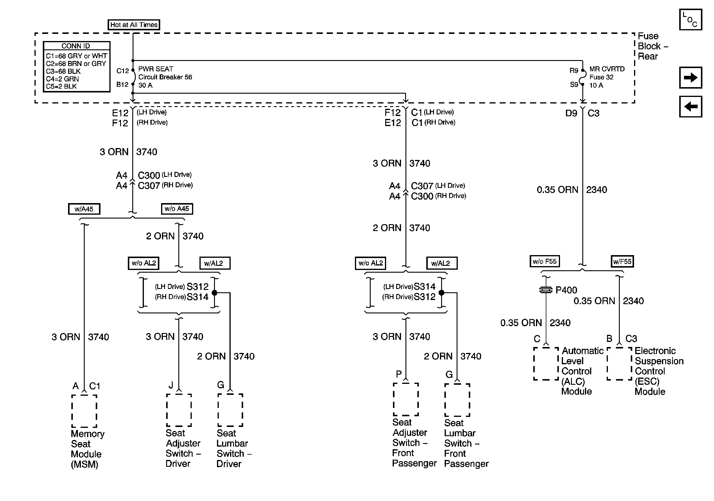
🢒 PWR SEAT Circuit Breaker and CVRTD Fuse
PWR SEAT Circuit Breaker and CVRTD Fuse
PWR SEAT Circuit Breaker and CVRTD Fuse
Master Electrical Component List
OXY SEN, COIL MDL, and CRUISE Fuses
MEM T/T, PWR T/T, and TSIG/HAZ Fuses