GM Service Manual Online
For 1990-2009 cars only
Makes
🢒
Cadillac
🢒
2003
🢒
Seville
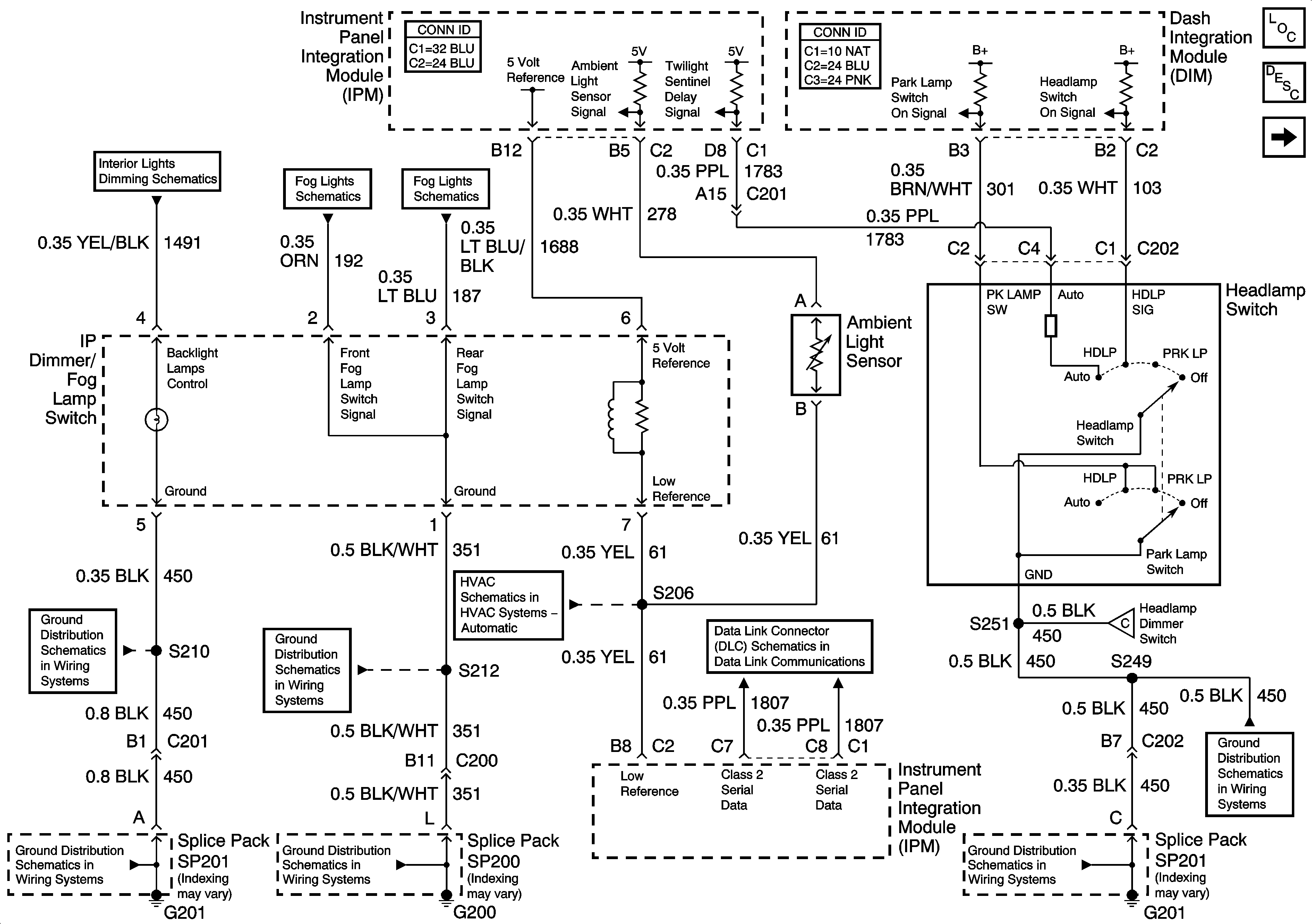
🢒 I/P Dimmer/Fog Lamp Switch Power and Ground
I/P Dimmer/Fog Lamp Switch Power and Ground
I/P Dimmer/Fog Lamp Switch Power and Ground