GM Service Manual Online
For 1990-2009 cars only
Figure 1:

Power Seat


Object Number: 1338163  Size: FS
Master Electrical Component List
Figure 2:

Power Lumbar Seat


Object Number: 1338195  Size: FS
Master Electrical Component List
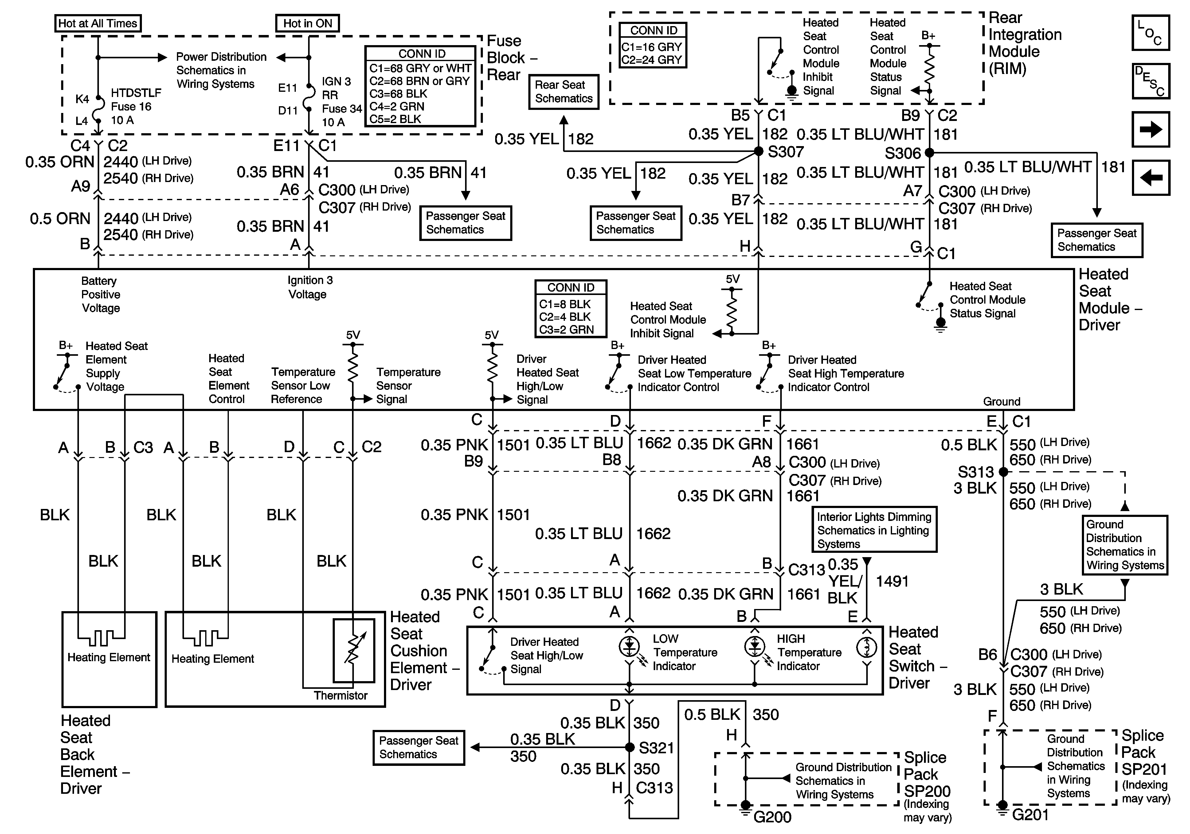
Figure 3:

Heated Seat


Object Number: 1338203  Size: FS
Master Electrical Component List
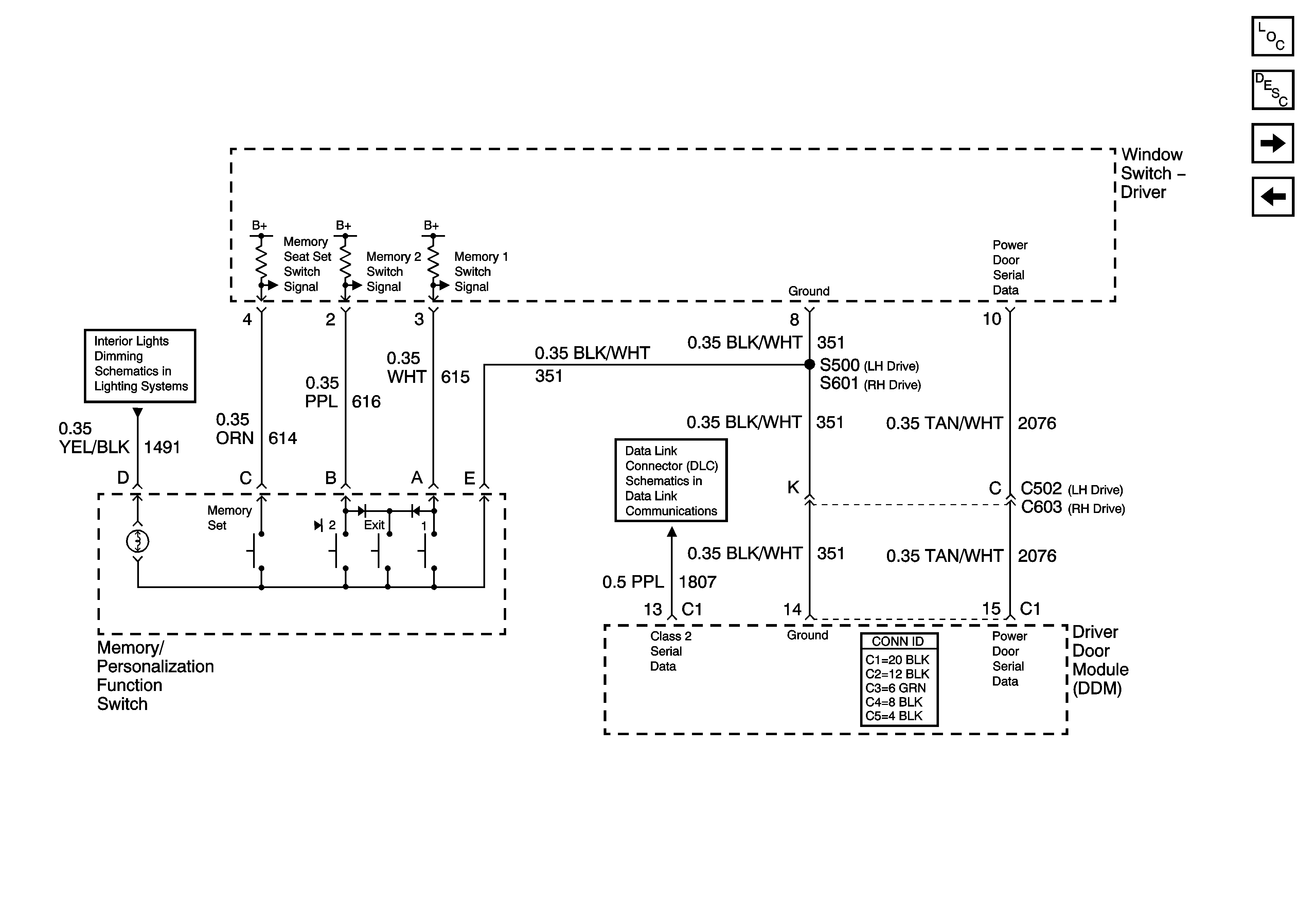
Figure 4:

Memory Seat -- Memory/Personalization Function Switch


Object Number: 1338207  Size: FS
Master Electrical Component List
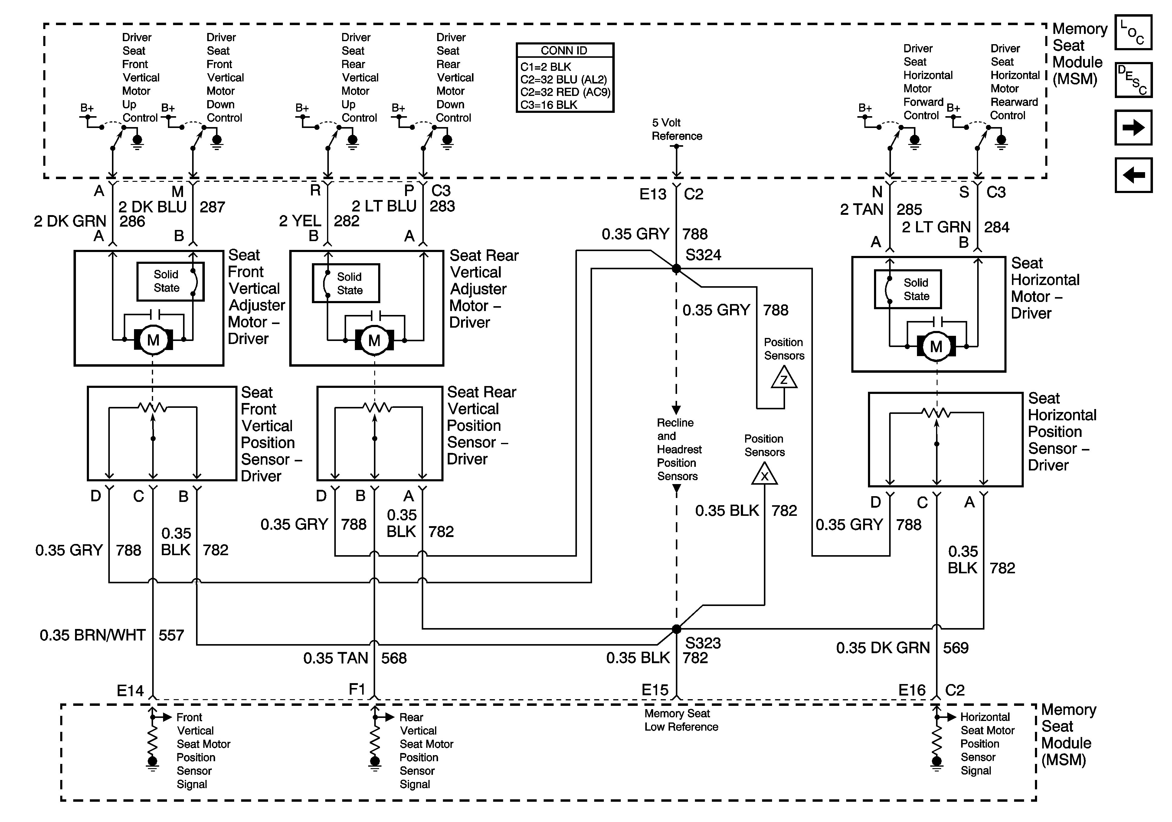
Figure 5:

Memory Seat -- Vertical and Horizontal Motors


Object Number: 1338210  Size: FS
Master Electrical Component List
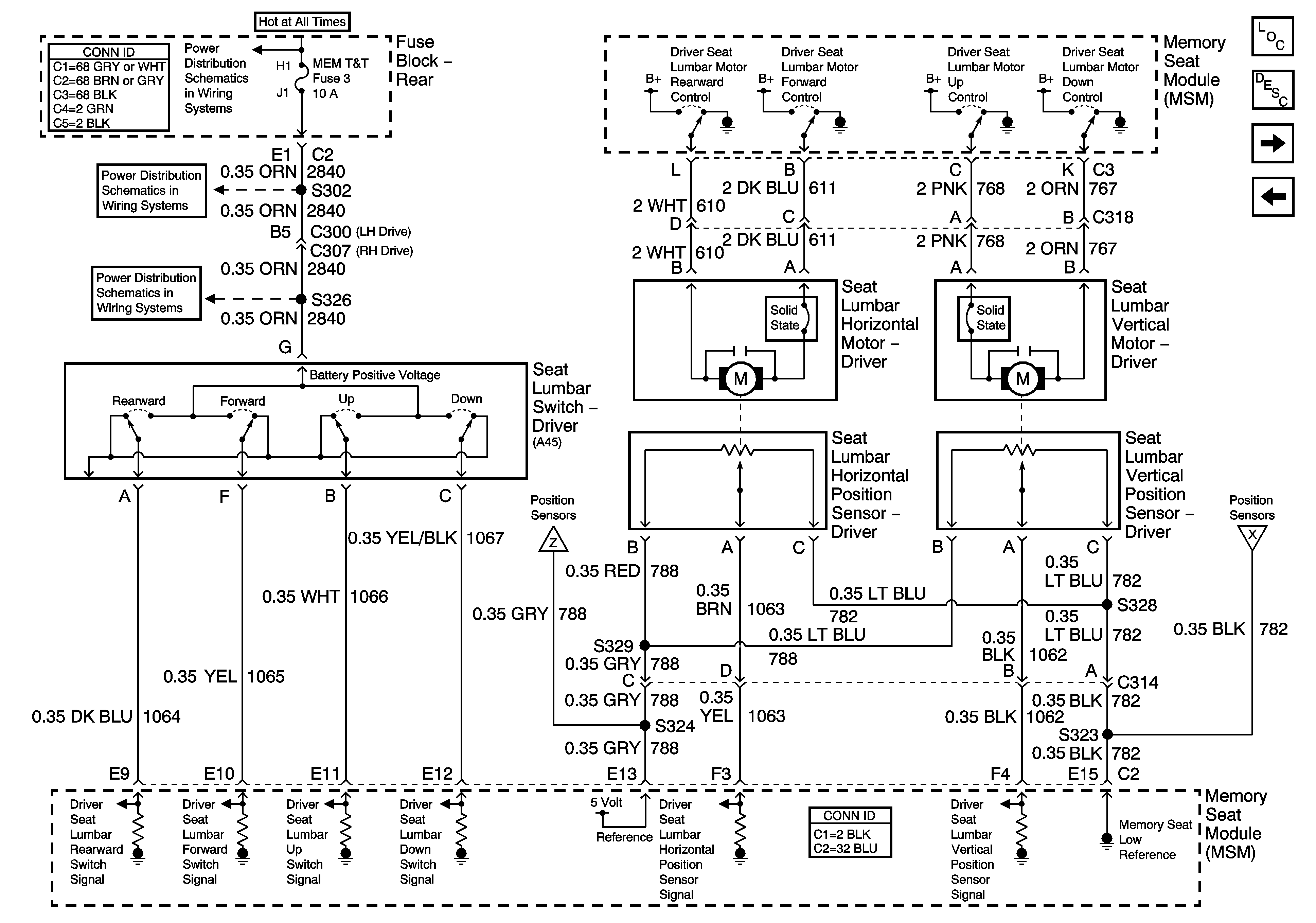
Figure 6:

Memory Seat -- Recline Motor


Object Number: 1338216  Size: FS
Master Electrical Component List