GM Service Manual Online
For 1990-2009 cars only
Makes
🢒
Cadillac
🢒
2004
🢒
Seville
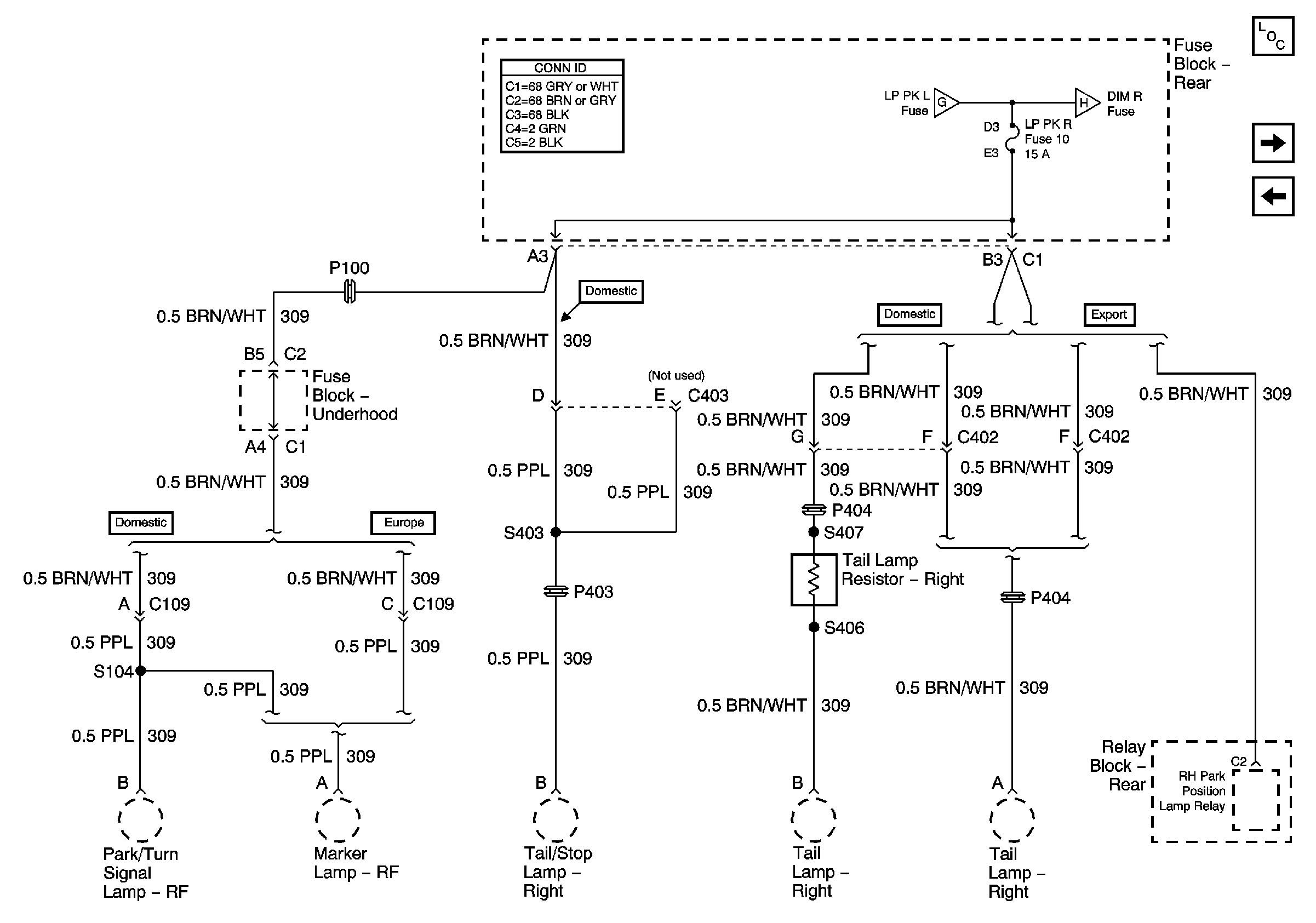
🢒 Power Distribution Schematics-LP PK R Fuse
Power Distribution Schematics-LP PK R Fuse
LP PK R Fuse
Master Electrical Component List
Power Distribution Schematics-DIMR Fuse
Power Distribution Schematics-PRK LP Relay, and LP PK L Fuse
Power Distribution Schematics-PRK LP Relay, and LP PK L Fuse
Power Distribution Schematics-DIMR Fuse