GM Service Manual Online
For 1990-2009 cars only
Makes
🢒
Cadillac
🢒
2004
🢒
Seville
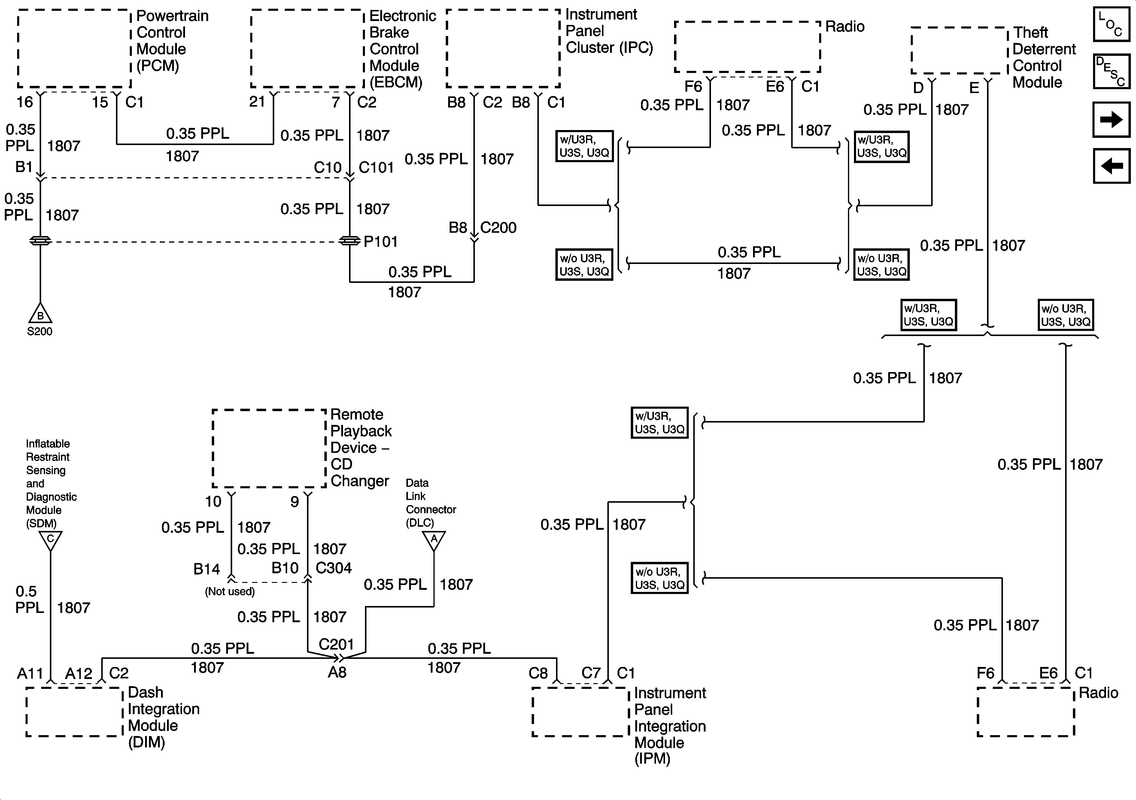
🢒 Data Link Connector (DLC) Schematics-Serial Data Line (LH Drive) (1 of 2)
Data Link Connector (DLC) Schematics-Serial Data Line (LH Drive) (1 of 2)
Serial Data Line (LH Drive) (1 of 2)
Master Electrical Component List
Data Link Communications Description and Operation
Data Link Connector (DLC) Schematics-Serial Data Line (LH Drive) (2 of 2)
Data Link Connector (DLC) Schematics-Power and Ground (LH Drive)
Data Link Connector (DLC) Schematics-Power and Ground (LH Drive)
Data Link Connector (DLC) Schematics-Serial Data Line (LH Drive) (2 of 2)
Data Link Connector (DLC) Schematics-Serial Data Line (LH Drive) (2 of 2)