GM Service Manual Online
For 1990-2009 cars only
Makes
🢒
Cadillac
🢒
2004
🢒
Seville
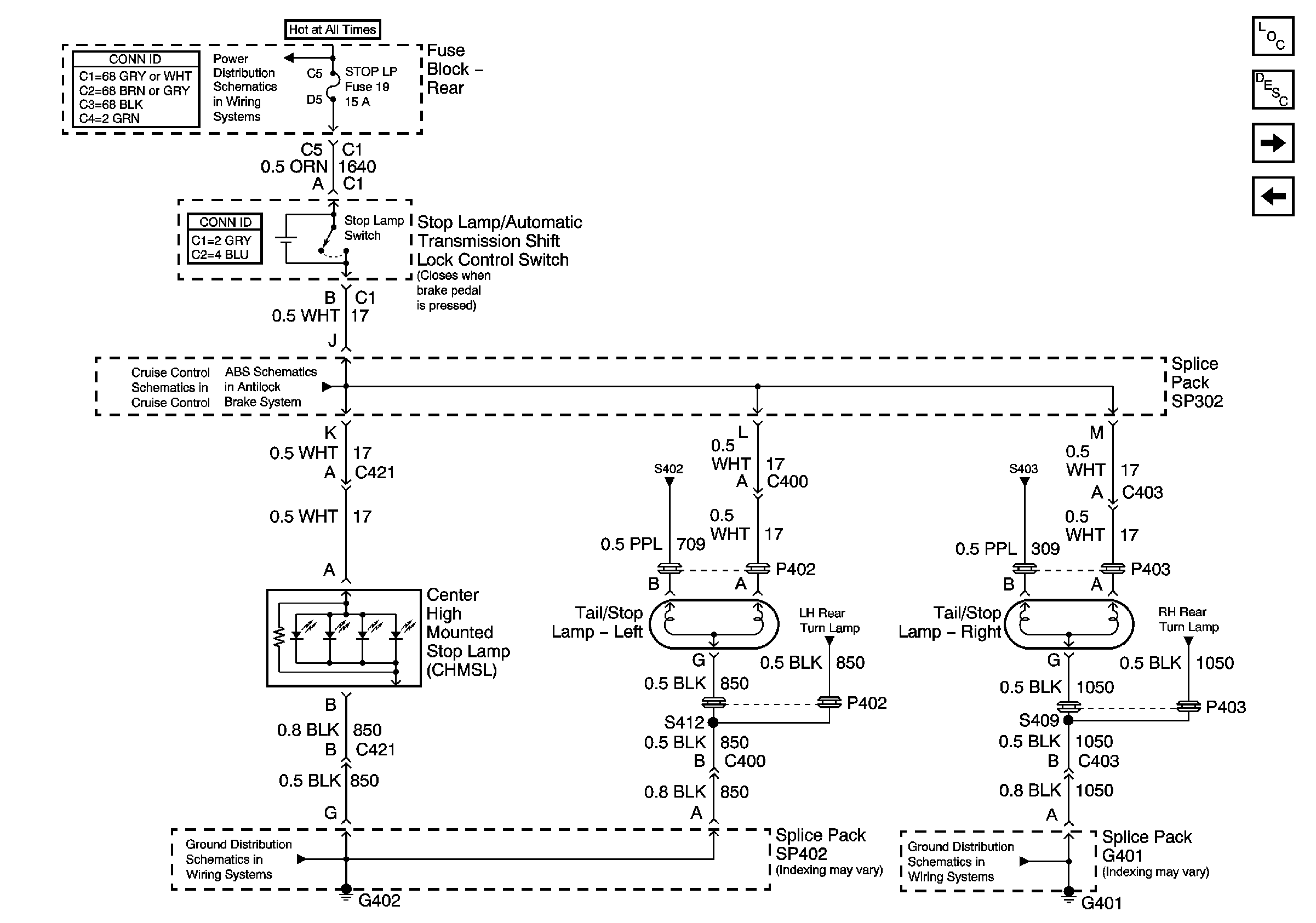
🢒 Exterior Lights Schematics-Stop Lamp Switch
Exterior Lights Schematics-Stop Lamp Switch
Stop Lamp Switch
Master Electrical Component List
Exterior Lighting Systems Description and Operation
Exterior Lights Schematics- Right Exterior Lights
Exterior Lights Schematics-Hazard Switch
Power Distribution Schematics-Battery Feed to Fuse Block Rear
Cruise Control Schematics-PCM Controls and Class 2
ABS Schematics-Power,Ground,Stop Lamp Switch,Solenoid Valves and Pump Motor
Ground Distribution Schematics-G401 (1 of 3)
Ground Distribution Schematics-G402 (1 of 2)