GM Service Manual Online
For 1990-2009 cars only
Makes
🢒
Cadillac
🢒
2004
🢒
Seville
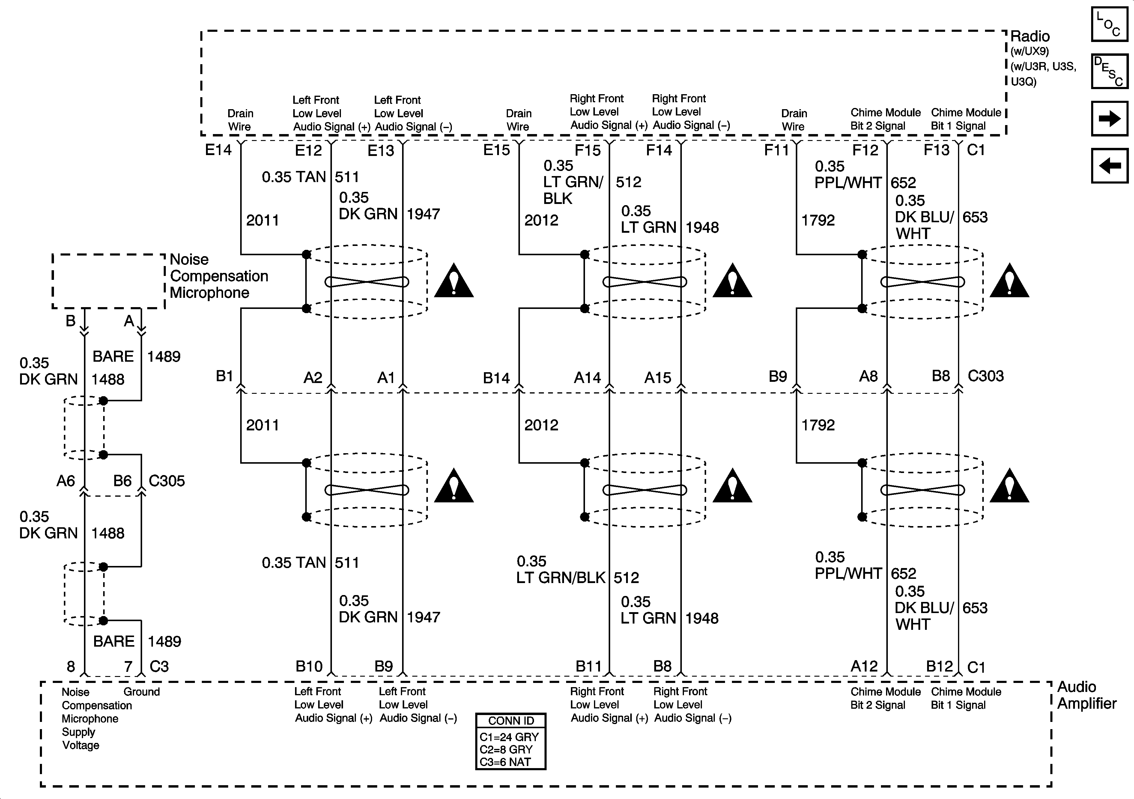
🢒 Radio/Audio System Schematics-Audio Amplifier (UX9)
Radio/Audio System Schematics-Audio Amplifier (UX9)
Audio Amplifier (UX9)
Master Electrical Component List
Radio/Audio System Description and Operation
Radio/Audio System Schematics-Speakers (UX9)
Radio/Audio System Schematics-Remote Plybk Device-CD Changer (UX9) RH Drive
Entertainment Schematic Icons
Entertainment Schematic Icons
Entertainment Schematic Icons
Entertainment Schematic Icons
Entertainment Schematic Icons
Entertainment Schematic Icons