GM Service Manual Online
For 1990-2009 cars only
Makes
🢒
Cadillac
🢒
2004
🢒
Seville
🢒 Horns Schematics
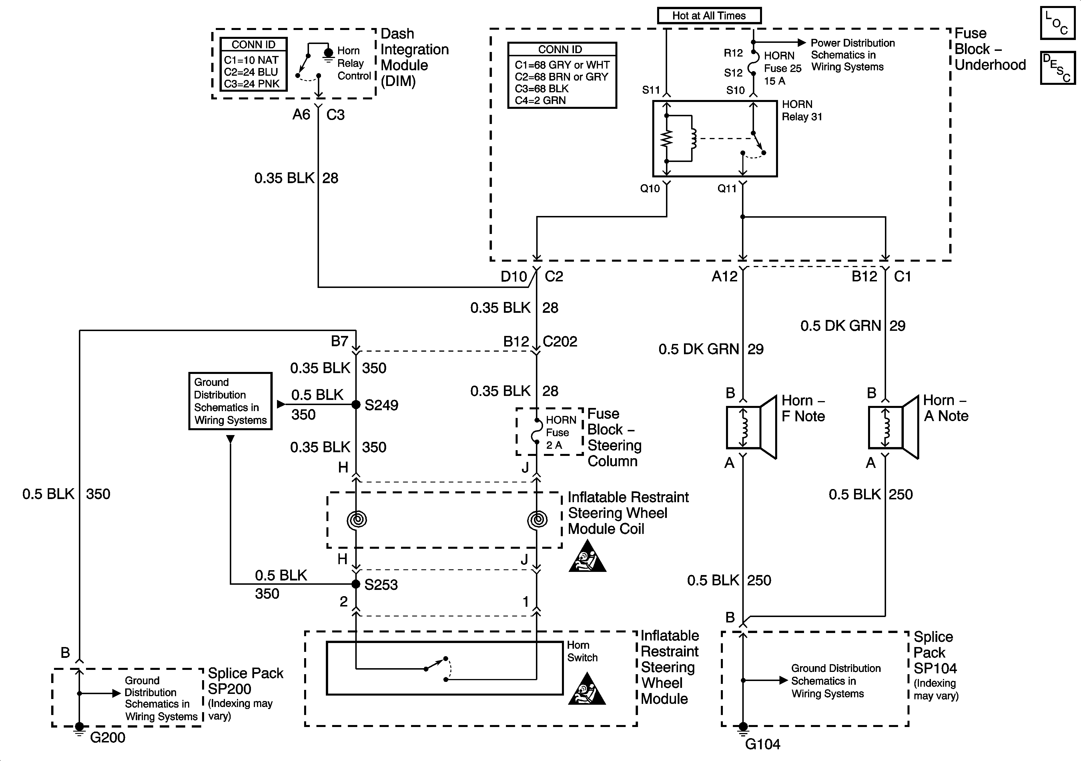
Horns Schematics
Master Electrical Component List
Horns System Description and Operation
Power Distribution Schematics-Battery Feed to Fuseblock Underhood
SIR Handling Caution
SIR Handling Caution
Ground Distribution Schematics-G104
Ground Distribution Schematics-G200
Ground Distribution Schematics-G200