GM Service Manual Online
For 1990-2009 cars only
Makes
🢒
Cadillac
🢒
2004
🢒
Seville
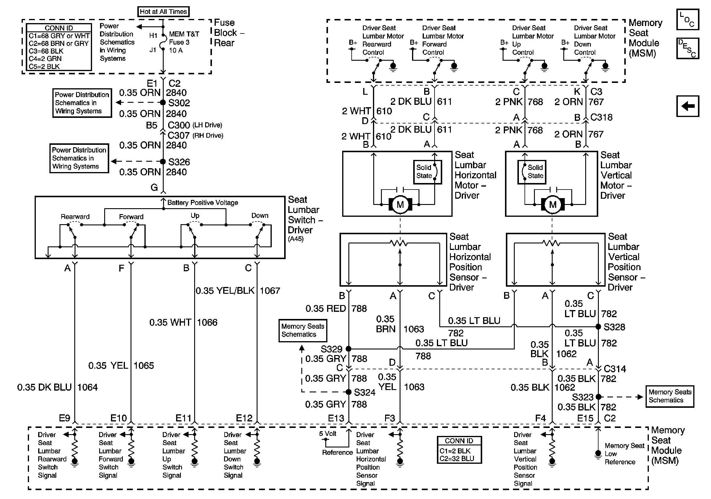
🢒 Lumbar Support Schematics- Driver Seat Lumbar Switch,and Memory Seat Module
Lumbar Support Schematics- Driver Seat Lumbar Switch,and Memory Seat Module
Seat Lumbar Switch -- Driver and Memory Seat Module
Master Electrical Component List
Lumbar Support Description and Operation with A45
Lumbar Support Schematics- Driver and Passenger Seat Lumbar Switch
Memory Seats Schematics-Vertical and Horizontal Motors, Position Sensors
Memory Seats Schematics-Vertical and Horizontal Motors, Position Sensors
Power Distribution Schematics-MEM T and T,PWR T and T, and TSIG/HAZ Fuses
Power Distribution Schematics-MEM T and T,PWR T and T, and TSIG/HAZ Fuses
Power Distribution Schematics-Battery Feed to Fuse Block Rear