GM Service Manual Online
For 1990-2009 cars only
Makes
🢒
Cadillac
🢒
1998
🢒
Seville - RHD
🢒
Engine
🢒
Engine Electrical
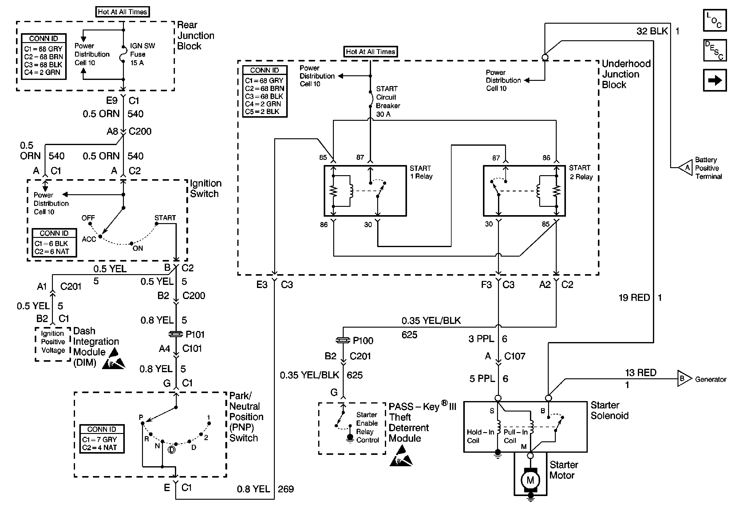
🢒 Starting and Charging Schematics
Cell 30: Starter Solenoid Controls