GM Service Manual Online
For 1990-2009 cars only
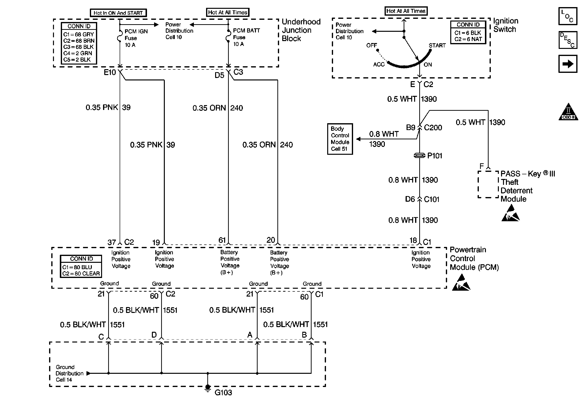
Figure 1:

Cell 20: PCM Power and Grounds


Object Number: 281529  Size: FS
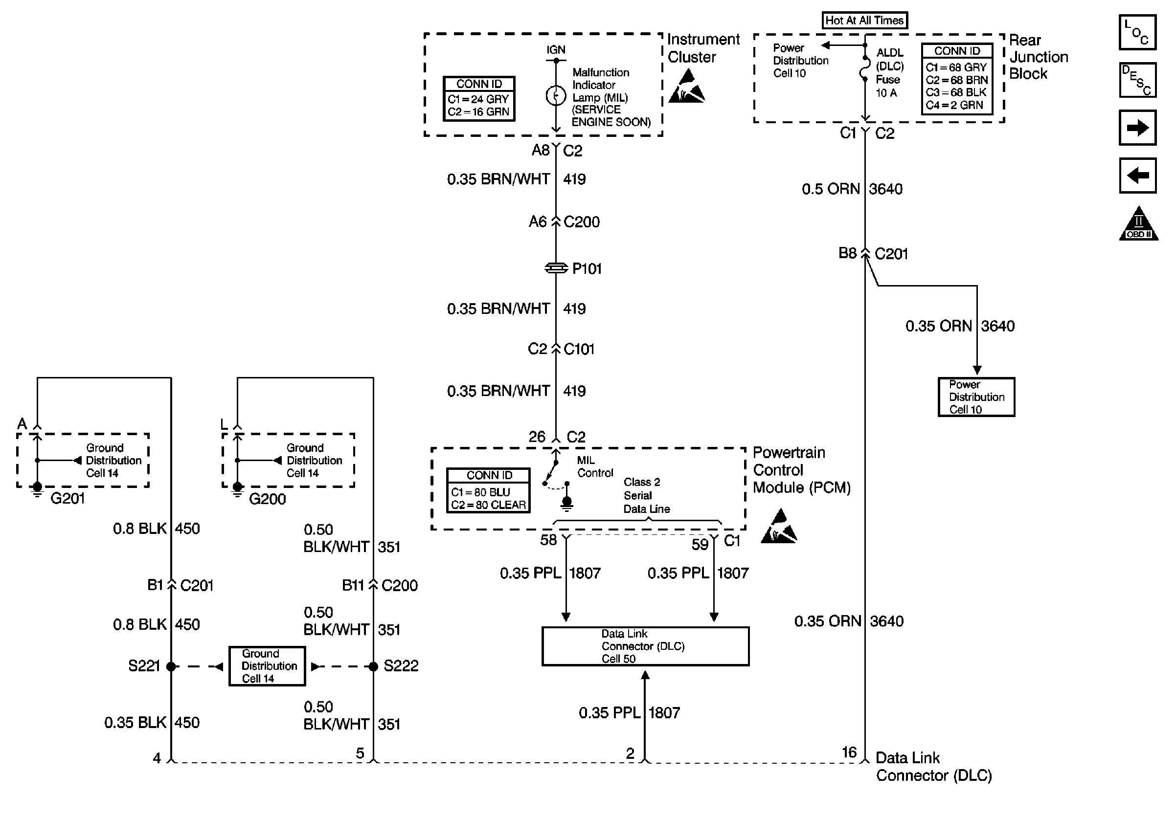
Figure 2:

Cell 20: MIL Control and DLC


Object Number: 281530  Size: FS
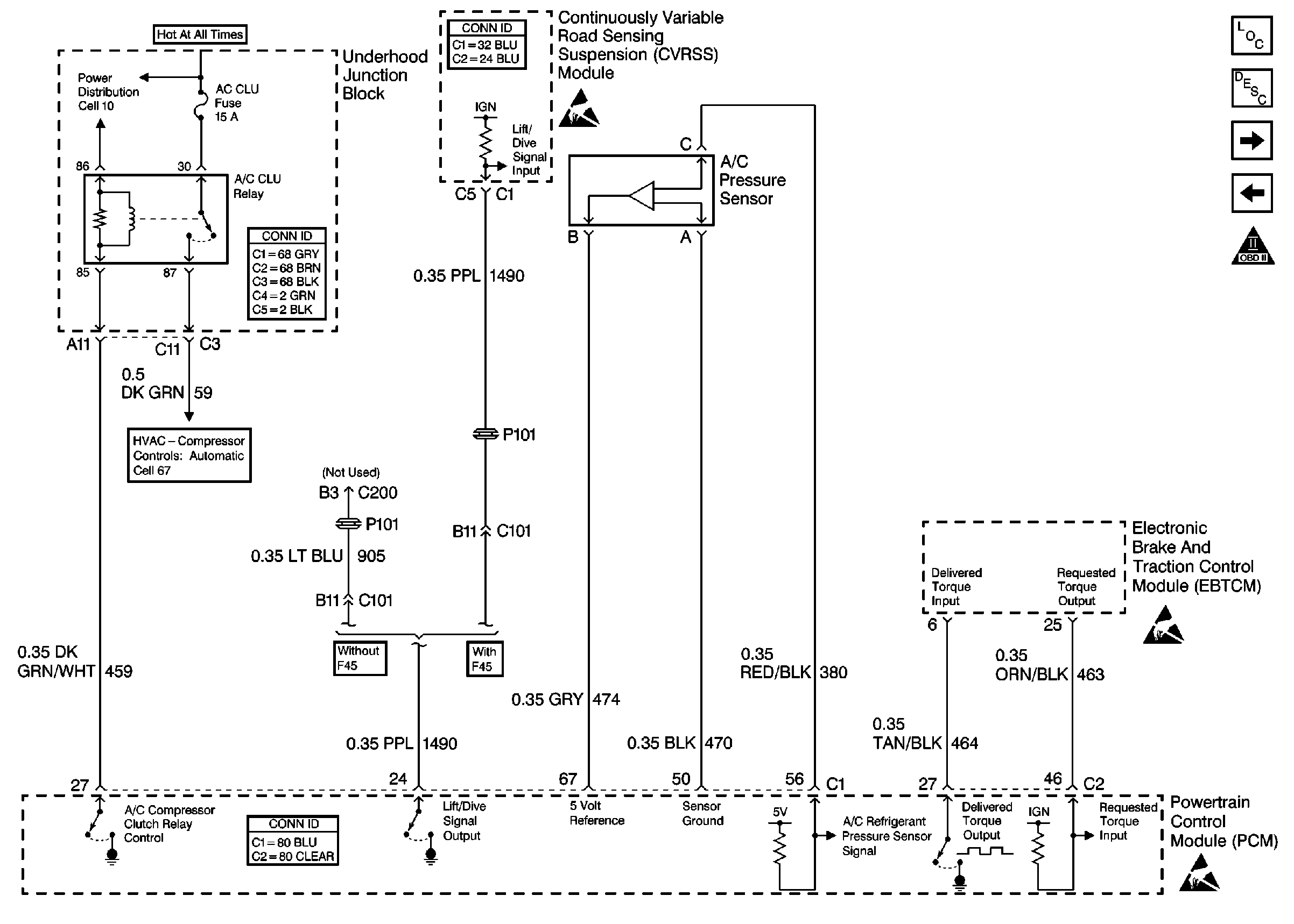
Figure 3:

Cell 20: A/C Relay, A/C Pressure Sensor, CVRSS and EBTCM


Object Number: 281541  Size: FS
Figure 4:

Cell 20: Cruise Control Module


Object Number: 281546  Size: FS