GM Service Manual Online
For 1990-2009 cars only
Makes
🢒
Cadillac
🢒
1998
🢒
Seville - RHD
🢒
Brakes
🢒
Park Brake
🢒 Harness Routing Views
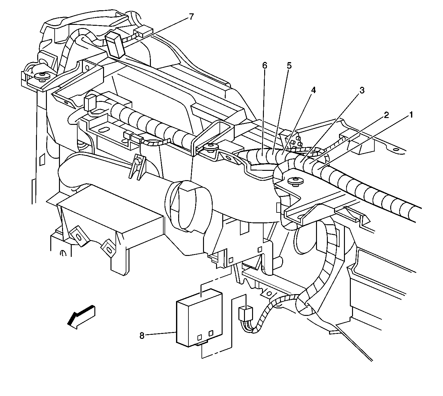
IP Splice Locations
(1)
S224
(2)
S223
(3)
S222
(4)
S221
(5)
S203
(6)
S220
(7)
C201
(8)
PASS KeyIII® Theft Deterrent Module