GM Service Manual Online
For 1990-2009 cars only
Makes
🢒
Cadillac
🢒
1998
🢒
Seville - RHD
🢒
HVAC
🢒
HVAC Systems - Automatic
🢒 HVAC Air Delivery/Temperature Control Schematics
HVAC Air Delivery/Temperature Control Schematics Rear Actuator
Cell 68
HVAC Component Views
HVAC Air Delivery/Temperature Control Circuit Description
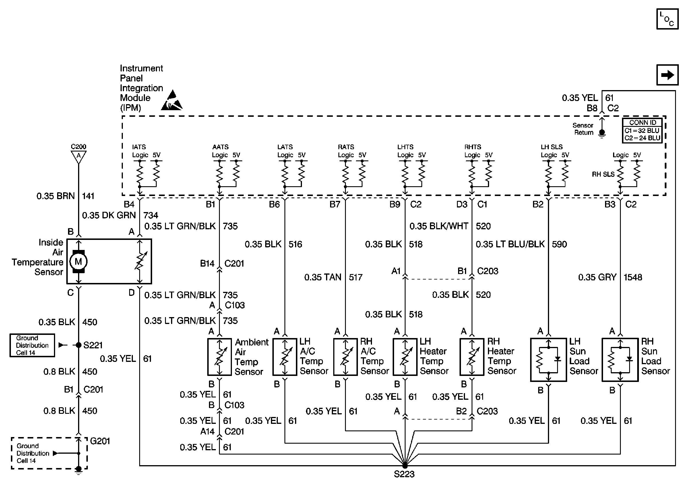
HVAC Air Delivery/Temperature Control Schematics Temperature Sensors
HVAC Schematic References
HVAC Schematic References
HVAC Schematic References
HVAC Schematic References
HVAC Schematic References
HVAC Air Delivery/Temperature Control Schematics Electric Actuators
HVAC Air Delivery/Temperature Control Schematics Temperature Sensors