GM Service Manual Online
For 1990-2009 cars only
Makes
🢒
Cadillac
🢒
1998
🢒
Seville - RHD
🢒
Body and Accessories
🢒
Entertainment
🢒 Radio/Audio System Schematics
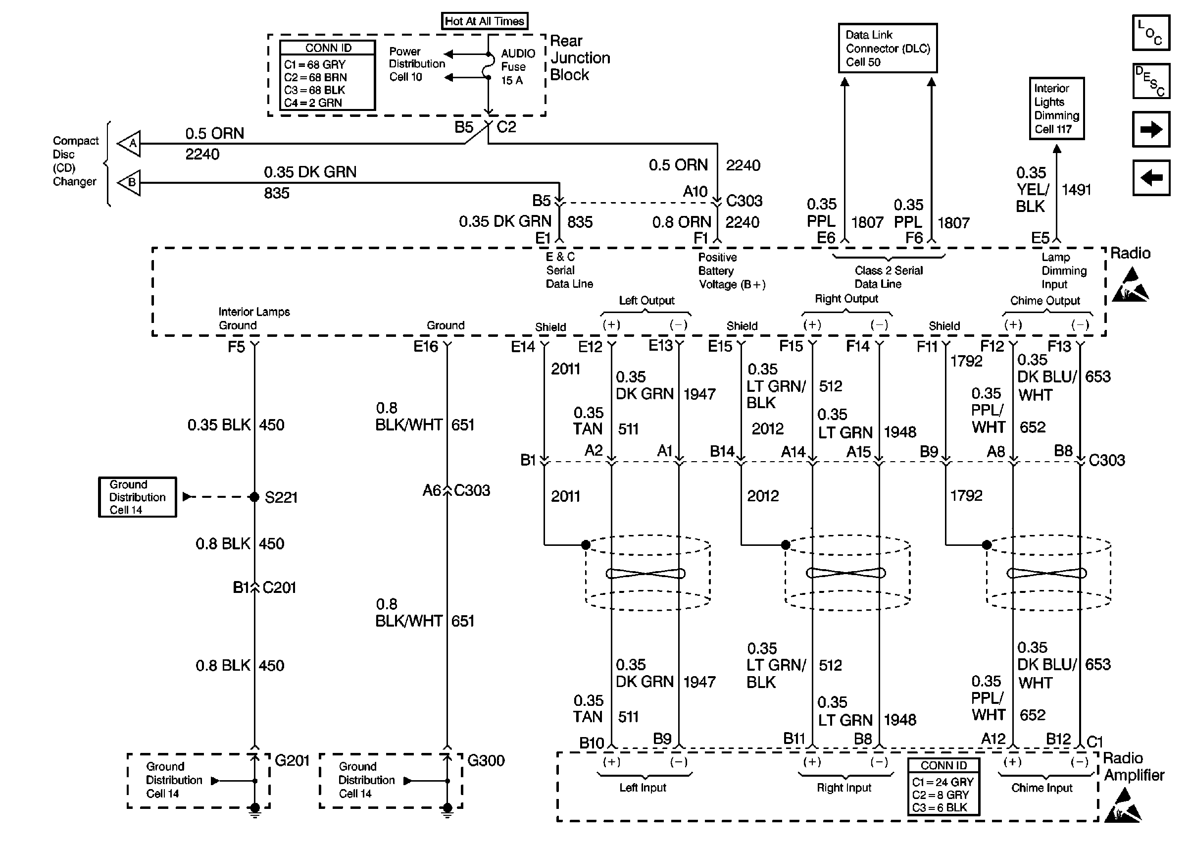
Radio/Audio System Schematics UX8
Cell 150: Power and Ground
Radio/Audio System Schematics UX9
Figure
1:
Cell 150: Power and Ground
Figure
2:
Cell 150: Bose® Amplifier -- Speakers